文字の登録(16×16ドット構成)

指定の文字コードに16×16ドット構成の文字を登録します。
JIS
ESC *<登録文字コード(2バイト)> (登録文字パターンデータ(32バイト))EOT
16進数
1Bh 2Ah <登録文字コード(2バイト)> (登録文字パターンデータ(32バイト))04h
<登録文字コード(2バイト)>
文字パターンを登録する文字コードを指定します。
範囲:
76h 20h~76h 7Fh
77h 20h~77h 7Fh
78h 20h~78h 5Fh
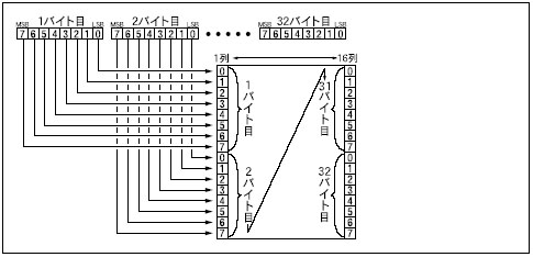
(登録文字パターンデータ(32バイト))
文字パターンを16×2バイトの16進数で指定します。
登録文字パターンデータと印字結果は次のようになります。
登録文字の印字は、漢字モードと同じ方法で行われます。文字が登録されていないコードが送られた場合は、漢字の幅のスペースが印字されます。
なお、本エミュレーションモードでは、登録文字の各ドットは1/160インチのサイズで印字されます。
0R19-22S