

|
(1)
|
[FAX/COPY]-tast
|
Trykk for å bytte til kopi/faks-modus.
|
|
(2)
|
LCD-display
|
Viser meldinger og ledetekster under normal bruk.
Viser valg, tekst og tall når du endrer innstillinger. |
|
(3)
|
[Nullstill]-tast
|
Nullstiller innstillingene.
|
|
[Tilbake]-tast
|
Trykk for å gå tilbake til det forrige skjermbildet.
|
|
|
[
]-tast |
Trykk for å rulle opp eller øke verdien.
|
|
|
[
]-tast |
Trykk for å rulle ned eller redusere verdien.
|
|
|
[
]-tast |
Trykk for å gå tilbake til forrige skjermbilde eller flytte markøren mot venstre.
Trykk for å redusere volumet mens faksringetonen lyder.
|
|
|
[
]-tast |
Trykk for å fortsette til neste skjermbilde eller flytte markøren mot høyre.
Trykk for å øke volumet mens faksringetonen lyder.
|
|
|
[OK]-tast
|
Trykk for å bekrefte en handling eller innstilling.
|
|
|
[Statusovervåkning/Avbryt]-tast
|
Trykk for å vise statusen til jobber eller avbryte jobber. Du kan også undersøke statusen til nettverket og maskinen.
|
|
|
[Papirinnstillinger]-tast
|
Trykk for å velge papirformatet og -typen for papirkassetten.
|
|
|
(4)
|
[Behandling/Data]-indikator
|
Blinker under overføring og lyser når det er ventende jobber på maskinen.
|
|
[Feil]-indikator
|
Blinker når det oppstår en feil.
|
|
|
(5)
|
[Meny]-tast
|
Trykk for å angi eller registrere forskjellige innstillinger.
|
|
[Rapport]-tast
|
Trykk for å skrive ut rapporter og lister manuelt. Du kan også angi om rapporter skal skrives ut automatisk.
|
|
|
[Bildekvalitet]-tast
|
Trykk for å velge bildekvalitet for kopiering eller skanneoppløsning for dokumentet som skal sendes.
|
|
|
[2-sidig]-tast
|
Trykk for å skrive ut på begge sider av papiret.
|
|
|
Talltaster ([0]-[9])
|
Trykk for å legge inn tegn og tall.
|
|
|
[*]-tast
|
Trykk for å bytte tegninnskrivingsmodusen, og bytte mellom puls- og toneoppringing når du sender faks.
|
|
|
[#]-tast
|
Trykk for å skrive inn symboler.
|
|
|
[Stille modus]-tast
|
Trykk for å redusere støyen når en jobb utføres. Dette virker ikke inn på høyttaler- eller tastevolumet.
|
|
|
[Fjern]-tast
|
Trykk for å slette tegn og tall som er lagt inn.
|
|
|
[Strømsparing]-tast
|
Trykk for å angi eller avslutte hvilemodus manuelt. Strømsparingsindikatoren lyser grønt når hvilemodus er aktivert.
|
|
|
[Stopp]-tast
|
Trykk for å avbryte jobber.
|
|
|
[Start]-tast
|
Trykk for å starte kopiering eller sende en faks.
|

|
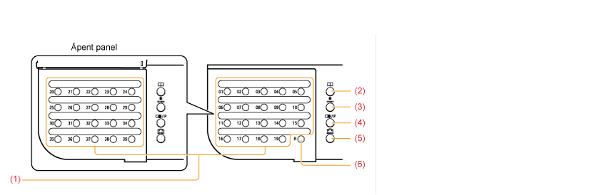
(1)
|
[1-trykkskoder-tast]-taster
|
Trykk for å velge destinasjoner registrert under 1-trykkstaster.
|
|
(2)
|
[Adressebok]-tast
|
Trykk for å søke etter mottakere som er registrert under 1-trykkstaster eller kortnumre.
|
|
(3)
|
[Kortnummer]-tast
|
Trykk for å angi og legge inn en mottakers kode for kodet hurtigvalg.
|
|
(4)
|
[Repetisjon/Pause]-tast
|
Trykk for å repetere de tre sist ringte numrene eller sette inn en pause i et faksnummer.
|
|
(5)
|
[Rør]-tast
|
Trykk når du vil ringe uten å løfte av telefonrøret på den eksterne telefonen eller telefonrøret.
|
|
(6)
|
[R]-tast
|
Trykk for å ringe tilgangsnummeret for en ekstern linje eller et direktenummer når maskinen er koblet til via et sentralbord (PBX).
|