

|
(1)
|
Клавіша [FAX/COPY]
|
Натисніть для переходу в режим копіювання або факсимільного зв’язку.
|
|
(2)
|
РК-дисплей
|
Слугує для відтворення повідомлень і підказок під час роботи апарата.
Відображає вибрані значення, текст і числа при встановленні параметрів. |
|
(3)
|
Клавіша [Скинути]
|
Скидає настройки.
|
|
Клавіша [Назад]
|
Служить для повернення до попереднього екрана.
|
|
|
Клавіша [
] |
Служить для прокрутки вгору або збільшення значення.
|
|
|
Клавіша [
] |
Служить для прокрутки вниз або зменшення значення.
|
|
|
Клавіша [
] |
Служить для повернення до попереднього екрана або переміщення курсора ліворуч.
Служить для зменшення гучності, коли лунає сигнал факсу.
|
|
|
Клавіша [
] |
Служить для переходу до наступного екрана або переміщення курсора праворуч.
Служить для збільшення гучності, коли лунає сигнал факсу.
|
|
|
Клавіша [OK]
|
Використовується для підтвердження дії чи параметра.
|
|
|
Клавіша [Монітор стану/скасувати]
|
Служить для перегляду стану завдань і їх скасування. Крім того, за допомогою цієї клавіші можна перевіряти стан апарата.
|
|
|
Клавіша [Параметри паперу]
|
Використовується при встановленні формату й типу паперу для касети.
|
|
|
(4)
|
Індикатор [Обробка/дані]
|
Блимає під час передавання та засвічується, коли для апарата наявні завдання в черзі.
|
|
Індикатор [Помилка]
|
Блимає, якщо сталася помилка.
|
|
|
(5)
|
Клавіша [Меню]
|
Служить для визначення та реєстрації різних параметрів.
|
|
Клавіша [Звіт]
|
Служить для друку звітів і списків вручну. Можна також вказати, чи потрібно друкувати звіт автоматично.
|
|
|
Клавіша [Якість зображення]
|
Використовується для вибору якості зображення для копій або роздільної здатності сканування для документа, який надсилається.
|
|
|
Клавіша [Двостороннє]
|
Використовується для друку на обох сторонах аркуша паперу.
|
|
|
Цифрові клавіші ([0]-[9])
|
Використовується для введення символів і чисел.
|
|
|
Клавіша [*]
|
Служить для перемикання режиму введення символів і дає змогу переходити між імпульсним і тональним режимами для надсилання факсу.
|
|
|
Клавіша [#]
|
Служить для введення знаків.
|
|
|
Клавіша [Тихий режим]
|
Використовується для зменшення шуму під час виконання завдання. Це не впливає на гучність динаміка чи клавіш.
|
|
|
Клавіша [Очистити]
|
Використовується для видалення введених символів і чисел.
|
|
|
Клавіша [Енергозбереження]
|
Служить для ручного запровадження та скасування режиму зниженого енергоспоживання. У режимі зниженого енергоспоживання індикатор енергозбереження світиться зеленим.
|
|
|
Клавіша [Стоп]
|
Служить для скасування завдань.
|
|
|
Клавіша [Пуск]
|
Використовується, щоб почати копіювання або надсилання факсів.
|

|
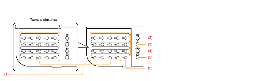
(1)
|
Клавіші [Номер швидкого набору одним дотиком]
|
Служать для вибору адресатів, зареєстрованих для клавіш виклику одним дотиком.
|
|
(2)
|
Клавіша [Адресна книга]
|
При натисканні виконується пошук одержувачів, зареєстрованих для клавіш виклику одним дотиком або для кодів кодованого набору.
|
|
(3)
|
Клавіша [Кодований набір]
|
Використовується для визначення та введення коду одержувача для швидкого кодованого набору.
|
|
(4)
|
Клавіша [Повторний набір/Пауза]
|
Під час передавання факсів повторно набирає три останні набрані номери або вставляє паузу в номер факсу.
|
|
(5)
|
Клавіша [Відбій]
|
Слугує для набору номера без піднімання слухавки або слухавки зовнішнього телефону.
|
|
(6)
|
Клавіша [R]
|
Слугує для набору коду виходу на зовнішню лінію або коду внутрішньої телефонної лінії, якщо апарат підключено через комутатор (відомчу АТС).
|