

|
(1)
|
[FAX/COPY] taustiņš
|
Nospiediet, lai iekārtu pārslēgtu kopēšanas vai faksa režīmā.
|
|
(2)
|
LCD (šķidro kristālu displejs)
|
Normālos darba apstākļos parāda paziņojumus un uzvednes.
Pielāgojot iestatījumus, parāda jūsu izvēles, tekstu un skaitļus. |
|
(3)
|
[Atiestatīt] taustiņš
|
Atiestata iestatījumus.
|
|
[Atpakaļ] taustiņš
|
Nospiediet, lai atgrieztos iepriekšējā ekrānā.
|
|
|
[
] taustiņš |
Nospiediet, lai ritinātu uz augšu vai palielinātu vērtību.
|
|
|
[
] taustiņš |
Nospiediet, lai ritinātu uz leju vai samazinātu vērtību.
|
|
|
[
] taustiņš |
Nospiediet, lai atgrieztos iepriekšējā ekrānā vai pārvietotu kursoru pa kreisi.
Nospiediet, lai samazinātu skaļumu, kamēr skan faksa zvana signāls.
|
|
|
[
] taustiņš |
Nospiediet, lai pārietu uz nākamo ekrānu vai pārvietotu kursoru pa labi.
Nospiediet, lai palielinātu skaļumu, kamēr skan faksa zvana signāls.
|
|
|
[OK] (Labi) taustiņš
|
Nospiediet, lai apstiprinātu darbību vai iestatījumu.
|
|
|
[Statusa pārraugs/Atcelt] taustiņš
|
Nospiediet, lai skatītu darbu statusu vai atceltu darbus. Varat pārbaudīt arī iekārtas statusu.
|
|
|
[Papīra iestatījumi] taustiņš
|
Nospiediet, lai norādītu papīra kasetē ievietojamā papīra formātu un veidu.
|
|
|
(4)
|
[Apstrāde/Dati] indikators
|
Mirgo sūtīšanas laikā un iedegas, kad iekārtā ir darbi, kas gaida izpildi.
|
|
[Kļūda] indikators
|
Mirgo, ja radusies kļūda.
|
|
|
(5)
|
[Izvēlne] taustiņš
|
Nospiediet, lai norādītu vai reģistrētu dažādus iestatījumus.
|
|
[Pārskats] taustiņš
|
Nospiediet, lai manuāli izdrukātu pārskatus un sarakstus. Varat arī norādīt, vai pārskats jāveido automātiski.
|
|
|
[Attēla kvalitāte] taustiņš
|
Nospiediet, lai izvēlētos kopēšanas vai skenēšanas izšķirtspējas attēla kvalitāti, kādu izmantot nosūtāmajā dokumentā.
|
|
|
[Abpusēja] taustiņš
|
Nospiediet, lai drukātu uz abām papīra pusēm.
|
|
|
Ciparu taustiņi ([0]–[9])
|
Nospiediet, lai ievadītu rakstzīmes un ciparus.
|
|
|
[*] taustiņš
|
Nospiediet, lai pārslēgtu rakstzīmju ievades režīmu un pārslēgtos no numuru sastādīšanas impulsu režīmā uz tonālo numuru sastādīšanu un pretēji, lai sūtītu faksu.
|
|
|
[#] taustiņš
|
Nospiediet, lai ievadītu simbolus.
|
|
|
[Klusais režīms] taustiņš
|
Nospiediet, lai samazinātu troksni darba izpildes laikā. Šis iestatījums neietekmē skaļruņa vai taustiņu skaļumu.
|
|
|
[Dzēst] taustiņš
|
Nospiediet, lai izdzēstu ievadītās rakstzīmes un ciparus.
|
|
|
[Enerģijas taupīšana] taustiņš
|
Nospiediet, lai manuāli iestatītu vai atceltu miega režīmu. Miega režīmā enerģijas taupīšanas indikators ir zaļš.
|
|
|
[Pārtraukt] taustiņš
|
Nospiediet, lai atceltu darbus.
|
|
|
[Sākt] taustiņš
|
Nospiediet, lai sāktu kopēt vai sūtīt faksu.
|

|
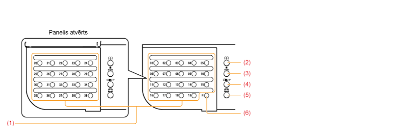
(1)
|
[Ātrā numuru sastādīšana ar vienu pieskārienu] taustiņi
|
Nospiediet, lai norādītu adresātus, kas reģistrēti viena pieskāriena taustiņiem.
|
|
(2)
|
[Adrešu grāmata] taustiņš
|
Nospiediet, lai meklētu saņēmējus, kas reģistrēti ar viena pieskāriena taustiņiem vai ar kodētās numuru sastādīšanas kodiem.
|
|
(3)
|
[Kodētā numura sastādīšana] taustiņš
|
Nospiediet, lai norādītu un ievadītu saņēmēja kodētās numuru sastādīšanas kodu.
|
|
(4)
|
[Atkārtot zvanu/Pauze] taustiņš
|
Kad sūtāt faksu, nospiediet, lai atkārtotu pēdējos trīs sastādītos numurus vai lai ievietotu pauzi, kad ievadāt faksa numuru.
|
|
(5)
|
[Klausule] taustiņš
|
Nospiediet, ja vēlaties sastādīt numuru, nepaceļot ārējā tālruņa klausuli vai iekārtas klausuli.
|
|
(6)
|
[R] taustiņš
|
Nospiediet, lai sastādītu ārējās līnijas piekļuves numuru vai paplašinājuma numuru, ja iekārta ir pievienota, izmantojot vadības pulti (PBX).
|