

|
(1)
|
Tecla [FAX/COPY]
|
Prima para mudar o modo para cópia ou fax.
|
|
(2)
|
LCD
|
Durante o funcionamento normal, apresenta mensagens e avisos de comando.
Apresenta as suas selecções, texto e números enquanto ajusta as definições. |
|
(3)
|
Tecla [Repor]
|
Repõe as definições.
|
|
Tecla [Retroceder]
|
Prima para regressar ao ecrã anterior.
|
|
|
Tecla [
] |
Prima para se deslocar para cima ou para aumentar o valor.
|
|
|
Tecla [
] |
Prima para se deslocar para baixo ou para diminuir o valor.
|
|
|
Tecla [
] |
Prima para regressar ao ecrã anterior ou mover o cursor para a esquerda.
Prima para diminuir o volume durante o sinal de toque do fax.
|
|
|
Tecla [
] |
Prima para avançar para o ecrã seguinte ou mover o cursor para a direita.
Prima para aumentar o volume durante o sinal de toque do fax.
|
|
|
Tecla [OK]
|
Prima para confirmar uma acção ou definição.
|
|
|
Tecla [Controlo Estado/Cancelar]
|
Prima para ver o estado dos trabalhos ou para cancelar trabalhos. Também pode verificar o estado da máquina.
|
|
|
Tecla [Definições de papel]
|
Prima para especificar o tamanho e o tipo de papel para a gaveta de papel.
|
|
|
(4)
|
Indicador [Processamento/Dados]
|
Pisca durante uma transmissão e acende-se quando a máquina tem trabalhos em espera.
|
|
Indicador [Erro]
|
Pisca quando ocorre um erro.
|
|
|
(5)
|
Tecla [Menu]
|
Prima para especificar ou registar várias definições.
|
|
Tecla [Relatório]
|
Prima para imprimir relatórios e listas manualmente. Também pode especificar se pretende imprimir um relatório automaticamente.
|
|
|
Tecla [Qualidade da imagem]
|
Prima para seleccionar a qualidade de imagem de uma cópia ou a resolução de digitalização para o envio de um documento.
|
|
|
Tecla [Frente e Verso]
|
Prima para imprimir nos dois lados do papel.
|
|
|
Teclas numéricas ([0]-[9])
|
Prima para introduzir caracteres e números.
|
|
|
Tecla [*]
|
Prima para mudar para o modo de introdução de caracteres e para alternar entre a marcação por impulsos e a marcação por tons para o envio de um fax.
|
|
|
Tecla [#]
|
Prima para introduzir símbolos.
|
|
|
Tecla [Modo Silencioso]
|
Prima para reduzir o ruído durante um trabalho. Este modo não afecta o altifalante nem o volume das teclas.
|
|
|
Tecla [Limpar]
|
Prima para apagar caracteres e números introduzidos.
|
|
|
Tecla [Poupança de Energia]
|
Prima para definir ou cancelar o modo de hibernação manualmente. O indicador de Poupança de Energia acende-se com luz verde quando a máquina se encontra no modo de hibernação.
|
|
|
Tecla [Parar]
|
Prima para cancelar trabalhos.
|
|
|
Tecla [Iniciar]
|
Prima para iniciar a cópia ou enviar um fax.
|

|
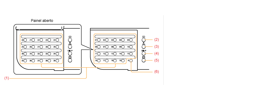
(1)
|
Teclas [Marcação Rápida com Um Toque]
|
Prima para seleccionar destinos registados em teclas de marcação com um toque.
|
|
(2)
|
Tecla [Livro de Endereços]
|
Prima esta tecla para procurar destinatários que estão registados em teclas de marcação com um toque ou códigos de marcação codificada.
|
|
(3)
|
Tecla [Marcação Codificada]
|
Prima esta tecla para especificar e introduzir o código de um destinatário para marcação por memórias telefónicas codificadas.
|
|
(4)
|
Tecla [Remarcar/Pausa]
|
Quando enviar um fax, prima esta tecla para remarcar os últimos três números marcados ou para inserir uma pausa num número de fax.
|
|
(5)
|
Tecla [Descanso]
|
Prima esta tecla quando pretender marcar um número sem levantar o auscultador do telefone externo ou o auscultador da máquina.
|
|
(6)
|
Tecla [R]
|
Prima esta tecla para marcar um número de acesso a uma linha exterior ou a uma extensão quando a máquina está ligada através de uma central telefónica (PBX).
|