

|
(1)
|
Tipka [FAX/COPY]
|
Pritisnite, če želite preklopiti na način kopiranja ali faksiranja.
|
|
(2)
|
LCD
|
Med običajnim delovanjem prikaže sporočila in pozive.
Ko prilagajate nastavitve, prikaže izbire, besedilo in številke. |
|
(3)
|
Tipka [Ponastavi]
|
Ponastavi vse nastavitve.
|
|
Tipka [Nazaj]
|
Pritisnite, če se želite vrniti na prejšnji zaslon.
|
|
|
Tipka [
] |
Pomaknite se navzgor ali povečajte vrednost.
|
|
|
Tipka [
] |
Pomakniti se navzdol ali zmanjšajte vrednost.
|
|
|
Tipka [
] |
Odprete prejšnji zaslon ali pomaknete kazalko v levo.
Znižate glasnost zvonjenja ob dohodnem faksu.
|
|
|
Tipka [
] |
Odprete naslednji zaslon ali premaknete kazalko v desno.
Zvišate glasnost zvonjenja ob dohodnem faksu.
|
|
|
Tipka [OK] (V redu)
|
Pritisnite, če želite potrditi dejanje ali nastavitev.
|
|
|
Tipka [Nadzor stanja/preklic]
|
Pritisnite, da si ogledate stanje postopkov ali jih prekličite. Preverite lahko tudi stanje naprave.
|
|
|
Tipka [Nastavitve papirja]
|
Pritisnite jo, če želite določiti velikost in vrsto papirja za kaseto za papir.
|
|
|
(4)
|
Lučka [Obdelava/podatki]
|
Utripa med prenosom in sveti, če so v napravi čakajoči postopki.
|
|
Lučka [Napaka]
|
Utripa ob napaki.
|
|
|
(5)
|
Tipka [Meni]
|
Pritisnite, če želite določiti ali registrirati različne nastavitve.
|
|
Tipka [Poročilo]
|
Ročno natisnite poročila in sezname. Nastavite lahko, da se poročilo natisne samodejno.
|
|
|
Tipka [Kakovost slike]
|
Pritisnite, če želite izbrati kakovost slike pri kopiranju ali ločljivost optičnega branja za pošiljanje dokumenta.
|
|
|
Tipka [2-stransko]
|
Pritisnite, da tiskate na obe strani papirja.
|
|
|
Številske tipke ([0]–[9])
|
Pritisnite jo, če želite vnesti znake in številke.
|
|
|
Tipka [*]
|
Pritisnite, če želite preklopiti med vnosom znakov ali preklopiti med impulznim in tonskim izbiranjem pri pošiljanju faksa.
|
|
|
Tipka [#]
|
Pritisnite, če želite vnesti simbole.
|
|
|
Tipka [Tihi način]
|
Pritisnite, da zmanjšate šum pri izvajanju opravila. To ne vpliva na zvočnik ali glasnost tipk.
|
|
|
Tipka [Počisti]
|
Pritisnite jo, če želite izbrisati vnesene znake in številke.
|
|
|
Tipka [Varčevanje energije]
|
Pritisnite za ročno nastavitev ali preklic načina mirovanja. V načinu mirovanja sveti lučka za varčevanje energije zeleno.
|
|
|
Tipka [Stop]
|
Pritisnite, če želite preklicati postopke.
|
|
|
Tipka [Start]
|
Pritisnite, če želite začeti kopirati ali poslati faks.
|

|
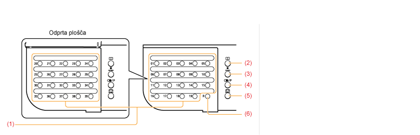
(1)
|
Tipke [Hitro izbiranje]
|
Izberite prejemnike, ki so registrirani na tipkah za hitro izbiranje.
|
|
(2)
|
Tipka [Imenik]
|
Pritisnite za iskanje prejemnikov, ki so registrirani na tipkah za hitro izbiranje ali kodah za kodno izbiranje.
|
|
(3)
|
Tipka [Kodno izbiranje]
|
Pritisnite, če želite določiti in vnesti kodo prejemnika za kodno izbiranje.
|
|
(4)
|
Tipka [Ponovno klicanje/Premor]
|
Pri faksiranju s to tipko znova pokličete zadnje tri klicane številke ali v številko faksa vnesete presledek.
|
|
(5)
|
Tipka [Slušalka]
|
Pritisnite jo, ko želite izbirati brez dviga slušalke zunanjega telefona ali dodatne slušalke.
|
|
(6)
|
Tipka [R]
|
Pritisnite za izbiranje dostopne številke za zunanjo linijo ali interno številko, ko je naprava priključena prek centrale (PBX).
|