

|
(1)
|
[FAX/COPY] tuşu
|
Basarak modu fotokopi, faks veya tarama olarak değiştirin.
|
|
(2)
|
LCD
|
Normal çalışma sırasında mesajları ve istemleri görüntüler.
Ayarları yaparken seçimlerinizi, metni ve numaraları görüntüler. |
|
(3)
|
[Sıfırla] tuşu
|
Ayarları sıfırlar.
|
|
[Geri] tuşu
|
Bir önceki ekrana dönmek için basın.
|
|
|
[
] tuşu |
Yukarı gitmek veya değeri artırmak için basın.
|
|
|
[
] tuşu |
Aşağı gitmek veya değeri düşürmek için basın.
|
|
|
[
] tuşu |
Önceki ekrana geri dönmek veya imleci sola hareket ettirmek için basın.
Faks zil ses tonunun çalma sırasındaki ses düzeyini azaltmak için basın.
|
|
|
[
] tuşu |
Sonraki ekrana ilerlemek veya imleci sağa hareket ettirmek için basın.
Faks zil ses tonunun çalma sırasındaki ses düzeyini yükseltmek için basın.
|
|
|
[OK] (Tamam) tuşu
|
Bir eylemi veya ayarı onaylamak için basın.
|
|
|
[Durum Denetleme/İptal] tuşu
|
İşlerin durumunu görüntülemek veya işleri iptal etmek için basın. Makinenin durumunu da denetleyebilirsiniz.
|
|
|
[Kağıt Ayarları] tuşu
|
Basarak kağıt kaseti için kağıt boyutunu ve türünü belirtin.
|
|
|
(4)
|
[İşleme/Veri] göstergesi
|
İletim sırasında yanıp söner ve makinede bekleyen iş olduğunda yanar.
|
|
[Hata] göstergesi
|
Bir hata oluştuğunda yanıp söner.
|
|
|
(5)
|
[Menü] tuşu
|
Çeşitli ayarları belirtmek veya kaydetmek için basın.
|
|
[Rapor] tuşu
|
Rapor ve listeleri manuel olarak yazdırmak için basın. Raporun otomatik olarak yazdırılıp yazdırılmayacağını da belirtebilirsiniz.
|
|
|
[Görüntü Kalitesi] tuşu
|
Gönderilecek belge için kopya görüntü kalitesini veya tarama çözünürlüğünü belirlemek için basın.
|
|
|
[2 Taraflı] tuşu
|
Kağıdın her iki tarafına da yazdırmak için basın.
|
|
|
Sayı tuşları ([0]-[9])
|
Karakterleri ve numaraları girmek için basın.
|
|
|
[*] tuşu
|
Karakter giriş modunu değiştirmek ve faks göndermek üzere darbeli arama ve tonlu arama arasında geçiş yapmak için basın.
|
|
|
[#] tuşu
|
Simge girmek için basın.
|
|
|
[Sessiz Mod] tuşu
|
İş yaparken sesi azaltmak için basın. Bu, hoparlör veya tuş sesini etkilemez.
|
|
|
[Temizle] tuşu
|
Girilen karakterleri ve numaraları silmek için basın.
|
|
|
[Enerji Tasarrufu] tuşu
|
Uyku modunu manuel olarak ayarlamak veya iptal etmek için basın. Enerji Tasarrufu göstergesi, uyku modundayken yeşil renkte yanar.
|
|
|
[Durdur] tuşu
|
İşleri iptal etmek için basın.
|
|
|
[Başlat] tuşu
|
Kopyalamayı başlatmak veya faks göndermek için basın.
|

|
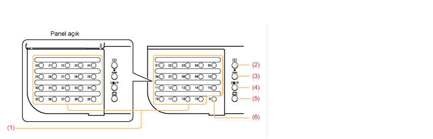
(1)
|
[Tek Tuşla Hızlı Arama] tuşları
|
Tek tuşla arama tuşlarına kayıtlı hedefleri seçmek için basın.
|
|
(2)
|
[Adres Defteri] tuşu
|
Tek dokunuş tuşları altındaki kayıtlı alıcıları veya kodlu arama kodlarını aramak için basın.
|
|
(3)
|
[Kodlu Arama] tuşu
|
Kodlu hızlı arama için alıcının kodunu belirtmek ve girmek üzere basın.
|
|
(4)
|
[Yeniden Ara/Ara Ver] tuşu
|
Fakslama sırasında, aranan son üç numarayı yeniden aramak veya faks numarasına duraklama eklemek için basın.
|
|
(5)
|
[Askı] tuşu
|
Harici telefonun ahizesini veya ahizeyi kaldırmadan arama yapmak istediğinizde basın.
|
|
(6)
|
[R] tuşu
|
Makine telefon santrali (PBX) aracılığıyla bağlıyken bir dış hat erişim numarasını veya dahili hat numarasını aramak için basın.
|