

|
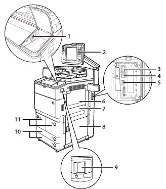
1.
|
USB差込口(1)
USBメモリーを装着するときに使用します。
|
|
2.
|
操作パネル
本製品を操作するのに必要な、キーやタッチパネルディスプレー、ランプなどがあります。(→操作パネル各部の名称とはたらき)
|
|
3.
|
LANポート
ネットワークに接続するためのLANケーブルを差し込みます。
|
|
4.
|
USBコネクタ
コンピューターに接続するためのUSBケーブルを差し込みます。
|
|
5.
|
USB差込口(2)
外付けハードディスクなどを装着するときに使用します。
|
|
6.
|
手差しトレイ
手差しで用紙がセットできます。郵便はがきはここにセットします。(→手差しトレイに用紙をセットする)
|
|
7.
|
本体右上カバー
紙づまりを処理するときに、このカバーを開けます。(→紙づまりが起きたときには)
|
|
8.
|
本体右下カバー
紙づまりを処理するときに、このカバーを開けます。(→紙づまりが起きたときには)
|
|
9.
|
主電源スイッチ
「|」側に倒すと主電源が入ります。(→主電源と節電キーについて)
|
|
10.
|
カセット
550枚(80 g/m2)または680枚(64 g/m2)の用紙をセットできます。
|
|
11.
|
ペーパーデッキ
1500枚(80 g/m2)または1700枚(64 g/m2)の用紙をセットできます。
|
|
12.
|
LINE 2
G3回線増設キット(2回線)をご使用の際、専用線を差し込みます。
|
|
13.
|
LINE 3
G3回線増設キット(3・4回線)をご使用の際、専用線を差し込みます。 |
|
14.
|
LINE 4
G3回線増設キット(3・4回線)をご使用の際、専用線を差し込みます。
|
|
15.
|
LINE 1
ファクス専用線を差し込みます。 |
|
16.
|
HAND SET
ハンドセット・G2をご使用の際、専用線を差し込みます。 |
|
17.
|
EXT.
電話機をご使用の際、専用線を差し込みます。 |
|
18.
|
ブレーカー
ブレーカーの点検をするときに操作します。漏電防止用ブレーカーです。(仕様については、「はじめにお読みください」を参照してください。)
|
|
19.
|
テストボタン
ブレーカーの点検をするときに押します。
|
|
メモ
|
|
G3回線増設キット(3・4回線)、G3回線増設キット(2回線)、ハンドセット・G2はオプションです。詳細は「システムの構成」を参照してください。
電話機とファクスを使用するためのオプションについては、「各機能に必要なオプション」を参照してください。
|

|
1.
|
トナー交換カバー
トナー容器を交換するときに開けます。
|
|
2.
|
前カバー
紙づまりを処理するときに、このカバーを開けます。(→紙づまりが起きたときには)
|
|
3.
|
定着搬送ユニット
本体内部の紙づまりを処理するときに、引き出します。(→紙づまりが起きたときには)
|

|
1.
|
実行/メモリーランプ
本製品が動作中は緑色に点滅します。待機中のジョブやメモリー受信文書があるときは緑色に点灯します。
|
|
2.
|
エラーランプ
本製品にトラブルが発生したときに点滅または点灯します。点滅の場合はタッチパネルディスプレーに表示されるメッセージに従ってトラブルの対処をしてください。エラーランプが赤色に点灯し続ける場合は担当サービスへ連絡してください。
|
|
3.
|
設定/登録キー
各種の登録や機能の設定をするときに押します。
|
|
4.
|
節電キー
本製品を節電モード/スリープ状態にしたり、解除したりするときに押します。本製品が節電モード/スリープ状態に入るとボタンが点灯し、解除されると消灯します。
節電キーを押したときの動作モードについては、「節電キー押下時の動作モードを設定する」を参照してください。
オートスリープについては、「節電キーについて」を参照してください。
|
|
5.
|
カウンター確認キー
タッチパネルディスプレーにコピーやプリントの総枚数を表示するときに押します。
|
|
6.
|
テンキー
数値を入力するときに押します。
|
|
7.
|
クリアキー
入力した数字や文字を取り消すときに押します。
|
|
8.
|
主電源ランプ
本体主電源が入っているときは点灯、切ってあるときは消灯しています。
|
|
9.
|
操作ペン
文字入力などタッチパネルディスプレーを操作するときに使用します。操作ペンを紛失した場合は、担当サービスにお問い合わせください。タッチパネルをシャープペンシルやボールペンなど先のとがったもので押さないでください。
|
|
10.
|
ストップキー
読み込みジョブ、コピージョブ、ファクスジョブ(読み込みのみ)などの進行中の動作を止めるときに押します。
|
|
11.
|
スタートキー
動作(読み込み)を開始するときに押します。
|
|
12.
|
リセットキー
設定したモードを標準モードに戻すときに押します。
|
|
13.
|
ID(認証)キー
部門別ID管理やSSO-Hなどのログインサービスを使用している場合、ログイン/ログアウトするときに押します。 |
|
14.
|
タッチパネルディスプレー
各機能の設定画面が表示されます。初期設定では8個のファンクションキーが表示されます。
|
|
15.
|
輝度調整ダイヤル
画面の明るさを調整します。
|
|
16.
|
音量調整キー
ファクス送信・受信のアラーム音量や通信音量などの調整画面を表示させたいときに押します。
|
|
17.
|
状況確認/中止キー
ジョブ状況の確認、プリントの中止などを行うときに押します。また、用紙の残量など本製品の状況を確認するときに押します。
|
|
18.
|
カスタムメニューキー
カスタムメニューとして登録した、よく使用する機能の設定を呼び出すときに押します。また、認証機能を使用している場合には、ユーザーごとに設定したカスタムメニュー画面を表示させることができます。(→カスタムメニュー)
|
|
19.
|
メインメニューキー
ファンクションを切り替える場合など、メインメニュー画面に戻るときに押します。
|

|
1.
|
節電キー
本製品を節電モード/スリープ状態にしたり、解除したりするときに押します。本製品が節電モード/スリープ状態に入るとボタンが点灯し、解除されると消灯します。
節電キーを押したときの動作モードについては、「節電キー押下時の動作モードを設定する」を参照してください。
オートスリープについては、「節電キーについて」を参照してください。
|
|
2.
|
USB差込口
USBメモリーを装着するときに使用します。
|
|
3.
|
設定/登録キー
各種の登録や機能の設定をするときに押します。
|
|
4.
|
カウンター確認キー
タッチパネルディスプレーにコピーやプリントの総枚数を表示するときに押します。
|
|
5.
|
クリアキー
入力した数字や文字を取り消すときに押します。
|
|
6.
|
ストップキー
読み込みジョブ、コピージョブ、ファクスジョブ(読み込みのみ)などの進行中の動作を止めるときに押します。
|
|
7.
|
スタートキー
動作(読み込み)を開始するときに押します。
|
|
8.
|
操作ペン
文字入力などタッチパネルディスプレーを操作するときに使用します。操作ペンを紛失した場合は、担当サービスにお問い合わせください。タッチパネルをシャープペンシルやボールペンなど先のとがったもので押さないでください。
|
|
9.
|
主電源ランプ
本体主電源が入っているときは点灯、切ってあるときは消灯しています。 |
|
10.
|
エラーランプ
本製品にトラブルが発生したときに点滅または点灯します。点滅の場合はタッチパネルディスプレーに表示されるメッセージに従ってトラブルの対処をしてください。エラーランプが赤色に点灯し続ける場合は担当サービスへ連絡してください。
|
|
11.
|
実行/メモリーランプ
本製品が動作中は緑色に点滅します。待機中のジョブやメモリー受信文書があるときは緑色に点灯します。
|
|
12.
|
リセットキー
設定したモードを標準モードに戻すときに押します。
|
|
13.
|
ID(認証)キー
部門別ID管理やSSO-Hなどのログインサービスを使用している場合、ログイン/ログアウトするときに押します。
|
|
14.
|
テンキー
数値を入力するときに押します。
|
|
15.
|
タッチパネルディスプレー
各機能の設定画面が表示されます。初期設定では8個のファンクションキーが表示されます。
|
|
16.
|
輝度調整ダイヤル
画面の明るさを調整します。
|
|
17.
|
音量調整キー
ファクス送信・受信のアラーム音量や通信音量などの調整画面を表示させたいときに押します。
|
|
18.
|
状況確認/中止キー
ジョブ状況の確認、プリントの中止などを行うときに押します。また、用紙の残量など本製品の状況を確認するときに押します。
|
|
19.
|
カスタムメニューキー
カスタムメニューとして登録した、よく使用する機能の設定を呼び出すときに押します。また、認証機能を使用している場合には、ユーザーごとに設定したカスタムメニュー画面を表示させることができます。(→カスタムメニュー)
|
|
20.
|
メインメニューキー
ファンクションを切り替える場合など、メインメニュー画面に戻るときに押します。
|
|
メモ
|
|
本製品に装着するオプションの詳細については、「オプション/ソフトウェアについて」を参照してください。
|