

|
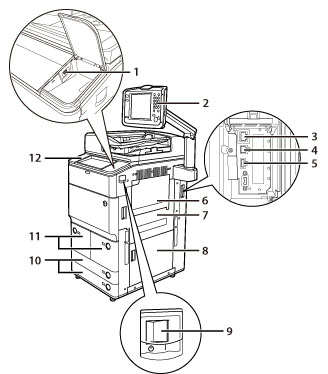
1.
|
Port USB (1)
Utiliser le port USB pour connecter un périphérique USB.
|
|
2.
|
Panneau de commande
Comprend les touches, l'afficheur tactile et les voyants requis pour la manipulation de la machine. (Voir "Panneau de commande".)
|
|
3.
|
Port LAN
Utilisez un câble LAN pour connecter la machine au réseau.
|
|
4.
|
Connecteur USB
Utilisez un câble USB pour connecter la machine à un ordinateur.
|
|
5.
|
Port USB (2)
Utiliser le port USB pour connecter des disques durs externes et d'autres périphériques à la machine.
|
|
6.
|
Plateau multifonctions
A utiliser pour alimenter le papier manuellement et charger du papier au format non standard. (Voir "Chargement du papier dans le plateau multifonctions".)
|
|
7.
|
Capot supérieur droit de la machine
A ouvrir pour dégager le papier en cas de bourrage dans la machine. (Voir "Elimination des bourrages papier".)
|
|
8.
|
Capot inférieur droit de la machine
A ouvrir pour dégager le papier en cas de bourrage dans la machine. (Voir "Elimination des bourrages papier".)
|
|
9.
|
Interrupteur principal
Le positionner sur "I" pour mettre la machine sous tension. (Voir "Interrupteur principal et touche d'économie d'énergie".)
|
|
10.
|
Cassettes 3, 4
Peuvent contenir environ 550 feuilles de papier (80 g/m2) ou 680 feuilles de papier (64 g/m2).
|
|
11.
|
Cassettes 1, 2 (Droit/Gauche)
Peuvent contenir environ 1 500 feuilles de papier (80 g/m2) ou 1 700 feuilles de papier (64 g/m2).
|
|
12.
|
Port de périphérique USB
Pour ajouter deux ports USB.
|
|
13.
|
LIGNE 2
Utilisez ce port pour connecter le Kit FAX bi-ligne à la machine.
|
|
14.
|
LIGNE 1
Utilisez ce port pour connecter une ligne de fax à la machine.
|
|
15.
|
Disjoncteur
Détecte une surtension ou le courant de fuite.
|
|
16.
|
Bouton de test
Appuyer sur ce bouton pour tester le disjoncteur.
|
|
REMARQUE
|
|
Le Kit FAX bi-ligne est un produit en option. Pour plus d'informations, voir "Configuration du système".
Pour plus d'informations sur les produits en option nécessaires pour utiliser la fonction de fax, voir "Produits en option requis pour chaque fonction".
|

|
1.
|
Capot de remplacement du toner
Ouvrir pour remplacer la cartouche de toner.
|
|
2.
|
Capot avant
A ouvrir pour dégager le papier en cas de bourrage dans l'ensemble de transport de fixation. (Voir "Elimination des bourrages papier".)
|
|
3.
|
Ensemble de transport de fixation
Tirer l'ensemble de transport de fixation pour supprimer un bourrage de papier. (Voir "Elimination des bourrages papier".)
|

|
1.
|
Témoin Traitement/Données
Lumière verte qui clignote lorsque la machine effectue des opérations et qui est statique lorsque des données de télécopie sont stockées dans la mémoire.
|
|
2.
|
Témoin d'erreur
Clignote ou reste allumé lorsqu'une erreur a été détectée dans la machine. Lorsque ce témoin clignote, suivre les instructions s'affichant sur l'afficheur tactile. Lorsque ce témoin s'allume en rouge, contacter le revendeur agréé Canon local.
|
|
3.
|
Touche Réglages/Enregistrement
Appuyer sur cette touche pour indiquer les réglages/l'enregistrement.
|
|
4.
|
Touche d'économie d'énergie
Appuyer pour activer ou désactiver le mode Veille. S'allume lorsque la machine est en mode Economie d'énergie/Veille. Pour plus d'informations sur le mode activé après l'appui sur , voir "Changement des modes activés après l'appui sur la touche d'économie d'énergie". Pour plus d'informations sur le mode Mise en veille automatique, voir "Interrupteur principal et touche d'économie d'énergie". |
|
5.
|
Touche de vérification du compteur
Appuyer sur cette touche pour afficher le nombre total de copies et d'impressions sur l'afficheur tactile.
|
|
6.
|
Touches numériques
Appuyer sur ces touches pour saisir des valeurs numériques.
|
|
7.
|
Touche Correction
Appuyer sur cette touche pour effacer les erreurs de saisie.
|
|
8.
|
Témoin d'alimentation
S'allume lorsque la machine est sous tension.
|
|
9.
|
Styleur
Permet d'effectuer des manipulations sur l'afficheur tactile, par exemple saisir des caractères. En cas de perte du styleur, contacter le revendeur agréé Canon local. Ne pas utiliser un objet pointu sur le panneau de commande (un stylo ou un crayon par exemple) au lieu du styleur.
|
|
10.
|
Touche Arrêt
Appuyer sur cette touche pour arrêter une tâche en cours, telle qu'une lecture, une copie ou un fax (lecture uniquement).
|
|
11.
|
Touche Copie
Appuyer sur cette touche pour commencer une opération.
|
|
12.
|
Touche Restauration
Appuyer sur cette touche pour rétablir les réglages standard de la machine.
|
|
13.
|
Touche Code confidentiel (Log In/Out)
Appuyer sur cette touche pour se connecter/déconnecter lorsqu'un service de connexion comme la gestion des numéros de service ou SSO-H a été défini.
|
|
14.
|
Afficheur tactile
Affiche les écrans de réglage pour chaque fonction. Par défaut, huit touches de fonction sont affichées.
|
|
15.
|
Molette de réglage de la luminosité
Permet de régler la luminosité de l'afficheur tactile.
|
|
16.
|
Touche Réglages volume
Appuyer sur cette touche pour configurer des réglages comme le volume des transmissions et le volume des alertes émises en cas d'envoi ou de réception d'un fax.
|
|
17.
|
Touche Suivi statut/Annulation
Appuyer sur cette touche pour vérifier le statut des tâches ou pour annuler des tâches d'impression. Il est également possible de vérifier le statut de la machine, notamment la quantité restante de papier dans la source papier.
|
|
18.
|
Touche Menu rapide
Pour afficher les fonctions favorites mémorisées dans le Menu rapide. En outre, avec l'authentification, un jeu de Menu rapide pour chaque utilisateur peut être affiché. (Voir "Menu rapide".)
|
|
19.
|
Touche Menu principal
Appuyer sur cette touche pour revenir à l'écran du Menu principal, pour changer de fonctions par exemple.
|
|
REMARQUE
|
|
Pour plus d'informations sur les produits en option pouvant être installés sur cette machine, voir "Produits en option/Logiciels".
|