

|
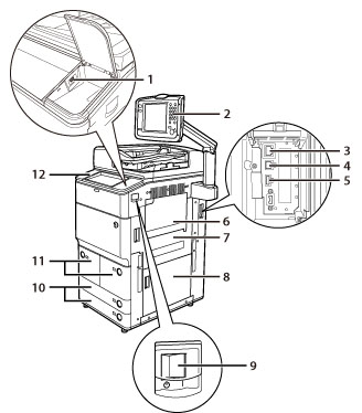
1.
|
Puerto USB (1)
Utilice el puerto USB para conectar a un dispositivo USB.
|
|
2.
|
Panel de control
Incluye las teclas, la pantalla táctil y los indicadores necesarios para utilizar el equipo. (Consulte "Secciones y funciones del panel de control".)
|
|
3.
|
Puerto LAN
Utilice un cable LAN para conectar el equipo a una red.
|
|
4.
|
Conector USB
Utilice un cable USB para conectar el equipo a un ordenador.
|
|
5.
|
Puerto USB (2)
Utilice el puerto USB para conectar un disco duro externo y otros dispositivos al equipo.
|
|
6.
|
Bandeja multiuso
Utilice la bandeja multiuso para alimentar manualmente el papel y para cargar papel de tamaño no estándar. (Consulte "Cargar papel en la bandeja multiuso".)
|
|
7.
|
Tapa derecha superior de la unidad principal
Abra esta tapa para eliminar atascos de papel de la unidad principal. (Consulte "Eliminar atascos de papel".)
|
|
8.
|
Tapa derecha inferior de la unidad principal
Abra esta tapa para eliminar atascos de papel de la unidad principal. (Consulte "Eliminar atascos de papel".)
|
|
9.
|
Interruptor de alimentación principal
Se pone en la posición "I" para encender el equipo. (Consulte "Alimentación principal y tecla de ahorro de energía".)
|
|
10.
|
Casete 3, 4
Admite un máximo de aproximadamente 550 hojas de papel (80 g/m2) o 680 hojas de papel (64 g/m2).
|
|
11.
|
Casete 1, 2 (derecho/izquierdo)
Admite un máximo de aproximadamente 1.500 hojas de papel (80 g/m2) o 1.700 hojas de papel (64 g/m2).
|
|
12.
|
Puerto de dispositivo USB
Agregue puerto USB 2.
|
|
13.
|
LÍNEA 2
Utilice este puerto para conectar la Tarjeta de Fax Súper G3 2ª Línea al equipo.
|
|
14.
|
LÍNEA 1
Utilice este puerto para conectar una línea de fax al equipo.
|
|
15.
|
Interruptor diferencial
Detecta el exceso o la fuga de corriente.
|
|
16.
|
Botón de prueba
Pulse este botón para probar el interruptor diferencial.
|
|
NOTA
|
|
La Tarjeta de Fax Súper G3 2ª Línea es un producto opcional. Para más información, consulte "Configuración del sistema".
Para información acerca de los productos opcionales requeridos para utilizar la función de fax, consulte "Productos opcionales necesarios para cada función".
|

|
1.
|
Tapa de cambio de tóner
Abra esta tapa para cambiar el cartucho de tóner.
|
|
2.
|
Tapa frontal
Abra esta tapa para eliminar atascos de papel en la unidad de transporte de fijación. (Consulte "Eliminar atascos de papel".)
|
|
3.
|
Unidad de transporte de fijación
Extraiga la unidad de transporte de fijación para eliminar atascos de papel. (Consulte "Eliminar atascos de papel".)
|

|
1.
|
Indicador Procesando/datos
Parpadea en color verde cuando el equipo está realizando operaciones, y queda iluminado fijo en color verde cuando hay datos de fax almacenados en memoria.
|
|
2.
|
Indicador de error
Parpadea o se ilumina cuando hay algún error en el equipo. Cuando parpadee el indicador Error, siga las instrucciones que aparezcan en la pantalla táctil. Cuando el indicador Error permanezca iluminado en rojo, póngase en contacto con su distribuidor de Canon autorizado.
|
|
3.
|
Tecla de Configuración
Se pulsa para especificar la configuración.
|
|
4.
|
Tecla de Ahorro de energía
Se pulsa para establecer o cancelar el modo de ahorro de energía/reposo. Se ilumina cuando el equipo entra en el modo de ahorro de energía/reposo. Para más información sobre el modo que se activa después de pulsar , consulte "Cambiar modos activados después de pulsar la tecla de ahorro de energía". Para más información sobre el modo de autorreposo, consulte "Alimentación principal y tecla de ahorro de energía". |
|
5.
|
Tecla Comprobar contador
Se pulsa para ver el número total de copias e impresiones en la pantalla táctil.
|
|
6.
|
Teclas numéricas
Se pulsan para introducir valores numéricos.
|
|
7.
|
Tecla Borrar
Se pulsa para borrar valores o caracteres introducidos.
|
|
8.
|
Indicador de alimentación principal
Se ilumina cuando el equipo está encendido.
|
|
9.
|
Lápiz editor
Se utiliza para realizar operaciones en la pantalla táctil, tales como introducir caracteres. Si pierde el lápiz editor, póngase en contacto con su distribuidor de Canon autorizado. No utilice un objeto con extremo puntiagudo en el panel de control, como un lápiz o un bolígrafo, en lugar el lápiz editor.
|
|
10.
|
Tecla Detener
Se pulsa para detener un trabajo en curso, como un trabajo de lectura, copia, o fax (lectura solamente).
|
|
11.
|
Tecla Inicio
Se pulsa para iniciar una operación.
|
|
12.
|
Tecla Reiniciar
Se pulsa para restaurar las opciones estándar del equipo.
|
|
13.
|
Tecla ID (Log In/Out)
Se pulsa para iniciar o finalizar una sesión cuando se ha establecido un servicio de inicio de sesión como Gestión de ID de departamentos o SSO-H.
|
|
14.
|
Pantalla táctil
En ella aparece la pantalla de opciones de cada función. De forma predeterminada, aparecen ocho teclas de función.
|
|
15.
|
Mando de ajuste de luminosidad
Se utiliza para ajustar la luminosidad de la pantalla táctil.
|
|
16.
|
Tecla de ajuste del volumen
Se pulsa para mostrar la pantalla para ajustar opciones, tales como el volumen de transmisión y el volumen de alarma de envío y recepción de fax.
|
|
17.
|
Tecla de monitor de estado/cancelar
Se pulsa para comprobar el estado de los trabajos o para cancelar trabajos de impresión. Se pulsa también para comprobar el estado del equipo, como la cantidad de papel restante.
|
|
18.
|
Tecla de menú rápido
Se pulsa para recuperar funciones favoritas guardadas en el menú rápido. Además, si está utilizando autenticación, podrá mostrarse el menú rápido establecido para cada usuario individual. (Consulte "Menú rápido".)
|
|
19.
|
Tecla de menú principal
Se pulsa para volver a la pantalla Menú principal para, por ejemplo, cambiar funciones.
|
|
NOTA
|
|
Para más información acerca de los productos opcionales que se pueden instalar en el equipo, consulte "Productos opcionales/Software".
|