
|
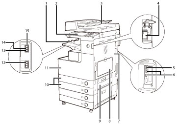
1.
|
Output Tray
Prints and copies are output to this tray.
|
|
2.
|
Control Panel
Includes the keys, touch panel display, and indicators required for operating the machine. (See "Control Panel Parts and Functions.")
|
|
3.
|
Feeder*
Originals placed in the feeder are fed one sheet at a time to the platen glass for scanning.
|
|
4.
|
Main Power Switch
Press to the "I" side to turn the power ON. (See "Main Power and Energy Saver Key.")
|
|
5.
|
LAN Port (Ethernet Port)
Use an Ethernet cable to connect the machine to a network. |
|
6.
|
USB Port
Use the USB port to connect external hard disks and other devices to the machine. You can also connect the machine to a network using a USB cable. |
|
7.
|
Right Cover of the Main Unit
Open this cover when clearing a paper jam inside the main unit. (See "Clearing Paper Jams.")
|
|
8.
|
Multi-Purpose Tray
Use the multi-purpose tray to feed paper manually, and for loading nonstandard paper stock, such as envelopes. (See "Loading Paper into the Multi-Purpose Tray.")
|
|
9.
|
Paper Drawer's Upper Right Cover
Open this cover when clearing a paper jam inside the main unit. (See "Clearing Paper Jams.")
|
|
10.
|
Paper Drawer 1/Paper Drawer 2
Holds up to 550 sheets or paper (21 lb bond (80 g/m2)).
|
|
11.
|
Front Cover of the Main Unit
Open this cover when replacing the waste toner container.
|
|
12.
|
LINE 1
Use this port to connect a fax line to the machine.
|
|
13.
|
LINE 2
Use this port to connect the Super G3 2nd Line Fax Board to the machine.
|
|
14.
|
LINE 3
Use this port to connect the Super G3 3rd/4th Line Fax Board to the machine.
|
|
15.
|
LINE 4
Use this port to connect the Super G3 3rd/4th Line Fax Board to the machine.
|
|
NOTE
|
|
The Super G3 3rd/4th Line Fax Board and Super G3 2nd Line Fax Board are optional products. For more information, see "System Configuration."
For information on the optional products required to use the fax function, see "Optional Products Required for Each Function."
|

|
1.
|
Platen Glass
Use the platen glass when scanning books, thick originals, thin originals, transparencies, etc.
|
|
2.
|
Upper Cover of the Fixing Unit
Open this cover to clear a paper jam in the fixing unit. (See "Clearing Paper Jams.")
|
|
3.
|
Waste Toner Container
Waste toner accumulates here. (See "Replacing the Waste Toner Container.")
|
|
4.
|
Toner Replacement Cover
Open this cover to replace the toner cartridge.
|
|
5.
|
Toner Cartridge
When toner runs out, pull out the toner cartridge, and replace it with a new one.
|

|
1.
|
Feeder Cover
Open this cover to remove jammed paper.
|
|
2.
|
Slide Guides
Adjust these guides to match the width of the original.
|
|
3.
|
Original Supply Tray
Originals placed here are automatically fed sheet by sheet to the platen glass. Place originals into this tray with the surface that you want to scan face up.
|
|
4.
|
Original Output Area
Originals that have been scanned from the original supply tray are output into the original output area in the order that they are fed into the feeder.
|
|
5.
|
Original Set Indicator
Lights when originals are placed in the original supply tray.
|

|
1.
|
Energy Saver key
Press to set or cancel the Sleep mode. Lights when the machine enters the Sleep mode. For more information on the Auto Sleep mode, see "Main Power and Energy Saver Key."
|
|
2.
|
USB Port
Use to connect memory media to the machine via USB.
|
|
3.
|
Settings/Registration key
Press to specify settings/registration.
|
|
4.
|
Counter Check key
Press to display the copy and print count totals on the touch panel display.
|
|
5.
|
Clear key
Press to clear entered values or characters.
|
|
6.
|
Stop key
Press to stop a job in progress.
|
|
7.
|
Edit Pen
Use when operating the touch panel display, such as to enter characters.
|
|
8.
|
Start key
Press to start an operation.
|
|
9.
|
Main Power Indicator
Lights when the main power is turned ON.
|
|
10.
|
Error Indicator
Flashes or lights if there is an error in the machine.
|
|
11.
|
Processing/Data Indicator
Flashes or blinks green when the machine is performing operations, and maintains a steady green light when fax data is stored in memory.
|
|
12.
|
Reset key
Press to restore the standard settings of the machine.
|
|
13.
|
ID (Log In/Out) key
Press to log in/out of the machine when a login service is set.
|
|
14.
|
Numeric keys
Press to enter numerical values.
|
|
15.
|
Touch Panel Display
The settings screen for each function is shown on this display.
Eight function keys are displayed by default. |
|
16.
|
Brightness Adjustment Dial
Use to adjust the brightness of the touch panel display.
|
|
17.
|
Volume Settings Key
Press to adjust the fax sending/receiving alarm volume, transmission volume, and other settings.
|
|
18.
|
Status Monitor/Cancel key
Press to check the status of jobs or to cancel print jobs. Also, you can check the status of the machine such as the amount of paper remaining in the paper source.
|
|
19.
|
Quick Menu key
Press to display functions registered in the Quick Menu.
|
|
20.
|
Main Menu key
Press to display the Main Menu screen.
Use each function by selecting it from the Main Menu screen. |
|
NOTE
|
|
For more information on the optional products that can be attached to the machine, see "Optional Products/Software."
|