お好みのレイアウトでコピーする

倍率を変える(倍率)

原稿から拡大/縮小してコピーします。自動で倍率を計算させることもできます。
基本的な倍率変更をする
決められた用紙サイズに拡大/縮小する(定型変倍)
定形サイズの原稿から定形サイズの用紙に拡大/縮小できます。
1%単位で倍率を指定して拡大/縮小する(ズーム変倍)
1%きざみに任意の倍率を設定できます。倍率はタテ/ヨコ同率です。
指定した用紙のサイズにあわせて自動的に倍率を設定する(自動)
指定した用紙サイズにあわせて、自動的に原稿を拡大/縮小してコピーできます。倍率はタテ/ヨコ同率です。
画像が欠けないように少しだけ縮小してコピーする(少し小さめ(全面コピー))
原稿と同じサイズの用紙に等倍でコピーするとき、自動的にコピー画像を少しだけ縮小して画像欠けをなくします。
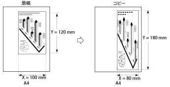
ミリ(mm)単位で指定して拡大/縮小する(長さで指定)
タテ/ヨコ同じ倍率で指定する(XY 同率)
タテ(Y)とヨコ(X)を同じ倍率で指定します。
タテ/ヨコ違う倍率で指定する(XY 独立)
タテ(Y)とヨコ(X)を違う倍率で指定します。
タテ倍率とヨコ倍率を指定して拡大/縮小する(XY独立ズーム)
マニュアルで倍率を指定する(XY 独立ズーム)
% でタテ/ヨコ違う倍率を指定します。
自動で倍率を指定する(XY 独立自動)
選択した用紙サイズに合わせてタテ/ヨコ違う倍率が自動的に設定されます。
拡大するサイズに合わせて画像を分割してコピーする(ポスター)
拡大した画像の出力サイズがA3サイズより大きくなるとき、拡大した画像を複数に分けて出力します。出力した複数の用紙を貼りあわせることで、A3サイズより大きいコピーを作ります。

コピーする用紙を選択する(用紙選択)

コピーする用紙のサイズや種類を選択できます。手差しトレイから給紙することもできます。

ブック原稿を左右(2枚)に分けてコピーする(見開き→2ページ)

本の見開きページを1ページごとにコピーできます。右開きか左開きを指定して、ページ順にコピーします。

両面にコピーする(両面)

片面の原稿を両面、両面の原稿をそのまま両面または片面ずつに分けるなど、いろいろな両面コピーができます。
片面原稿を用紙の両面にコピーする(片面→両面)
2枚の片面原稿を、1枚の用紙の表裏に両面コピーします。
両面原稿から用紙の両面にコピーする(両面→両面)
両面原稿を1枚の用紙の表裏に両面コピーします。フィーダーに原稿をセットすると、原稿が自動的に反転します。
両面原稿から用紙の片面にコピーする(両面→片面)*
フィーダーにセットした両面原稿を別べつの用紙に片面コピーします。
ブック原稿から用紙の両面にコピーする(見開き→両面)
ブック原稿の左右または、表裏ページを1枚の用紙の表裏にコピーします。
左右ページ両面
左右ページの原稿を用紙の表裏にコピーします。
表裏ページ両面
表裏ページの原稿を用紙の表裏にコピーします。

数枚の原稿や両面原稿などを1枚分の用紙サイズに縮小する(ページ集約)

複数の原稿を1ページに合わせてコピーできます。指定した記録サイズに自動で縮小して収めます。
2 in 1
2枚の原稿や1枚の両面原稿を片面1枚分の用紙サイズに縮小します。
4 in 1
4枚の原稿や2枚の両面原稿を片面1枚分の用紙サイズに縮小します。
8 in 1
8枚の原稿や4枚の両面原稿を片面1枚分の用紙サイズに縮小します。

原稿/画像の位置を移動してコピーする(移動)

原稿のコピー位置を指定することができます。ミリ単位でも位置指定が可能です。
センター/コーナーに移動してコピーする
テンキーで入力した位置に移動してコピーする

とじしろをつけてコピーする(とじしろ)

とじしろをとってコピーします。とじ方向に合わせて、とじしろの位置を決めます。

原稿の画像を繰り返してコピーする(イメージリピート)

原稿を1ページ内に繰り返してコピーできます。
自動で指定する
原稿の画像を、用紙がいっぱいになるまで繰り返しコピーします。
マニュアルで指定する
回数を指定して用紙に入る分だけ繰り返しコピーします。

原稿の画像を左右に反転してコピーする(鏡像)

原稿を左右反転させてコピーできます。

*:この機能を使用するために必要なオプションについては、「各機能に必要なオプション」を参照してください。