Regolazione della posizione di stampa
Se la stampa di un documento non è centrata o non rientra nell'intervallo stampabile, regolare la posizione di stampa. È possibile regolare la posizione di stampa per ciascuna alimentazione carta.
Passo 1: stampa dell'attuale posizione di stampa
È possibile stampare la "Pagina di regolazione della posizione di stampa" per verificare la direzione e la distanza da regolare.
|
|
Quando si vuole controllare la posizione di stampa per la stampa fronte-retro, impostare preventivamente <Stampa fronte/retro> su <Attivato> nel menu delle impostazioni del pannello operativo. Stampa fronte/retro
|
1
Premere

(

).
2
Utilizzare

/

per selezionare <Alimentazione carta>, quindi premere

.
3
Selezionare l'alimentazione carta per la quale si vuole verificare la posizione di stampa, quindi premere

.
4
Premere

(

).
La schermata torna alla schermata principale.
5
Premere

(

).
6
Selezionare <Stampa posiz. stampa>, quindi premere

.
7
Selezionare <Sì>, quindi premere

.
Viene stampata una pagina per la regolazione della posizione di stampa.
Passo 2: controllo della direzione e della distanza da regolare
Quando si stampa la "Pagina di regolazione della posizione di stampa", vengono stampati i contrassegni della posizione di stampa

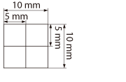
. Stabilire la direzione e la distanza da regolare sulla base di tali contrassegni. Quando la posizione di stampa è normale, tutti i contrassegni vengono stampati in una posizione distante 5 mm dal bordo più vicino della carta.
Come consultare le pagine per la regolazione della posizione di stampa
Il bordo della carta che esce per primo dalla macchina è la parte alta della Pagina per la regolazione della posizione di stampa. Quando si controlla la posizione di stampa, verificare quale bordo della carta è quello superiore.
|
|
|
La dimensione del contrassegno  per controllare la posizione di stampa è quella mostrata nell'illustrazione qui sotto.
|
Quando la posizione di stampa non è centrata
Quando i contrassegni della posizione di stampa si trovano all'esterno della posizione corretta, occorre regolare la posizione di stampa. Quando si regola la posizione di stampa, specificare la direzione usando "+" e "-" e specificare la distanza usando "mm". Usare "-" per spostare la posizione di stampa verso l'alto e "+" per spostarla verso il basso (correzione della posizione verticale). Usare "-" per spostare la posizione di stampa verso sinistra e "+" per spostarla verso destra (correzione della posizione orizzontale).
|
Direzione verticale (<Scostamento Y>)
|
Direzione orizzontale (<Scostamento X>)
|
Nell'esempio qui sotto, per spostare la posizione di stampa 5 mm verso l'alto e 1,7 mm verso destra, si imposta "-5,0 mm" in <Scostamento Y> e si imposta "+1,70 mm" in <Scostamento X>.
Passo 3: regolazione della posizione di stampa per ciascuna alimentazione carta
Dopo aver verificare la direzione e la distanza da regolare, specificare una posizione di stampa regolata. È possibile regolare la posizione di stampa nell'intervallo da Da -5,0 a +5,0 mm con incrementi di 0,1 mm in entrambe le direzioni: verticale e orizzontale.
1
Impostare la macchina su offline.
Quando si illumina

(

), premere

(

).
2
Premere

(

).
3
Utilizzare

/

per selezionare <Manutenzione utente>, quindi premere

.
4
Selezionare <Reg. posiz. stampa>, quindi premere

.
5
Selezionare la combinazione di direzione da regolare e alimentazione carta, quindi premere

.
È possibile usare <Scost. Y (Fr./retro)> e <Scost. X (Fr./retro)> per regolare la posizione di stampa nella prima pagina (lato anteriore) nella stampa fronte/retro, indipendentemente dall'alimentazione carta.
La posizione di stampa sulla seconda pagina (lato posteriore) segue le impostazioni dell'alimentazione carta disponibile. Ad esempio, la posizione di stampa verticale per la stampa fronte/retro dal vassoio multiuso viene regolata come mostrato qui sotto.
|
Prima pagina (lato anteriore)
|
Valore dell'impostazione <Scost. Y (Fr./retro)>
|
|
Seconda pagina (lato posteriore)
|
Valore dell'impostazione <Scost. Y (Vas.mult.)>
|
6
Selezionare un valore, quindi premere

.
In base alla Pagina di regolazione della posizione di stampa, usare

/

per inserire un valore.
Per regolare un'altra posizione o un'altra alimentazione carta, ripetere i passi 5 e 6.
7
Premere

(

).
La schermata torna alla schermata principale.
8
Premere di nuovo

(

).
La macchina diventa online.
9
Stampare la Pagina di regolazione della posizione di stampa e verificare la posizione di stampa regolata sulla pagina stampata.
Passo 1: stampa dell'attuale posizione di stampa
|
Regolazione di tutte le posizioni di stampa
|
È possibile usare <Scostamento Y> e <Scostamento X> nel menu delle impostazioni del pannello operativo per regolare le posizioni di stampa per tutti i tipi di stampa, indipendentemente dall'alimentazione carta. È possibile regolare la posizione di stampa nell'intervallo Da -50,0 a +50,0 mm con incrementi di 0,5 mm in entrambe le direzioni: verticale e orizzontale. Scostamento Y/Scostamento X
|