Justera utskriftspositionen
Om ett dokument skrivs ut förskjutet eller utanför utskriftsområdet ska du justera utskriftspositionen. Du kan justera utskriftspositionen för respektive papperskälla.
Steg 1: Skriva ut den aktuella utskriftspositionen
Du kan använda "Utskrift av justering av utskriftsplacering" när du vill kontrollera riktningen och avståndet för justeringen.
|
|
När du vill kontrollera utskriftsplaceringen för dubbelsidig utskrift anger du först <2-sidig utskrift> till <På> på kontrollpanelens inställningsmeny. 2-sidig utskrift
|
1
Tryck på

(

).
2
Använd

/

för att välja <Papperskälla> och tryck på

.
3
Välj den papperskälla som du vill kontrollera utskriftsplaceringen för och tryck på

.
4
Tryck på

(

).
Skärmen återgår till huvudskärmen.
5
Tryck på

(

).
6
Välj <Skriv ut utskr. pos.> och tryck på

.
7
Välj <Ja> och tryck på

.
En utskrift för justering av utskriftsplacering skrivs ut.
Steg 2: Kontrollera riktning och avstånd för justeringen
När Utskrift av justering av utskriftsplacering utförs skrivs kontrollmarkeringarna

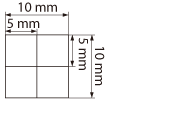
för utskriftsplaceringen ut. Bestäm riktning och storlek på justeringen med hjälp av dessa markeringar. När utskriftsplaceringen är normal skrivs alla markeringar ut på ett avstånd av 5 mm från den närmaste papperskanten.
Så här kontrollerar du utskrifter av justering av utskriftsplacering
Den först utmatade papperskanten visas överst på Utskrift av justering av utskriftsplacering. När du kontrollerar utskriftsplaceringen ska du observera vilken papperskant som visas överst.
|
|
|
Storleken på markeringen  för att kontrollera utskriftsplaceringen visas på bilden nedan.
|
När utskriftsplaceringen är förskjuten
När kontrollmarkeringarna för utskriftspositionen inte är centrerade behöver du justera utskriftsplaceringen. När du justerar utskriftsplaceringen anger du riktning med hjälp av "+" och "-" och avstånd med "mm". Använd "-" för att flytta utskriftsplaceringen uppåt och "+" nedåt (vertikal justering av placeringen). Använd "-" när du vill flytta utskriftsplaceringen åt vänster och "+" åt höger (horisontell justering av placeringen).
|
Vertikal riktning(<Förskjut Y>)
|
Horisontell riktning (<Förskjut X>)
|
I exemplet nedan visas hur utskriftsplaceringen flyttas 5 mm uppåt och 1,7 mm åt höger genom att "-5,0 mm" anges i <Förskjut Y> och "+1,70 mm" anges i <Förskjut X>.
Steg 3: Justera utskriftsplaceringen för respektive papperskälla
När du har bekräftat riktning och avstånd för justeringen anger du en justerad utskriftsplacering. Du kan justera utskriftsplaceringen i intervallet -5,0 till +5,0 mm i steg om 0,1 mm i vardera riktningen: vertikalt och horisontellt.
1
Aktivera enhetens offline-läge.
Tryck på

(

) när

(

) lyser.
2
Tryck på

(

).
3
Använd

/

för att välja <Användarunderhåll> och tryck på

.
4
Välj <Angr. Utskriftspos.> och tryck på

.
5
Välj kombinationen av justeringsriktning och papperskälla och tryck på

.
Du kan använda <Förskjut Y (2-sidig)> och <Förskjut X (2-sidig)> för att justera utskriftsplaceringen på första sidan (framsidan) vid dubbelsidig utskrift oavsett papperskälla.
Utskriftsplaceringen för andra sidan (baksidan) vid dubbelsidig utskrift följer inställningarna för den tillgängliga papperskällan. Den vertikala utskriftsplaceringen vid dubbelsidig utskrift från multiutmatningsfacket justeras t.ex. så som visas nedan.
|
Första sidan (framsidan)
|
<Förskjut Y (2-sidig)> inställningsvärde
|
|
Andra sidan (baksidan)
|
<Förskj. Y (UNI-fack)> inställningsvärde
|
6
Ange ett värde och tryck på

.
Använd

/

för att ange ett värde baserat på Utskrift av justering av utskriftsplacering.
Om du vill ändra en annan placering eller papperskälla upprepar du steg 5 och 6.
7
Tryck på

(

).
Skärmen återgår till huvudskärmen.
8
Tryck på

(

) igen.
Enhetens online-läge aktiveras.
9
Gör en Utskrift av justering av utskriftsplacering och kontrollera den justerade utskriftsplaceringen på utskriften.
Steg 1: Skriva ut den aktuella utskriftspositionen
|
Justera alla utskriftsplaceringar
|
Du kan använda <Förskjut Y> och <Förskjut X> på kontrollpanelens inställningsmeny för att justera utskriftsplaceringar för alla typer av utskrifter oavsett papperskälla. Du kan justera utskriftsplaceringen i intervallet -50,0 till +50,0 mm i steg om 0,5 mm i vardera riktningen: vertikalt och horisontellt. Förskjut Y/Förskjut X
|