A nyomtatási pozíció beállítása
Ha egy kinyomtatott dokumentum nincs középen, vagy lelóg a nyomtatható területről, állítsa be a nyomtatási pozíciót. A nyomtatási pozíciót az egyes papírforrásokhoz külön-külön beállíthatja.
1. lépés: Az aktuális nyomtatási pozíció kinyomtatása
Az irány és a távolság beállításának ellenőrzéséhez használhatja a „Nyomtatási pozíció beállításának kinyomtatása” funkciót.
|
|
Amennyiben kétoldalas nyomtatáshoz kívánja ellenőrizni a nyomtatási pozíciót, akkor a kezelőpanel beállítás menüjének <2-oldalas nyomtatás> menüpontját előzetesen állítsa <Be> értékre. 2-oldalas nyomtatás
|
1
Nyomja meg a

(

) gombot.
2
A

/

gombokkal válassza ki a <Papírforrás> lehetőséget, és nyomja meg az

gombot.
3
Válassza ki azt a papírforrást, amelynek nyomtatási pozícióját ellenőrizni kívánja, majd nyomja meg az

gombot.
4
Nyomja meg a

(

) gombot.
A képernyő visszavált a főképernyőre.
5
Nyomja meg a

(

) gombot.
6
Válassza ki a <Nyomt.helyzet nyomt.> lehetőséget, és nyomja meg az

gombot.
7
Válassza ki a <Igen> lehetőséget, és nyomja meg az

gombot.
A készülék kinyomtat egy nyomatot a nyomtatási pozíció beállításáról.
2. lépés: Az irány és a távolság ellenőrzése a beállításhoz
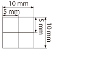
A nyomtatási pozíció beállításának kinyomtatásakor a nyomaton megjelennek a nyomtatási pozíció ellenőrző jelei

. E jelek alapján határozza meg a beállítandó irányt és távolságot. Normál nyomtatási pozíció esetén valamennyi jel a papír legközelebb eső szélétől 5 mm távolságra helyezkedik el.
A nyomtatási pozíció beállításáról készült nyomatok ellenőrzése
A nyomtatási pozíció ellenőrzéséről készült nyomat felső széle a papírnak az a széle, amely elsőként jön ki a nyomtatóból. A nyomtatási pozíció ellenőrzésekor győződjön meg arról, hogy a papírnak melyik a felső széle.
|
|
|
A nyomtatási pozíció ellenőrzésére szolgáló jel  mérete az alábbi ábrán látható.
|
Ha a nyomtatási pozíció nem középen helyezkedik el
Amennyiben a nyomtatási pozíció ellenőrző jelei nem a megfelelő pozícióban vannak, akkor be kell állítania a nyomtatási pozíciót. A nyomtatási pozíció beállításához a „+” és a „-” jellel adja meg az irányt, a „mm” lehetőséggel pedig a távolságot. A nyomtatási pozíciót a „-” jellel mozdíthatja felfelé, a „+” jellel pedig lefelé (pozíció függőleges kiigazítása). A nyomtatási pozíciót balra a „-” jellel, jobbra pedig a „+” jellel mozgathatja (pozíció vízszintes kiigazítása).
|
Függőleges irány (<Y eltolás>)
|
Vízszintes irány (<X eltolás>)
|
Az alábbi példában a nyomtatási pozíció 5 mm -es felfelé és 1,7 mm -es lefelé mozgatásához a „-5,0 mm” értéket adtuk meg a <Y eltolás> beállításban, és a „+1,70 mm” értéket a <X eltolás> beállításban.
3. lépés: Nyomtatási pozíció beállítása az egyes papírforrásokhoz
Miután megerősítette a módosítandó irányt és távolságot, állítsa be az új nyomtatási pozíciót. A nyomtatási pozíciót függőleges és vízszintes irányban is -5,0 – +5,0 mm közötti tartományban állíthatja, 0,1 mm -es lépésenként.
1
Állítsa a készüléket offline állapotba.
Ha a

(

) jelzőfény világít, akkor nyomja meg a

(

) gombot.
2
Nyomja meg a

(

) gombot.
3
A

/

gombokkal válassza ki a <Használói karbant.> lehetőséget, és nyomja meg az

gombot.
4
Válassza ki a <Nyomt.helyzet beáll.> lehetőséget, és nyomja meg az

gombot.
5
Válassza ki a módosítandó irány és a papírforrás kombinációját, és nyomja meg az

gombot.
Kétoldalas nyomtatási módban az első oldal (előlap) nyomtatási pozíciójának beállításához a papírforrástól függetlenül használhatja a <Y eltolás(2 oldalas)> és a <X eltolás(2 oldalas)> elemet.
Kétoldalas nyomtatás esetén a második oldal (hátoldal) nyomtatási pozíciója az elérhető papírforráshoz megadott beállítások szerint alakul. Például kétoldalas nyomtatásnál a többcélú tálcába helyezett papír függőleges nyomtatási pozíciója az alábbiak szerint kerül beállításra.
|
Első oldal (előlap)
|
<Y eltolás(2 oldalas)> beállítás értéke
|
|
Második oldal (hátlap)
|
<Y eltolás (TC tálca)> beállítás értéke
|
6
Állítsa be a kívánt értéket, majd nyomja meg az

gombot.
A nyomtatási pozíció ellenőrzéséről készült nyomat alapján a

/

gombok használatával adja meg a kívánt értéket.
Egy másik pozíció vagy papírforrás beállításához ismételje meg az 5. és a 6. lépést.
7
Nyomja meg a

(

) gombot.
A képernyő visszavált a főképernyőre.
8
Nyomja meg ismét a

(

) gombot.
A készülék online állapotba kerül.
9
Nyomtassa ki a nyomtatási pozíció beállítását, majd a nyomaton ellenőrizze a módosított nyomtatási pozíciót.
1. lépés: Az aktuális nyomtatási pozíció kinyomtatása
|
Valamennyi nyomtatási pozíció beállítása
|
A kezelőpanel beállítás menüjének <Y eltolás> és <X eltolás> elemével a papírforrástól függetlenül módosíthatja valamennyi nyomtatási típus nyomtatási pozícióját. A nyomtatási pozíciót függőleges és vízszintes irányban is -50,0 – +50,0 mm közötti tartományban, 0,5 mm -es lépésekben állíthatja be. Y eltolás/X eltolás
|