Regolazione della posizione di stampa
Se la stampa di un documento non è centrata o non rientra nell'intervallo stampabile, regolare la posizione di stampa. È possibile regolare la posizione di stampa per ciascuna alimentazione carta.
Passo 1: stampa dell'attuale posizione di stampa
È possibile stampare la "Pagina di regolazione della posizione di stampa" per verificare la direzione e la distanza da regolare.
|
|
Quando si vuole controllare la posizione di stampa per la stampa fronte-retro, impostare preventivamente <Stampa fronte/retro> su <Attivato> nel menu delle impostazioni del pannello operativo. Stampa fronte/retro
|
1
Premere

(

).
2
Utilizzare

/

per selezionare <Alimentazione carta>, quindi premere

.
3
Selezionare l'alimentazione carta per la quale si vuole verificare la posizione di stampa, quindi premere

.
4
Premere

(

).
La schermata torna alla schermata principale.
5
Premere

(

).
6
Selezionare <Stampa posiz. stampa>, quindi premere

.
7
Selezionare <Sì>, quindi premere

.
Viene stampata una pagina per la regolazione della posizione di stampa.
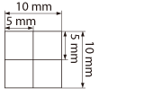
Passo 2: controllo della direzione e della distanza da regolare
Quando si stampa la "Pagina di regolazione della posizione di stampa", vengono stampati i contrassegni della posizione di stampa

. Stabilire la direzione e la distanza da regolare sulla base di tali contrassegni. Quando la posizione di stampa è normale, tutti i contrassegni vengono stampati in una posizione distante 5 mm dal bordo più vicino della carta.
Come consultare le pagine per la regolazione della posizione di stampa
Il bordo della carta che esce per primo dalla macchina è la parte alta della Pagina per la regolazione della posizione di stampa. Quando si controlla la posizione di stampa, verificare quale bordo della carta è quello superiore.
|
|
|
La dimensione del contrassegno  per controllare la posizione di stampa è quella mostrata nell'illustrazione qui sotto.
|
Quando la posizione di stampa non è centrata
Quando i contrassegni della posizione di stampa si trovano all'esterno della posizione corretta, occorre regolare la posizione di stampa. Quando si regola la posizione di stampa, specificare la direzione usando "+" e "-" e specificare la distanza usando "mm". Usare "-" per spostare la posizione di stampa verso l'alto e "+" per spostarla verso il basso (correzione della posizione verticale). Usare "-" per spostare la posizione di stampa verso sinistra e "+" per spostarla verso destra (correzione della posizione orizzontale).
|
Direzione verticale (<Scostamento Y>)
|
Direzione orizzontale (<Scostamento X>)
|
Nell'esempio qui sotto, per spostare la posizione di stampa 5 mm verso l'alto e 1,5 mm verso destra, si imposta "-5,0 mm" in <Scostamento Y> e "+1,50 mm" in <Scostamento X>.
Passo 3: regolazione della posizione di stampa per ciascuna alimentazione carta
Dopo aver verificato la direzione e la distanza da regolare, specificare una posizione di stampa regolata. È possibile regolare la posizione di stampa in direzione verticale nell'intervallo da -5,0 a +5,0 mm con incrementi di 0,1 mm e in direzione orizzontale nell'intervallo da -2,25 a +2,25 mm con incrementi di 0,25 mm.
1
Impostare la macchina su offline.
Quando si illumina

(

), premere

(

).
2
Premere

(

).
3
Utilizzare

/

per selezionare <Manutenzione utente>, quindi premere

.
4
Selezionare <Reg. posiz. stampa>, quindi premere

.
5
Selezionare la combinazione di direzione da regolare e alimentazione carta, quindi premere

.
Per <Scost. X (Fr./retro)>, prima selezionare l'alimentazione della carta e poi regolare la posizione di stampa.
Regolazione posizione di stampa per stampe fronte-retro
<Scost. Y (Fr./retro)> e <Scost. X (Fr./retro)> permette di regolare la posizione di stampa nella prima pagina (lato anteriore). La posizione di stampa sulla seconda pagina (lato posteriore) sarà regolata sulla base delle impostazioni per ogni alimentazione carta.
Un esempio di regolazione della posizione di stampa
|
Prima pagina (lato anteriore)
|
Valore dell'impostazione <Scost. Y (Fr./retro)>
|
|
Seconda pagina (lato posteriore)
|
Valore dell'impostazione <Scost. Y (Vas.mult.)>
|
6
Selezionare un valore, quindi premere

.
In base alla Pagina di regolazione della posizione di stampa, usare

/

per inserire un valore.
Quando si specifica <Scost. Y (Fr./retro)> la posizione di stampa viene regolata dai valori di input per tutte le alimentazioni carta.
Per regolare un'altra posizione o un'altra alimentazione carta, ripetere i passi 5 e 6.
7
Premere

(

).
La schermata torna alla schermata principale.
8
Premere di nuovo

(

).
La macchina diventa online.
9
Stampare la Pagina di regolazione della posizione di stampa e verificare la posizione di stampa regolata sulla pagina stampata.
Passo 1: stampa dell'attuale posizione di stampa
|
Regolazione di tutte le posizioni di stampa
|
È possibile usare <Scostamento Y> e <Scostamento X> nel menu delle impostazioni del pannello operativo per regolare le posizioni di stampa per tutti i tipi di stampa, indipendentemente dall'alimentazione carta. È possibile regolare la posizione di stampa nell'intervallo da -50,0 a +50,0 mm con incrementi di 0,5 mm in entrambe le direzioni: verticale e orizzontale. Scostamento Y/Scostamento X
|