Justera utskriftspositionen
Om ett dokument skrivs ut förskjutet eller utanför utskriftsområdet ska du justera utskriftspositionen. Du kan justera utskriftspositionen för respektive papperskälla.
Steg 1: Skriva ut den aktuella utskriftspositionen
Du kan använda "Utskrift av justering av utskriftsplacering" när du vill kontrollera riktningen och avståndet för justeringen.
|
|
När du vill kontrollera utskriftsplaceringen för dubbelsidig utskrift anger du först <2-sidig utskrift> till <På> på kontrollpanelens inställningsmeny. 2-sidig utskrift
|
1
Tryck på

(

).
2
Använd

/

för att välja <Papperskälla> och tryck på

.
3
Välj den papperskälla som du vill kontrollera utskriftsplaceringen för och tryck på

.
4
Tryck på

(

).
Skärmen återgår till huvudskärmen.
5
Tryck på

(

).
6
Välj <Skriv ut utskr. pos.> och tryck på

.
7
Välj <Ja> och tryck på

.
En utskrift för justering av utskriftsplacering skrivs ut.
Steg 2: Kontrollera riktning och avstånd för justeringen
När Utskrift av justering av utskriftsplacering utförs skrivs kontrollmarkeringarna

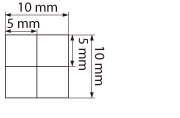
för utskriftsplaceringen ut. Bestäm riktning och storlek på justeringen med hjälp av dessa markeringar. När utskriftsplaceringen är normal skrivs alla markeringar ut på ett avstånd av 5 mm från den närmaste papperskanten.
Så här kontrollerar du utskrifter av justering av utskriftsplacering
Den först utmatade papperskanten visas överst på Utskrift av justering av utskriftsplacering. När du kontrollerar utskriftsplaceringen ska du observera vilken papperskant som visas överst.
|
|
|
Storleken på markeringen  för att kontrollera utskriftsplaceringen visas på bilden nedan.
|
När utskriftsplaceringen är förskjuten
När kontrollmarkeringarna för utskriftspositionen inte är centrerade behöver du justera utskriftsplaceringen. När du justerar utskriftsplaceringen anger du riktning med hjälp av "+" och "-" och avstånd med "mm". Använd "-" för att flytta utskriftsplaceringen uppåt och "+" nedåt (vertikal justering av placeringen). Använd "-" när du vill flytta utskriftsplaceringen åt vänster och "+" åt höger (horisontell justering av placeringen).
|
Vertikal riktning(<Förskjut Y>)
|
Horisontell riktning (<Förskjut X>)
|
I exemplet nedan har "-5,0 mm" angetts till <Förskjut Y> och "+1,50 mm" till <Förskjut X> för att ändra utskriftsplaceringen 5 mm uppåt och 1,5 mm åt höger.
Steg 3: Justera utskriftsplaceringen för respektive papperskälla
När du har bekräftat riktningen och avståndet som ska justeras anger du en justerad utskriftsposition. Du kan justera utskriftspositionen vertikalt inom intervallet -5,0 till +5,0 mm i steg om 0,1 mm och horisontellt inom intervallet -2,25 till +2,25 mm i steg om 0,25 mm.
1
Aktivera enhetens offline-läge.
Tryck på

(

) när

(

) lyser.
2
Tryck på

(

).
3
Använd

/

för att välja <Användarunderhåll> och tryck på

.
4
Välj <Angr. Utskriftspos.> och tryck på

.
5
Välj kombinationen av justeringsriktning och papperskälla och tryck på

.
För <Förskjut X (2-sidig)> väljer du först papperskälla och justerar sedan utskriftspositionen.
Justering av utskriftsposition vid dubbelsidig utskrift
<Förskjut Y (2-sidig)> och <Förskjut X (2-sidig)> används för att justera utskriftspositionen på första sidan (framsidan). Utskriftspositionen på andra sidan (baksidan) justeras enligt de värden som anges för respektive papperskälla.
Exempel på justering av utskriftsposition
|
Första sidan (framsidan)
|
Inställningsvärdet <Förskjut Y (2-sidig)>
|
|
Andra sidan (baksidan)
|
Inställningsvärdet <Förskj. Y (UNI-fack)>
|
6
Ange ett värde och tryck på

.
Använd

/

för att ange ett värde baserat på Utskrift av justering av utskriftsplacering.
När <Förskjut Y (2-sidig)> anges justeras utskriftspositionen med angivet värde för alla papperskällor.
Om du vill ändra en annan placering eller papperskälla upprepar du steg 5 och 6.
7
Tryck på

(

).
Skärmen återgår till huvudskärmen.
8
Tryck på

(

) igen.
Enhetens online-läge aktiveras.
9
Gör en Utskrift av justering av utskriftsplacering och kontrollera den justerade utskriftsplaceringen på utskriften.
Steg 1: Skriva ut den aktuella utskriftspositionen
|
Justera alla utskriftsplaceringar
|
Du kan använda <Förskjut Y> och <Förskjut X> på kontrollpanelens inställningsmeny för att justera utskriftsplaceringar för alla typer av utskrifter oavsett papperskälla. Du kan justera utskriftsplaceringen i intervallet -50,0 till +50,0 mm i steg om 0,5 mm i vardera riktningen: vertikalt och horisontellt. Förskjut Y/Förskjut X
|