Juster utskriftsposisjon
Hvis et dokument ikke skrives ut på midten eller utenfor det utskrivbare området, justerer du utskriftsposisjonen. Du kan justere utskriftsposisjonen for hver papirkilde.
Trinn 1: Skrive ut gjeldende utskriftsposisjon
Du kan "Skrive ut posisjonsjusteringsutskrift" for å kontrollere retningen og avstanden som må justeres.
|
|
Når du ønsker å kontrollere utskriftsposisjonen for tosidet utskrift, stiller du <2-sidig utskrift> til <På> i innstillinger-menyen på betjeningspanelet på forhånd. 2-sidig utskrift
|
1
Trykk på

(

).
2
Bruk

/

til å velge <Papirkilde>, og trykk på

.
3
Velg papirkilden som du vil kontrollere utskriftsposisjonen for, og trykk på

.
4
Trykk på

(

).
Skjermen går tilbake til hovedskjermen.
5
Trykk på

(

).
6
Velg <Utskr. av utskr.pos.>, og trykk på

.
7
Velg <Ja>, og trykk på

.
En utskrift for justering av utskriftsposisjon skrives ut.
Trinn 2: Kontrollere retningen og avstanden som skal justeres
Når du skriver ut en utskrift for justering av utskriftsposisjonen, skrives hakemerker for utskriftsposisjonen

ut. Avgjør retningen og avstanden som må justeres ut ifra di merkene. Når utskriftsposisjonen er normal, skrives alle merkene 5 mm ut i en posisjon fra papirets nærmeste kant.
Hvordan du kontrollerer utskrifter for justering av utskriftsposisjonen
Kanten på papiret som kommer først ut når papiret skrives ut, er øverste del av en utskrift for justering av utskriftsposisjonen. Når du kontrollerer utskriftsposisjonen, må du sørge for at du vet hvilken kant på papiret som er toppen.
|
|
|
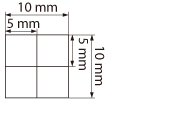
Størrelsen på merket  for kontroll av utskriftsposisjonen vises på bildet nedenfor.
|
Når utskriftsposisjonen ikke er midtstilt
Når hakemerkene for utskriftsposisjonen er i feil posisjon, må du justere utskriftsposisjonen. Når du justerer utskriftsposisjonen, andgir du retningen ved å bruke "+" og "-", og avstanden ved bruk av "mm". Bruk "-" for å justere utskriftsposisjonen oppover og "+" for å justere den nedover (korrigering av vertikal posisjon). Bruk "-" for å justere utskriftsposisjonen mot venstre og "+" for å justere den mot høyre (korrigering av horisontal posisjon).
|
Vertikal retning (<Forskyving Y>)
|
Horisontal retning (<Forskyving X>)
|
For å justere utskriftsposisjonen 5 mm oppover og 1,7 mm nedover i eksempelet nedenfor, er "-5,0 mm" stilt til <Forskyving Y> og "+1,70 mm" er stilt til <Forskyving X>.
Trinn 3: Justere utskriftsposisjonen for hver papirkilde
Etter du har bekreftet retningen og avstanden som må justeres, angir du en justert utskriftsposisjon. Du kan justere utskriftsposisjonen i området -5,0 til +5,0 mm i 0,1 mm trinn i en av retningene: vertikal eller horisontal.
1
Sette maskinen i offline-modus.
Når

(

) lyser, trykker du på

(

).
2
Trykk på

(

).
3
Bruk

/

til å velge <Brukervedlikehold>, og trykk på

.
4
Velg <Tilst. utskriftspos.>, og trykk på

.
5
Velg papirkilde og trykk på

.
Bruk <Felles> til å justere utskriftsstillingen på den første siden (forsiden) ved 2-sidig utskrift, uavhengig av papirkilde.
6
Velg retningen som skal justeres, og trykk så på

.
Justering av utskriftsposisjon for 2-sidig utskrift
<Forsk. Y (tosidig)> og <Forsk. X (tosidig)> lar deg justere utskriftsposisjonen på den første siden (forsiden). Utskriftsposisjonen på den andre siden (baksiden) vil bli justert basert på verdiene som er angitt for hver papirkilde.
Eksempel på justering av utskriftsposisjon
|
Første side (forside)
|
<Forsk. Y (tosidig)> innstillingsverdi
|
|
Andre side (bakside)
|
<Forsk. Y (MB-brett)> innstillingsverdi
|
7
Angi en verdi og trykk på

.
Basert på utskriften for justering av utskriftsposisjon, bruker du

/

for å angi en verdi.
Gjenta trinn 5 og 7 for å justere en annen posisjon eller papirkilde.
8
Trykk på

(

).
Skjermen går tilbake til hovedskjermen.
9
Trykk på

(

) igjen.
Maskinen kobles til.
10
Skriv ut en utskrift for justering av utskrifsposisjon, og kontroller den justerte utskriftsposisjonen på utskriften.
Trinn 1: Skrive ut gjeldende utskriftsposisjon
|
Justere alle utskriftsposisjoner
|
Du kan bruke <Forskyving Y> og <Forskyving X> i innstillinger-menyen på betjeningspanelet for å justere utskriftsposisjoneen for alle typer utskrifter, uavhengig av papirkilden. Du kan justere utskriftsposisjonen i et område på -50,0 til +50,0 mm i 0,5 mm trinn i en av retningene: vertikal og horisontal. Forskyving Y/Forskyving X
|