Ajustar Posição de Impressão
Se um documento é impresso fora de centro ou fora da faixa de impressão, ajuste a posição de impressão. Você pode ajustar a posição de impressão para cada fonte de papel.
Etapa 1: Imprimir a Posição Atual
Você pode executar "Impressão de Ajuste da Posição de Impressão" para verificar a direção e a distância para ajustar.
|
|
Para verificar a posição de impressão para a impressão dos dois lados, defina <Impressão em 2 Lados> como <Ativado> no menu de configuração do painel de operação com antecedência. Impressão em 2 Lados
|
1
Pressione

(

).
2
Use

/

para selecionar <Fonte de Papel> e pressione

.
3
Selecione a fonte de papel para a qual deseja verificar a posição de impressão e pressione

.
4
Pressione

(

).
A tela retorna para a tela principal.
5
Pressione

(

).
6
Selecione <Impr. Pos. Impressão> e pressione

.
7
Selecione <Sim> e pressione

.
Uma impressão de ajuste da posição de impressão é produzida.
Etapa 2: Verificando a direção e distância para ajustar
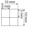
Quando a Impressão de Ajuste de Posição de impressão é realizada, as marcas de verificação da posição de impressão

são impressas. Determine a direção e a distância para ajustar com base nessas marcas. Quando a posição de impressão está normal, todas as marcas são impressas em uma posição 5 mm a partir da borda mais próxima do papel.
Como verificar as impressões de ajuste de posição de impressão
A borda do papel que sai em primeiro lugar quando o papel é produzido é o topo de uma impressão de ajuste de posição de impressão. Quando você verifica a posição de impressão, verifique a borda de papel que está no topo.
|
|
|
O tamanho da marca  de verificação da posição de impressão é mostrado na ilustração abaixo.
|
Quando a posição de impressão está fora do centro
Quando as marcas de verificação da posição de impressão são impressas fora da posição correta, você precisa ajustar a posição de impressão. Para ajustar a posição de impressão, especifique a direção usando "+" e "-" e a distância usando "mm". Use "-" para mover a posição de impressão para cima e "+" para movê-la para baixo (correção de posição vertical). Use "-" para deslocar a posição de impressão para a esquerda e "+" para deslocar a posição de impressão para a direita (correção da posição horizontal).
|
Direção vertical (<Deslocamento Y>)
|
Direção horizontal (<Deslocamento X>)
|
No exemplo mostrado abaixo, para deslocar a posição de impressão 5 mm para cima e 1,7 mm para a direita, "-5,0 mm" está definido em <Deslocamento Y> e "+1,70 mm" está definido em <Deslocamento X>.
Etapa 3: Ajustar a posição de impressão para cada fonte de papel
Depois de confirmar a direção e a distância para ajustar, especifique uma posição de impressão ajustada. Você pode ajustar a posição de impressão na faixa de -5,0 a +5,0 mm em incrementos de 0,1 mm em qualquer direção: vertical e horizontal.
1
Coloque a máquina offline.
Quando

(

) acender, pressione

(

).
2
Pressione

(

).
3
Use

/

para selecionar <Manutenção Usuário> e pressione

.
4
Selecione <Ajust. Posição Impr.> e pressione

.
5
Selecione o tamanho do papel e pressione

.
Você pode usar <Comum> para ajustar a posição de impressão da primeira página (parte da frente) no modo de impressão dos dois lados, independentemente da fonte de papel.
6
Selecione a direção para ajustar e pressione

.
Ajuste de posição de impressão para impressão dos dois lados
<Desloc. Y (2 Lados)> e <Desloc. X (2 Lados)> permite ajustar a posição de impressão da primeira página (parte da frente). A posição de impressão na segunda página (parte de trás) será ajustada com base nos valores definidos para cada fonte de papel.
Um exemplo de ajuste de posição de impressão
|
Primeira página (frente)
|
<Desloc. Y (2 Lados)> valor da configuração
|
|
Segunda página (verso)
|
<Desloc. Y (Band. MP)> valor da configuração
|
7
Defina um valor e pressione

.
Com base na impressão feita pela Impressão de Ajuste de Posição, use

/

para inserir um valor.
Para ajustar outra posição ou fonte de papel, repita as etapas 5 e 7.
8
Pressione

(

).
A tela retorna para a tela principal.
9
Pressione

(

) novamente.
A máquina fica online.
10
Fala a Impressão de Ajuste de Posição de Impressão e verifique a posição de impressão ajustada na impressão.
Etapa 1: Imprimir a Posição Atual
|
Ajustar todas as posições de impressão
|
Você pode usar <Deslocamento Y> e <Deslocamento X> no menu de configuração do painel de operação para ajustar a posição de impressão de todos os trabalhos de impressão, independentemente da fonte de papel. Você pode ajustar a posição de impressão na faixa de -50,0 a +50,0 mm em incrementos de 0,5 mm na direção vertical/horizontal. Deslocamento Y/Deslocamento X
|