

![]() |
|
当希望检查双面打印的打印位置时,提前在操作面板的设置菜单中将 <双面打印> 设置为 <打开>。双面打印
|
(
)。
/
选择 <供纸器>,然后按
。
。
(
)。
(
)。
。
。
![]() |
|
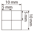
下图显示了检查打印位置的标记尺寸
![]() |
|
纵向 (<纵向偏移>)
![]() |
横向 (<横向偏移>)
![]() |

(
) 亮起时,按下
(
)。
(
)。
/
选择 <用户维护>,然后按
。
。
。
。

打印位置调整示例|
第一页(正面)
|
<纵向偏移(双面)> 设置值
|
|
第二页(背面)
|
<纵向偏移(多功能托盘)> 设置值
|
。
/
输入值。
(
)。
(
)。|
调整所有打印位置
|
|
可以使用操作面板设置菜单中的 <纵向偏移> 和 <横向偏移> 调整所有打印类型的打印位置,无论纸张来源。可按 0.5 mm 的增量在 -50.0 至 +50.0 mm 的范围在任一方向调整打印位置:垂直和水平。纵向偏移/横向偏移
|