인쇄 위치 조정
문서가 중심을 벗어나거나 인쇄 가능 범위 밖에 인쇄되는 경우에는, 인쇄 위치를 조정하십시오. 각 용지 공급원에 대한 인쇄 위치를 조정할 수 있습니다.
1단계: 현재 인쇄 위치 인쇄하기
"인쇄 위치 조정 인쇄"를 실행하여 조정할 방향 및 거리를 확인할 수 있습니다.
|
양면 인쇄의 인쇄 위치를 확인하려면, 조작 패널의 설정 메뉴에서 <양면인쇄>를 <설정>으로 먼저 설정하십시오. 양면인쇄 |
1

(

)을 누릅니다.
2

/

을 사용하여 <급지 위치>를 선택하고

를 누릅니다.
3
인쇄 위치를 확인하려는 용지 공급원을 선택한 후,

을 누릅니다.
4

(

)을 누릅니다.
메인 화면으로 돌아갑니다.
5

(

)을 누릅니다.
6
<인쇄위치 조정인쇄>을 선택하고

를 누릅니다.
7
<예>을 선택하고

를 누릅니다.
인쇄 위치 조정 인쇄물이 출력됩니다.
2단계: 조정 방향 및 거리 확인하기
인쇄 위치 조정 인쇄가 실행되면, 인쇄 위치 확인 표시

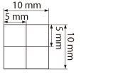
가 인쇄됩니다. 이 표시를 기준으로 조정할 방향 및 거리를 결정합니다. 인쇄 위치가 정상인 경우, 모든 확인 표시가 가까운 용지 가장자리에서 5mm 떨어진 위치에 인쇄됩니다.
인쇄 위치 조정 인쇄물 확인 방법
출력될 때 가장 먼저 나오는 용지의 가장자리가 인쇄 위치 조정 인쇄의 상단 부분입니다. 인쇄 위치를 확인할 때, 어느 가장자리가 위로 오는지 확인하십시오.
| | 인쇄 위치 확인을 위한 표시  의 크기는 아래 그림과 같습니다. |
인쇄 위치가 중심을 벗어난 경우
인쇄 위치 확인 표시가 올바른 위치를 벗어나 인쇄된 경우에는, 인쇄 위치를 조정해야 합니다. 인쇄 위치를 조정할 때는, "+" 및 "-"를 사용해 방향을 지정하고, "mm" 를 사용해 거리를 지정하십시오. 인쇄 위치를 위로 조정하려면 "-"를, 아래로 조정(세로 위치 조정) 하려면"+"를 사용합니다. 인쇄 위치를 왼쪽으로 조정하려면 "-"를, 오른쪽으로 조정(가로 위치 조정시) 하려면 "+"를 사용합니다.
세로 방향 (<Y 위치보정>) | 가로 방향 (<X 위치보정>) |
아래 표시된 예에서는 인쇄 위치를 5mm 위쪽 및 1.5mm 오른쪽으로 이동하기 위해 <Y 위치보정>에서 "-5.0mm"을 설정하고 <X 위치보정>에서 "+1.50mm"를 설정했습니다.
3단계: 각 용지 공급원에 대한 인쇄 위치 조정하기
조정할 방향 및 거리를 확인하고 나면, 조정된 인쇄 위치를 지정하십시오. 인쇄 위치는 세로로는 -5.0mm ~ +5.0mm의 범위에서 0.1mm를 올려 조정하고, 가로로는 -3.5mm ~ +3.5mm의 범위에서 0.25mm를 올려 조정할 수 있습니다.
1
기기를 오프라인 상태로 설정합니다.
2

(

)을 누릅니다.
3

/

을 사용하여 <사용자 유지보수>를 선택하고

를 누릅니다.
4
<인쇄위치 조정>을 선택하고

를 누릅니다.
5
조정할 방향의 조합 및 용지 공급원을 선택하고

을 누릅니다.
<X 위치보정(양면)>의 경우 먼저 용지 공급원을 선택한 다음 인쇄 위치를 조정합니다.
양면 인쇄 시 인쇄 위치 조정
<Y 위치보정(양면)> 및 <X 위치보정(양면)>을 사용하여 첫 번째 페이지(앞면)의 인쇄 위치를 조정할 수 있습니다. 두 번째 페이지(뒷면)의 인쇄 위치는 각 용지 공급원에 설정된 값을 기준으로 조정됩니다.
인쇄 위치 조정 예첫 페이지(앞면) | <Y 위치보정(양면)> 설정 값 |
두 번째 페이지(뒷면) | <Y 위치보정(수동급지)> 설정 값 |
6
값을 설정하고,

을 누릅니다.
인쇄 위치 조정 인쇄를 통해 출력된 인쇄물에 따라,

/

를 사용하여 값을 입력합니다.
<Y 위치보정(양면)>을 지정하면 모든 용지 공급원의 입력값에 따라 인쇄 위치가 조정됩니다.
다른 위치 또는 용지 공급원을 조정하려면, 5단계와 6단계를 반복하십시오.
7

(

)을 누릅니다.
메인 화면으로 돌아갑니다.
8

(

)를 다시 누릅니다.
기기가 온라인 상태로 전환됩니다.
9
인쇄 위치 조정 인쇄를 실행하여, 인쇄물의 조정된 인쇄 위치를 확인하십시오.
1단계: 현재 인쇄 위치 인쇄하기전체 인쇄 위치 조정하기 |
조작 패널의 설정 메뉴에서 <Y 위치보정> 및 <X 위치보정>를 사용하여 용지 공급원에 상관없이 모든 종류의 인쇄에 인쇄 위치를 조정할 수 있습니다. 인쇄 위치는 -50.0mm ~ +50.0mm 범위에서 0.5mm 를 증분하여 가로 또는 세로 방향으로 조정할 수 있습니다. Y 위치보정/X 위치보정 |