Tulostuskohdan säätäminen
Jos asiakirja tulostu sivuun tai tulostettavan alueen ulkopuolelle, säädä tulostuskohtaa. Kunkin paperilähteen tulostuskohtaa voidaan säätää.
Vaihe 1: Nykyisen tulostuskohdan tulostaminen
Voit tarkistaa säädettävän suunnan ja etäisyyden suorittamalla tulostuskohdan säätötulostuksen.
|
Kun haluat tarkistaa 2-puolisen tulostuksen tulostuskohdan, valitse käyttöpaneelin asetusvalikossa <2-puolinen tulostus>-asetukseksi <Kyllä> etukäteen. 2-puolinen tulostus |
1
Paina

(

) -painiketta.
2
Valitse

/

-painikkeilla <Paperilähde> ja paina

-painiketta.
3
Valitse paperilähde, jonka tulostuskohdan haluat tarkistaa, ja paina

.
4
Paina

(

) -painiketta.
Näyttö palaa päänäyttöön.
5
Paina

(

) -painiketta.
6
Valitse <Tul. paik.t. varten> ja paina

-painiketta.
7
Valitse <Kyllä> ja paina

-painiketta.
Tulostuskohdan säätötuloste tulostetaan.
Vaihe 2: Säädettävän suunnan ja etäisyyden tarkistaminen
Kun tulostuskohdan säätötulostus suoritetaan, tulostuskohdan tarkistusmerkit

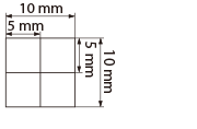
tulostetaan. Määritä säädettävä suuna ja etäisyys näiden merkkien perusteella. Kun tulostuskohta on normaali, kaikki merkit tulostetaan kohtaan 5 mm paperin lähimmästä reunasta.
Tulostuskohdan säätötulosteiden tarkistaminen
Se paperin reuna, joka tulee tulostettaessa ensimmäisenä ulos, on tulostuskohdan säätötulosteen yläreuna. Varmista, mikä paperin reuna on ylhäällä, kun tarkistat tulostuskohtaa.
| | Tulostuskohdan tarkistamiseen tarkoitetun merkin  koko on alla olevan kuvan mukainen. |
Kun tulostuskohta on sivussa
Kun tulostuskohdan tarkistusmerkkejä ei tulosteta oikeaan kohtaan, tulostuskohtaa täytyy säätää. Kun tulostuskohtaa säädetään, määritä suunta painamalla + ja – ja etäisyys painamalla mm. Paina –, kun haluat siirtää tulostuskohtaa ylöspäin, ja +, kun haluat siirtää sitä alaspäin (pystykohdan korjaus). Paina –, kun haluat siirtää tulostuskohtaa vasemmalle, ja +, kun haluat siirtää sitä oikealle (vaakakohdan korjaus).
Pystysuunta (<Siirto Y>) | Vaakasuunta (<Siirto X>) |
Alla olevassa esimerkissä tulostuskohtaa siirretään 5 mm ylöspäin ja 1,5 mm oikealle. "-5,0 mm" valitaan kohdassa <Siirto Y>, ja "+1,50 mm" valitaan kohdassa <Siirto X>.
Vaihe 3: Tulostuskohdan säätäminen kullekin paperilähteelle
Kun säädettävä suunta ja etäisyys on vahvistettu, määritä säädetty tulostuskohta. Voit säätää tulostuskohtaa pystysuunnassa alueella -5,0 mm – +5,0 mm 0,1 mm:n portain ja vaakasuunnassa -3,5 mm – +3,5 mm 0,25 mm portain.
1
Aseta laite offline-tilaan.
2
Paina

(

) -painiketta.
3
Valitse

/

-painikkeilla <Käyttäjän ylläpito> ja paina

-painiketta.
4
Valitse <Säädä tulostuskohtaa> ja paina

-painiketta.
5
Valitse säätösuunnan ja paperilähteen yhdistelmä ja paina

.
Valitse <Siirto X (2-puol.)> ‑asetusta varten ensin paperilähde ja säädä sitten tulostuskohtaa.
2-puolisen tulostuksen tulostuskohdan säätäminen
Asetuksilla <Siirto Y (2-puol.)> ja <Siirto X (2-puol.)> voidaan säätää ensimmäisen sivun (etupuoli) tulostuskohtaa. Toisen sivun (takapuoli) tulostuskohtaa säädetään kullekin paperilähteelle asetettujen arvojen perusteella.
Esimerkki tulostuskohdan säätämisestäEnsimmäinen sivu (etupuoli) | <Siirto Y (2-puol.)> -asetuksen arvo |
Toinen sivu (takapuoli) | <Siirto Y (MT-taso)> -asetuksen arvo |
6
Aseta arvo ja paina

.
Syötä tulostuskohdan säätötulosteen perusteella arvo painamalla

/

.
Kun määritetään <Siirto Y (2-puol.)>, tulostuskohtaa säädetään kaikkien paperilähteiden syöttöarvojen mukaan.
Jos haluat säätää toisen kohdan tai paperilähteen, toista vaiheet 5 ja 6.
7
Paina

(

) -painiketta.
Näyttö palaa päänäyttöön.
8
Paina

(

) uudelleen.
Laite siirtyy online-tilaan.
9
Suorita tulostuskohdan säätötulostus ja tarkista säädetty tulostuskohta tulosteessa.
Vaihe 1: Nykyisen tulostuskohdan tulostaminenKaikkien tulostuskohtien säätäminen |
Käyttöpaneelin asetusvalikon kohdissa <Siirto Y> ja <Siirto X> voidaan säätää kaikkien tulostustyyppien tulostuskohtia paperilähteestä riippumatta. Tulostuskohtaa voidaan säätää alueella -50,0 mm – +50,0 mm 0,5 mm:n portain pysty- ja vaakasuunnassa. Siirto Y/Siirto X |