A nyomtatási pozíció beállítása
Ha egy kinyomtatott dokumentum nincs középen, vagy lelóg a nyomtatható területről, állítsa be a nyomtatási pozíciót. A nyomtatási pozíciót az egyes papírforrásokhoz külön-külön beállíthatja.
1. lépés: Az aktuális nyomtatási pozíció kinyomtatása
Az irány és a távolság beállításának ellenőrzéséhez használhatja a „Nyomtatási pozíció beállításának kinyomtatása” funkciót.
|
Amennyiben kétoldalas nyomtatáshoz kívánja ellenőrizni a nyomtatási pozíciót, akkor a kezelőpanel beállítás menüjének <2-oldalas nyomtatás> menüpontját előzetesen állítsa <Be> értékre. 2-oldalas nyomtatás |
1
Nyomja meg a

(

) gombot.
2
A

/

gombokkal válassza ki a <Papírforrás> lehetőséget, és nyomja meg az

gombot.
3
Válassza ki azt a papírforrást, amelynek nyomtatási pozícióját ellenőrizni kívánja, majd nyomja meg az

gombot.
4
Nyomja meg a

(

) gombot.
A képernyő visszavált a főképernyőre.
5
Nyomja meg a

(

) gombot.
6
Válassza ki a <Nyomt.helyzet nyomt.> lehetőséget, és nyomja meg az

gombot.
7
Válassza ki a <Igen> lehetőséget, és nyomja meg az

gombot.
A készülék kinyomtat egy nyomatot a nyomtatási pozíció beállításáról.
2. lépés: Az irány és a távolság ellenőrzése a beállításhoz
A nyomtatási pozíció beállításának kinyomtatásakor a nyomaton megjelennek a nyomtatási pozíció ellenőrző jelei

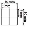
. E jelek alapján határozza meg a beállítandó irányt és távolságot. Normál nyomtatási pozíció esetén valamennyi jel a papír legközelebb eső szélétől 5 mm távolságra helyezkedik el.
A nyomtatási pozíció beállításáról készült nyomatok ellenőrzése
A nyomtatási pozíció ellenőrzéséről készült nyomat felső széle a papírnak az a széle, amely elsőként jön ki a nyomtatóból. A nyomtatási pozíció ellenőrzésekor győződjön meg arról, hogy a papírnak melyik a felső széle.
| | A nyomtatási pozíció ellenőrzésére szolgáló jel  mérete az alábbi ábrán látható. |
Ha a nyomtatási pozíció nem középen helyezkedik el
Amennyiben a nyomtatási pozíció ellenőrző jelei nem a megfelelő pozícióban vannak, akkor be kell állítania a nyomtatási pozíciót. A nyomtatási pozíció beállításához a „+” és a „-” jellel adja meg az irányt, a „mm” lehetőséggel pedig a távolságot. A nyomtatási pozíciót a „-” jellel mozdíthatja felfelé, a „+” jellel pedig lefelé (pozíció függőleges kiigazítása). A nyomtatási pozíciót balra a „-” jellel, jobbra pedig a „+” jellel mozgathatja (pozíció vízszintes kiigazítása).
Függőleges irány (<Y eltolás>) | Vízszintes irány (<X eltolás>) |
Az alábbi példában a nyomtatási pozíció 5 mm-es felfelé és 1,5 mm-es jobbra történő mozgatásához a „–5,0 mm” értéket adtuk meg az <Y eltolás> beállításban és a „+1,50 mm” értéket az <X eltolás> beállításban.
3. lépés: Nyomtatási pozíció beállítása az egyes papírforrásokhoz
Miután megerősítette a módosítandó irányt és távolságot, állítsa be az új nyomtatási pozíciót. A nyomtatási pozíciót függőleges irányban -5,0 mm – +5,0 mm közötti tartományban állíthatja 0,1 mm-es lépésenként, vízszintes irányban pedig -3,5 mm – +3,5 mm közötti tartományban 0,25 mm-es lépésenként.
1
Állítsa a készüléket offline állapotba.
Ha a

(

) jelzőfény világít, akkor nyomja meg a

(

) gombot.
2
Nyomja meg a

(

) gombot.
3
A

/

gombokkal válassza ki a <Használói karbant.> lehetőséget, és nyomja meg az

gombot.
4
Válassza ki a <Nyomt.helyzet beáll.> lehetőséget, és nyomja meg az

gombot.
5
Válassza ki a módosítandó irány és a papírforrás kombinációját, és nyomja meg az

gombot.
A <X eltolás(2 oldalas)> esetében először válassza ki a papírforrást, majd állítsa be a nyomtatási pozíciót.
Nyomtatási pozíció beállítása kétoldalas nyomtatáshoz
<Y eltolás(2 oldalas)> és a <X eltolás(2 oldalas)> lehetővé teszi az első oldal (előlap) nyomtatási pozíciójának beállítását. A második oldal (hátoldal) nyomtatási pozíciója az egyes papírforrásokhoz megadott értékek szerint alakul.
Példa a nyomtatási pozíció beállításáraElső oldal (előlap) | <Y eltolás(2 oldalas)> beállítás értéke |
Második oldal (hátlap) | <Y eltolás (TC tálca)> beállítás értéke |
6
Állítsa be a kívánt értéket, majd nyomja meg az

gombot.
A nyomtatási pozíció ellenőrzéséről készült nyomat alapján a

/

gombok használatával adja meg a kívánt értéket.
A <Y eltolás(2 oldalas)> elem megadása esetén a nyomtatási pozíció beállítása az egyes papírforrásokhoz megadott értékek alapján történik.
Egy másik pozíció vagy papírforrás beállításához ismételje meg az 5. és a 6. lépést.
7
Nyomja meg a

(

) gombot.
A képernyő visszavált a főképernyőre.
8
Nyomja meg ismét a

(

) gombot.
A készülék online állapotba kerül.
9
Nyomtassa ki a nyomtatási pozíció beállítását, majd a nyomaton ellenőrizze a módosított nyomtatási pozíciót.
1. lépés: Az aktuális nyomtatási pozíció kinyomtatásaValamennyi nyomtatási pozíció beállítása |
A kezelőpanel beállítás menüjének <Y eltolás> és <X eltolás> elemével a papírforrástól függetlenül módosíthatja valamennyi nyomtatási típus nyomtatási pozícióját. A nyomtatási pozíciót függőleges és vízszintes irányban is -50,0 mm – +50,0 mm közötti tartományban, 0,5 mm -es lépésekben állíthatja be. Y eltolás/X eltolás |