Regulacja położenia wydruku
Jeżeli dokument zadrukowano nierówno lub poza zakresem wydruku, należy dostosować położenie wydruku. Można dostosować położenie wydruku dla każdego źródła papieru.
Krok 1: Drukowanie bieżącego położenia wydruku
Na wydruku dostosowanego położenia drukowania można sprawdzić kierunek i odległość, które należy wyregulować.
|
Aby sprawdzić położenie wydruku przy drukowaniu dwustronnym, należy w menu ustawień na panelu roboczym wybrać ustawienie <Drukowanie dwustron.> dla opcji <Włącz>. Drukowanie dwustron. |
1
Naciśnij przycisk

(

).
2
Za pomocą przycisków

/

wybierz opcję <Źródło papieru> i naciśnij przycisk

.
3
Wybierz źródło papieru, dla którego chcesz sprawdzić położenie drukowania, i naciśnij przycisk

.
4
Naciśnij przycisk

(

).
Nastąpi powrót do ekranu głównego.
5
Naciśnij przycisk

(

).
6
Wybierz opcję <Wydr. do regul. poz.> i naciśnij przycisk

.
7
Wybierz opcję <Tak> i naciśnij przycisk

.
Zostanie wydrukowana regulacja położenia drukowania.
Krok 2: Sprawdzanie kierunku i odległości do regulacji
Na wydruku dostosowanego położenia wydrukowania znajdują się oznaczenia kontrolne położenia

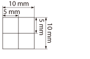
. Na podstawie tych oznaczeń należy wyznaczyć kierunek i odległość do wyregulowania. Jeśli położenie wydruku jest normalne, wszystkie oznaczenia zostaną wydrukowane w położeniu 5 mm od najbliższej krawędzi papieru.
Sprawdzanie wydruków dostosowanego położenia drukowania
Krawędź papieru, która wychodzi z urządzenia jako pierwsza oznacza górną część wydruku dostosowanego położenia drukowania. Sprawdzając położenie wydruku, należy zwracać uwagę na to, która krawędź jest górna.
| | Rozmiar oznaczenia  do sprawdzania położenia wydruku jest taki, jak na poniższej ilustracji. |
Położenie wydruku nie jest wyśrodkowane
Jeśli oznaczenia położenia wydruku są wydrukowane w nieprawidłowym położeniu, należy wyregulować położenie wydruku. Podczas regulacji położenia wydruku należy wyznaczyć kierunek za pomocą wartości dodatnich i ujemnych oraz odległość w „mm”. Aby przesunąć wydruk w górę, należy użyć wartości ujemnej, a w dół wartości dodatniej (korekta położenia w pionie). Za pomocą wartości ujemnej przesuwa się położenie wydruku w lewo, a za pomocą wartości dodatniej w prawo (korekta położenia w poziomie).
Kierunek w pionie (<Przesunięcie Y>) | Kierunek w poziomie (<Przesunięcie X>) |
W poniższym przykładzie, aby przesunąć położenie wydruku o 5 mm górę i 1,5 mm w prawo, „-5,0 mm” należy ustawić wartość <Przesunięcie Y> w opcji i „+1,50 mm” w opcji <Przesunięcie X>.
Krok 3: Dostosowywanie położenia wydruku dla poszczególnych źródeł papieru
Po potwierdzeniu kierunku i odległości do dostosowania należy zdefiniować dostosowane położenie wydruku. Położenie wydruku można regulować w pionie w zakresie -5,0 mm do +5,0 mm w krokach po 0,1 mm i w poziomie w zakresie -3,5 mm do +3,5 mm w krokach po 0,25 mm.
1
Przełącz urządzenie w tryb offline.
Gdy zaświeci się wskaźnik

(

), naciśnij przycisk

(

).
2
Naciśnij przycisk

(

).
3
Za pomocą przycisków

/

wybierz opcję <Konserw. użytkownika> i naciśnij przycisk

.
4
Wybierz opcję <Dost. pozyc. wydruku> i naciśnij przycisk

.
5
Wybierz kombinację kierunku do dostosowania oraz źródło papieru, a następnie naciśnij przycisk

.
Aby określić parametr <Przes. X (2-str.)>, najpierw wybierz źródło papieru, a następnie wyreguluj położenie wydruku.
Regulacja położenia wydruku dla drukowania dwustronnego
Parametry <Przes. Y (2-str.)> i <Przes. X (2-str.)> pozwalają dostosować położenie wydruku na pierwszej stronie (przedniej). Położenie wydruku na drugiej stronie (odwrocie) zostanie dostosowane na podstawie wartości ustawionych dla każdego źródła papieru.
Przykład regulacji położenia wydrukuPierwsza strona (przednia) | <Przes. Y (2-str.)> — wartość ustawienia |
Druga strona (tylna) | <Przesunięcie Y (MP)> — wartość ustawienia |
6
Ustaw wartość i naciśnij przycisk

.
W oparciu o wydruk dostosowanego położenia wydrukowania wprowadź wartość za pomocą przycisków

/

.
Jeżeli jest określony parametr <Przes. Y (2-str.)> , położenie wydruku jest regulowane z użyciem wartości wejściowych dla wszystkich źródeł papieru.
Aby dostosować inne położenie lub źródło papieru, powtórz kroki 5 i 6.
7
Naciśnij przycisk

(

).
Nastąpi powrót do ekranu głównego.
8
Ponownie naciśnij przycisk

(

).
Urządzenie przejdzie w tryb online.
9
Wykonaj wydruk dostosowanego położenia drukowania i sprawdź położenie na wydruku.
Krok 1: Drukowanie bieżącego położenia wydrukuRegulacja wszystkich położeń wydruku |
Za pomocą opcji <Przesunięcie Y> i <Przesunięcie X> w menu ustawień panelu roboczego można dostosować położenia wydruku dla wszystkich rodzajów drukowania, niezależnie od źródła papieru. Położenie wydruku można regulować w zakresie -50,0 mm do +50,0 mm w krokach po 0,5 mm w każdym kierunku: pionowym i poziomym. Przesunięcie Y/Przesunięcie X |