Настройка положения печати
Если документ печатается не по центру или за пределами области печати, настройте положение печати. Положение печати можно настроить для каждого источника бумаги.
Шаг 1. Печать текущего положения печати
Для проверки направления и расстояния настройки можно выполнить «Печать настройки положения печати».
|
Если требуется проверить положение печати для 2-сторонней печати, заранее задайте для параметра <2-сторонняя печать> значение <Вкл.> в меню настройки на панели управления. 2-сторонняя печать |
1
Нажмите

(

).
2
Используйте

/

для выбора <Источник бумаги> и нажмите

.
3
Выберите источник бумаги, для которого требуется проверить положение печати, затем нажмите кнопку

.
4
Нажмите

(

).
На экране снова отображается главный экран.
5
Нажмите

(

).
6
Выберите <Печать из позиц.печ.> и нажмите

.
7
Выберите <Да> и нажмите

.
Выводится распечатка для настройки положения печати.
Шаг 2. Проверка направления и расстояния для настройки
При выполнении печати для настройки положения печати печатаются контрольные метки

положения печати. Определите направление и расстояние настройки на основе этих меток. При нормальной настройке положения печати все метки печатаются на расстоянии 5 мм от ближайшего края бумаги.
Проверка распечатки для настройки положения печати
Край бумаги, выводимый первым при выводе бумаги, является верхним при печати настройки положения печати. При проверке положения печати следите за тем, какой край бумаги является верхним.
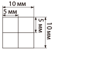
| | Размер метки  для проверки положения печати показан на приведенном ниже рисунке. |
Если положение печати смещено из центра
Если контрольные метки положения печати смещены относительно правильного положения, необходимо настроить положение печати. При настройке положения печати указывайте направление с помощью «+» и «–», а расстояние — с использованием «mm». Используйте «–» для смещения положения печати вверх и «+» для смещения положения печати вниз (коррекция положения по вертикали). Используйте «–» для сдвига положения печати влево и «+» для сдвига вправо (коррекция положения по горизонтали).
Направление по вертикали (<Смещение Y>) | Направление по горизонтали (<Смещение X>) |
В показанном ниже примере для сдвига положения печати на 5 мм вверх и на 1,5 мм вправо задается значение "-5,0 мм" в поле <Смещение Y> и значение "+1,50 мм" в поле <Смещение X>.
Шаг 3. Настройка положения печати для каждого источника бумаги
После проверки направления и расстояния коррекции, укажите настроенное положение печати. Положение печати можно настраивать по вертикали в диапазоне -5,0 мм – +5,0 мм с шагом 0,1 мм и по горизонтали в диапазоне -3,5 мм – +3,5 мм с шагом 0,25 мм.
1
Переключите аппарат в отключенный режим.
Если горит индикатор

(

), нажмите кнопку

(

).
2
Нажмите

(

).
3
Используйте

/

для выбора <Обслуж. пользоват.> и нажмите

.
4
Выберите <Наст. позиции печати> и нажмите

.
5
Выберите сочетание направления настройки и источника бумаги, затем нажмите кнопку

.
Для <Смещение X (2-стор.)> сначала выберите источник бумаги, затем настройте положение печати.
Настройка положения печати для 2-сторонней печати
<Смещение Y (2-стор.)> и <Смещение X (2-стор.)> позволяют настраивать положение печати на первой странице (лицевая сторона). Положение печати на второй странице (обратной стороне) настраивается на основе значений, заданных для каждого из источников бумаги.
Пример настройки положения печатиПервая страница (лицевая сторона) | <Значение параметра <Смещение Y (2-стор.)> |
Вторая страница (обратная сторона) | <Значение параметра <Смещ. Y (унив.лоток)> |
6
Задайте значение и нажмите кнопку

.
Руководствуясь распечаткой, сделанной с помощью функции печати для настройки положения печати, введите значение кнопками

/

.
Если указано значение параметра <Смещение Y (2-стор.)>, положение печати настраивается по введенным значениям для всех источников бумаги.
Для настройки другого положения или источника бумаги повторите шаги 5 и 6.
7
Нажмите

(

).
На экране снова отображается главный экран.
8
Снова нажмите кнопку

(

).
Аппарат переходит в подключенный режим.
9
Выполните печать для настройки положения печати и проверьте настроенное положение на распечатке.
Шаг 1. Печать текущего положения печатиНастройка всех положений печати |
С помощью параметров <Смещение Y> и <Смещение X> в меню настройки на панели управления можно настроить положения печати для печати всех типов независимо от источника бумаги. Положение печати можно настраивать в диапазоне -50,0 мм – +50,0 мм с шагом 0,5 мм в каждом направлении: по вертикали и по горизонтали. Смещение Y/Смещение X |