Настроювання позиції друку
Якщо документ друкується не в центрі або за межами діапазону друку, налаштуйте позицію друку. Позицію друку можна налаштувати для кожного джерела паперу.
Крок 1. Друк поточної позиції друку
Щ об перевірити напрямок і відстань для налаштування, можна виконати друк із налаштуванням позиції друку.
|
Якщо ви хочете перевірити позицію друку для двостороннього друку, заздалегідь установіть для параметра <2-Sided Printing> у меню настроювання на панелі керування значення <On>. 2-Sided Printing |
1
Натисніть

(

).
2
За допомогою клавіш

/

виберіть елемент <Paper Source> і натисніть

.
3
Виберіть джерело паперу, для якого потрібно перевірити позицію друку, і натисніть

.
4
Натисніть

(

).
Ви повернетеся на головний екран.
5
Натисніть

(

).
6
Виберіть елемент <Printing Pos. Print> і натисніть клавішу

.
7
Виберіть елемент <Yes> і натисніть клавішу

.
Буде виведено роздруківку налаштування позиції друку.
Крок 2. Перевірка напрямку й відстані для налаштування
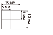
Коли виконується друк налаштування позиції друку, друкуються мітки позиції друку

. Визначте напрямок і відстань для налаштування на основі цих міток. Якщо позиція друку нормальна, усі мітки друкуються на відстані 5 мм від найближчого краю паперу.
Як перевірити роздруківки для налаштування позиції друку
Коли виводиться папір, першим виходить верхній край роздруківки для налаштування позиції друку. Коли ви перевіряєте позицію друку, визначте, який край паперу верхній.
| | Розмір мітки  для перевірки позиції друку показано на малюнку нижче. |
Коли позиція друку не в центрі
Коли мітки позиції друку друкуються в неправильному положенні, необхідно налаштувати позицію друку. Укажіть напрямок за допомогою знаків «+» і «–» і відстань у мм. Використовуйте «–», щоб змістити позицію друку вгору, і «+», щоб змістити її вниз (корекція позиції по вертикалі). Використовуйте «–», щоб змістити позицію друку вліво, і «+», щоб змістити її вправо (корекція позиції по горизонталі).
Вертикальний напрямок (<Offset Y>) | Горизонтальний напрямок (<Offset X>) |
У наведеному нижче прикладі, щоб змістити позицію друку на 5 мм вгору й на 1,5 мм праворуч, значення «–5,0 мм» вказується в полі <Offset Y>, а значення «+1,50 мм» — у полі <Offset X>.
Крок 3. Налаштування позиції друку для кожного джерела друку
Підтвердивши напрямок і відстань, укажіть нову позицію друку. Позицію друку можна налаштувати вертикально в діапазоні від від –5,0 до +5,0 мм із кроком 0,1 мм і горизонтально в діапазоні від –3,5 до +3,5 мм із кроком 0,25 мм.
1
Відключіть апарат від мережі.
Коли

(

) почне світитися, натисніть

(

).
2
Натисніть

(

).
3
За допомогою клавіш

/

виберіть елемент <User Maintenance> і натисніть

.
4
Виберіть елемент <Adj. Print Position> і натисніть клавішу

.
5
Укажіть поєднання напрямку коригування та сторони для друку, а потім натисніть

.
Для параметра <Offset X (2-Sided)> спочатку виберіть джерело паперу, яке потрібно використовувати, а потім налаштуйте позицію друку.
Налаштування позиції друку для двостороннього друку
Параметри <Offset Y (2-Sided)> і <Offset X (2-Sided)> дають змогу налаштувати позицію друку на першій сторінці (лицевій стороні). Позицію друку на другій сторінці (зворотній стороні) буде налаштовано на основі значень, установлених для кожного джерела паперу.
Приклад налаштування позиції друкуПерша сторінка (лицева сторона) | Значення параметра <Offset Y (2-Sided)> |
Друга сторінка (зворотна сторона) | Значення параметра <Offset Y (MP Tray)> |
6
Установіть значення й натисніть

.
На основі роздруківки для налаштування позиції друку використовуйте клавіші

/

, щоб ввести значення.
Якщо зазначено <Offset Y (2-Sided)>, позиція друку налаштовується за допомогою вхідних значень для всіх джерел паперу.
Щоб налаштувати іншу позицію або джерело паперу, повторіть кроки 5 і 6.
7
Натисніть

(

).
Ви повернетеся на головний екран.
8
Натисніть клавішу

(

) ще раз.
Апарат буде підключено до мережі.
9
Виконайте друк для налаштування позиції друку й перевірте налаштовану позицію друку на роздруківці.
Крок 1. Друк поточної позиції друкуНалаштування всіх позицій друку |
Можна використовувати параметри <Offset Y> і <Offset X> у меню налаштувань на панелі керування, щоб налаштувати позицію друку для всіх типів друку незалежно від джерела паперу. Позицію друку можна налаштувати в діапазоні від від –50,0 до +50,0 мм із кроком 0,5 мм у будь-якому напрямку: вертикальному й горизонтальному. Offset Y/Offset X |