De afdrukpositie aanpassen
Als het document excentrisch of buiten het afdrukbereik wordt afgedrukt, moet u de afdrukpositie aanpassen. U kunt de afdrukpositie voor iedere papierbron aanpassen.
Stap 1: Afdrukken op de huidige afdrukpositie
U kunt 'aanpassing van de afdrukpositie' verrichten en de aan te passen richting en afstand controleren.
|
Als u de afdrukinstelling voor dubbelzijdig afdrukken wilt controleren, stel dan vooraf <Dubbelz. afdrukken> in op <Aan> in het instellingenmenu van het bedieningspaneel. Dubbelz. afdrukken |
1
Druk op

(

).
2
Druk op

/

om <Papierbron> te selecteren en druk vervolgens op

.
3
Selecteer de papierbron waarvan u de afdrukpositie wilt controleren en druk daarna op

.
4
Druk op

(

).
Het scherm keert terug naar het hoofdscherm.
5
Druk op

(

).
6
Selecteer <Afdrukpositie afdr.> en druk op

.
7
Selecteer <Ja> en druk op

.
Er wordt een afdrukinstelling uitgedraaid.
Stap 2: De aan te passen richting en afstand controleren
Als de afdrukpositie-instelling is uitgedraaid, worden de markeringen

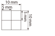
voor de afdrukpositie afgedrukt. Bepaal aan de hand van deze markeringen de aan te passen richting en afstand. Als de afdrukpositie normaal is, worden alle markeringen afgedrukt op een positie 5 mm vanaf de dichtstbijzijnde papierrand.
De afdrukken voor aanpassing van de afdrukpositie controleren
De papierrand die bij de uitdraai het eerst naar buiten komt, is de bovenzijde van de afdruk voor aanpassing van de afdrukpositie. Als u de afdrukpositie controleert, moet u goed kijken welke papierrand de bovenzijde is.
| | Het formaat van de markering  voor het controleren van de afdrukpositie is zoals weergegeven in de onderstaande illustratie. |
Al de afdrukpositie excentrisch is
Als de markeringen van de afdrukpositie niet op de juiste positie worden afgedrukt, moet u de afdrukpositie aanpassen. Als u de afdrukpositie aanpast, geef dan de richting op met behulp van '+' en '-' en de afstand met behulp van 'mm'. Gebruik '-' om de afdrukpositie omhoog en '+' om hem omlaag te bewegen (verticale positiecorrectie). Gebruik '-' om de afdrukpositie naar links en '+' om hem naar rechts te bewegen (horizontale positiecorrectie).
Verticale richting (<Offset Y>) | Horizontale richting (<Offset X>) |
In onderstaand voorbeeld: om de afdrukpositie 5 mm omhoog en 1,7 mm naar rechts te verschuiven, is '-5,0 mm' ingesteld in <Offset Y> en is '+1,70 mm' ingesteld in <Offset X>.
Stap 3: De afdrukpositie voor elke papierbron aanpassen
Nadat u de aan te passen richting en afstand hebt bevestigd, geeft u een aangepaste afdrukpositie op. U kunt de afdrukpositie instellen in het bereik van -5,0 mm tot +5,0 mm in stappen van 0,1 mm, in beide richtingen: verticaal en horizontaal.
1
Stel het apparaat in op offline.
Als

(

) brandt, druk dan op

(

).
2
Druk op

(

).
3
Druk op

/

om <Gebruikersonderhoud> te selecteren en druk vervolgens op

.
4
Selecteer <Afdrukpositie aanp.> en druk op

.
5
Selecteer de papierbron en druk op

.
U kunt <Algemeen> gebruiken om de afdrukpositie op de eerste pagina (voorzijde) in modus Dubbelzijdig afdrukken in te stellen, ongeacht de papierbron.
6
Selecteer de aan te passen richting en druk op

.
Afdrukpositie instellen voor dubbelzijdig afdrukken
Met <Offset Y (2-zijdig)> en <Offset X (2-zijdig)> kunt u de afdrukpositie op de eerste pagina (voorzijde) instellen. De afdrukpositie op de tweede pagina (achterzijde) wordt ingesteld aan de hand van de waarden die zijn ingesteld voor iedere papierbron.
Een voorbeeld van het instellen van de afdrukpositieEerste pagina (voorzijde) | <Offset Y (2-zijdig)> instelwaarde |
Tweede pagina (achterzijde) | <Offset Y (MF-lade)> instelwaarde |
7
Stel een waarde in en druk op

.
Op basis van de uitdraai die is gemaakt door de afdruk voor aanpassing van de afdrukpositie, voert u een waarde in met behulp van

/

.
Om een andere positie of papierbron in te stellen, herhaalt u de stappen 5 en 7.
8
Druk op

(

).
Het scherm keert terug naar het hoofdscherm.
9
Druk nogmaals op

(

).
Het apparaat komt online.
10
Verricht de afdruk voor aanpassing van de afdrukpositie en controleer op de uitdraai de aangepaste afdrukpositie.
Stap 1: Afdrukken op de huidige afdrukpositieAlle afdrukposities aanpassen |
U kunt <Offset Y> en <Offset X> in het instellingenmenu van het bedieningspaneel gebruiken om de afdrukposities voor alle types drukwerk aan te passen, ongeacht de papierbron. U kunt de afdrukpositie instellen in het bereik -50,0 mm tot +50,0 mm in stappen van 0,5 mm in beide richtingen: verticaal en horizontaal. Offset Y/Offset X |