Justering af udskrivningsposition
Hvis et dokument udskrives ucentreret eller uden for udskriftsområdet, skal du justere udskrivningspositionen. For hver papirkilde kan du justere udskrivningspositionen.
Trin 1: Udskrivning af aktuel udskrivningsposition
Du kan udføre "Udskrivning af positionsjusteringsprint" for at kontrollere retningen og afstanden, der skal justeres.
|
Hvis du ønsker at kontrollere udskrivningspositionen for 2-sidet udskrivning, skal du indstille <2-sidet print> til <Til> i indstillingsmenuen på kontrolpanelet på forhånd. 2-sidet print |
1
Tryk på

(

).
2
Brug

/

til at vælge <Papirkilde>, og tryk på

.
3
Brug den papirkilde, du ønsker at kontrollere udskrivningspositionen for, og tryk på

.
4
Tryk på

(

).
Skærmen vender tilbage til hovedskærmen.
5
Tryk på

(

).
6
Vælg <Printplacer., print>, og tryk på

.
7
Vælg <Ja>, og tryk på

.
Der udføres en udskrift for justering af udskrivningsposition.
Trin 2: Kontrol af retning og afstand ved justering
Når der udføres en udskrift for justering af udskrivningsposition, udskrives kontrolmærkerne

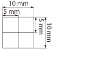
for udskrivningspositionen. Fastlæg retning og afstand, der skal justeres ud fra disse mærker. Hvis udskrivningspositionen er normal, udskrives alle mærkerne ved en position 5 mm fra papirets nærmeste kant.
Sådan kontrolleres en udskrift for justering af udskrivningsposition
Kanten af det papir, der kommer ud først, når papiret udskrives, er toppen af udskriften for justering af udskrivningsposition. Hvis du kontrollerer udskrivningspositionen, skal du kontrollere, hvilken kant på papiret der er øverst.
| | Størrelsen af mærket  til kontrol af udskrivningspositionen er som vist på nedenstående illustration. |
Hvis udskrivningspositionen er ucentreret
Når kontrolmærkerne for udskrivningspositionen udskrives forskudt i forhold til den korrekte position, skal du justere udskrivningspositionen. Hvis du justerer udskrivningspositionen, skal du angive retningen ved hjælp af "+" og "-" samt afstanden ved hjælp af "mm". Brug "-" til at ændre udskrivningspositionen opad og "+" til at ændre den nedad (lodret positionskorrigering). Brug "-" til at ændre udskrivningspositionen til venstre og "+" til at ændre den til højre (vandret positionskorrigering).
Lodret retning (<Forskyd Y>) | Vandret retning (<Forskyd X>) |
I det nedenfor viste eksempel ændres udskrivningspositionen 5 mm opad og 1,7 mm til højre ved at indstille "-5,0 mm" i <Forskyd Y> og indstille "+1,70 mm" i <Forskyd X>.
Trin 3: Justere udskrivningspositionen for hver papirkilde
Efter at du har bekræftet den retning og afstand, der skal justeres, skal du justere udskrivningspositionen. Du kan justere udskrivningspositionen i området -5,0 mm til +5,0 mm i intervaller af 0,1 mm i begge retninger, både lodret og vandret.
1
Indstil maskinen til offline.
Hvis

(

) lyser, skal du trykke på

(

).
2
Tryk på

(

).
3
Brug

/

til at vælge <Brugervedligehold.>, og tryk på

.
4
Vælg <Justér printplacer.>, og tryk på

.
5
Vælg papirtypen, og tryk på

.
Du kan bruge <Fælles> til at justere udskrivningspositionen på første side (forside) ved 2-sidet udskrivningstilstand uanset papirkilde.
6
Vælg det dokument, der skal udskrives, og tryk på

.
Justering af udskrivningsposition for 2-sidet udskrivning
<Forskyd Y (2-sidet)> og <Forskyd X (2-sidet)> gør det muligt at justere udskrivningsposition på første side (forside). Udskrivningspositionen på anden side (bagside) vil blive justeret baseret på de indstillede værdier for hver papirkilde.
Et eksempel på justering af udskrivningspositionFørste side (forside) | <Forskyd Y (2-sidet)> Indstilling af værdi |
Anden side (bagside) | <Forskyd Y (U-bakke)> Indstilling af værdi |
7
Indstil en værdi, og tryk på

.
Baseret på udskrift for justering af udskrivningsposition skal du bruge

/

for at indtaste en værdi.
For at justere en anden position eller papirkilde skal du gentage trin 5 og 7.
8
Tryk på

(

).
Skærmen vender tilbage til hovedskærmen.
9
Tryk

(

) igen.
Maskinen går online.
10
Udfør en udskrift for justering af udskrivningsposition, og kontroller den justerede udskrivningsposition på udskriften.
Trin 1: Udskrivning af aktuel udskrivningspositionJustering af alle udskrivningspositioner |
Du kan bruge <Forskyd Y> og <Forskyd X> i indstillingsmenuen på kontrolpanelet for at justere udskrivningspositionerne for alle udskrivningstyper uanset papirkilden. Du kan justere udskrivningspositionen i området -50,0 mm til +50,0 mm i intervaller af 0,5 mm i begge retninger, både lodret og vandret. Forskyd Y/Forskyd X |