Spausdinimo padėties koregavimas
Jeigu dokumentas spausdinamas ne centre arba už spausdinimo diapazono ribų, koreguokite spausdinimo padėtį. Galima koreguoti visų popieriaus šaltinių spausdinimo padėtį.
1 veiksmas: Dabartinės spausdinimo padėties išspausdinimas
Norėdami patikrinti reguliuojamą kryptį ir atstumą, galite atlikti koreguojamos krypties ir atstumo tikrinimą.
|
|
Jei norite patikrinti dvipusio spausdinimo padėtį, valdymo pulto nustatymų meniu <2-Sided Printing> iš anksto nustatykite kaip <On>. 2-Sided Printing
|
1
Paspauskite

(

).
2
Naudodami

/

pasirinkite <Paper Source> ir paspauskite

.
3
Pasirinkite popieriaus šaltinį, kurio spausdinimo padėtį norite patikrinti, ir spustelėkite

.
4
Paspauskite

(

).
Vėl rodomas pagrindinis ekranas.
5
Paspauskite

(

).
6
Pasirinkite <Printing Pos. Print> ir paspauskite

.
7
Pasirinkite <Yes> ir paspauskite

.
Bus išspausdinta pakoreguota spausdinimo padėtis.
2 veiksmas: Koreguojamos krypties ir atstumo tikrinimas
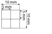
Spausdinimo padėties koregavimo spaudinyje pateikiamos spausdinimo padėties tikrinimo žymės

. Remdamiesi šiomis žymėmis nustatykite koreguojamą kryptį ir atstumą. Kai spausdinimo padėtis yra tinkama, visos žymės atspausdinamos 5 mm nuo artimiausio popieriaus krašto.
Kaip patikrinti spausdinimo padėties koregavimo spaudinius
Pirmasis išspausdintas popieriaus kraštas yra spausdinimo padėties koregavimo spaudinio viršus. Tikrindami spausdinimo padėtį patikrinkite, kuris popieriaus kraštas yra viršus.
|
|
|
Žymės  dydis tikrinant spausdinimo padėtį parodytas tolesniame paveikslėlyje.
|
Kai spausdinimo padėtis yra ne centre
Kai spausdinimo padėties žymės atspausdinamos netinkamose padėtyse, spausdinimo padėtį reikės pakoreguoti. Jei koreguojate spausdinimo padėtį, kryptį nurodykite naudodami „+“ ir „–“, o atstumą – naudodami „mm“. Naudodami „–“ perkelkite spausdinimo padėtį aukštyn, o „+“ – žemyn (vertikalus padėties koregavimas). Naudodami „–“ perkelkite spausdinimo padėtį į kairę, o „+“ – į dešinę (horizontalus padėties koregavimas).
|
Vertikali kryptis (<Offset Y>)
|
Horizontali kryptis (<Offset X>)
|
Toliau pateiktame pavyzdyje parodoma, kad norint perkelti spausdinimo padėtį 5 mm aukštyn ir 1,7 mm į dešinę, „-5,0 mm“ nustatomas lauke <Offset Y>, o „+1,70 mm“ nustatomas lauke <Offset X>.
3 veiksmas: Visų popieriaus šaltinių spausdinimo padėties koregavimas
Patvirtinę koregavimo kryptį ir atstumą, nurodykite pakoreguotą spausdinimo padėtį. Spausdinimo padėtį galite koreguoti nuo -5,0 mm iki +5,0 mm intervale 0,1 mm dalimis bet kuria kryptimi: vertikaliai ir horizontaliai.
1
Išjunkite aparato ryšį.
Kai

(

) įsižiebęs, spustelėkite

(

).
2
Paspauskite

(

).
3
Naudodami

/

pasirinkite <User Maintenance> ir paspauskite

.
4
Pasirinkite <Adj. Print Position> ir paspauskite

.
5
Pasirinkite popieriaus šaltinį ir paspauskite

.
Naudodami <Common>, koreguokite spausdinimo padėtį pirmajame puslapyje (priekinė pusė) spausdindami dvipusiu režimu nepriklausomai nuo popieriaus šaltinio.
6
Pasirinkite koregavimo kryptį ir paspauskite

.
Dvipusio spausdinimo vietos koregavimas
Naudodami <Offset Y (2-Sided)> ir <Offset X (2-Sided)> galėsite pakoreguoti spausdinimo padėtį pirmajame puslapyje (priekinė pusė). Spausdinimo padėtis antrajame puslapyje (galinė pusė) bus pakoreguota pagal kiekvienam popieriaus šaltiniui nustatytas reikšmes.
Spausdinimo padėties koregavimo pavyzdys
|
Pirmas puslapis (priekinė pusė)
|
<Offset Y (2-Sided)> parametro reikšmė
|
|
Antras puslapis (galinė pusė)
|
<Offset Y (MP Tray)> parametro reikšmė
|
7
Nustatykite reikšmę ir spustelėkite

.
Pagal spausdinimo padėties koregavimo spaudinį, reikšmę įveskite naudodami

/

.
Norėdami pakoreguoti kitą padėtį arba popieriaus šaltinį, kartokite 5 ir 7 žingsnius.
8
Paspauskite

(

).
Vėl rodomas pagrindinis ekranas.
9
Dar kartą spustelėkite

(

).
Aparatas prisijungia prie tinklo.
10
Išspausdinkite spausdinimo padėties koregavimo spaudinį ir patikrinkite pakoreguotą spausdinimo padėtį.
1 veiksmas: Dabartinės spausdinimo padėties išspausdinimas
|
Visų spausdinimo vietų koregavimas
|
Valdymo pulto parametrų meniu naudojant <Offset Y> ir <Offset X> galima koreguoti visų spausdinimo tipų spausdinimo padėtį nepriklausomai nuo popieriaus šaltinio. Spausdinimo padėtį galite koreguoti nuo -50,0 mm iki +50,0 mm intervale 0,5 mm dalimis bet kuria kryptimi: vertikaliai ir horizontaliai. Offset Y/Offset X
|