Prilagodba položaja za ispis
Ako ispisani dokument nije centriran ili je izvan raspona ispisa, prilagodite položaj za ispis. Položaj za ispis možete prilagoditi za svaki izvor papira.
1. korak: ispis trenutačnog položaja za ispis
Da biste provjerili smjer i udaljenost za prilagodbu, možete pokrenuti „ispis za prilagodbu položaja za ispis”.
|
|
Ako položaj za ispis želite provjeriti za obostrani ispis, prethodno postavite <2-Sided Printing> na <On> na izborniku postavki na upravljačkoj ploči. 2-Sided Printing
|
1
Pritisnite

(

).
2
Pomoću tipki

/

odaberite <Paper Source>, a zatim pritisnite

.
3
Odaberite izvor papira za koji želite provjeriti položaj za ispis i pritisnite

.
4
Pritisnite

(

).
Prikaz se vraća na glavni zaslon.
5
Pritisnite

(

).
6
Odaberite <Printing Pos. Print>, a zatim pritisnite

.
7
Odaberite <Yes>, a zatim pritisnite

.
Ispisuje se ispis za prilagodbu položaja za ispis.
2. korak: Provjera smjera i udaljenosti koje je potrebno prilagoditi
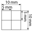
Prilikom ispisa za prilagodbu položaja za ispis ispisuju se oznake za provjeru položaja za ispis

. Na temelju tih oznaka odredite smjer i udaljenost prilagodbe. Kada je položaja za ispis normalan, sve se oznake ispisuju na položaju 5 mm od najbližeg ruba papira.
Provjera ispisa za prilagodbu položaja za ispis
Rub papira koji prvi izlazi iz pisača prilikom ispisa vrh je ispisa za prilagodbu položaja za ispis. Prilikom provjere položaja za ispis obratite pažnju na to koji je rub papira njegov vrh.
|
|
|
Veličina oznake  za provjeru položaja za ispis odgovara onoj prikazanoj na ilustraciji u nastavku.
|
Kada položaja za ispis nije na sredini papira
Kada se oznake za provjeru položaja ispišu uz pomak u odnosu na pravilan položaj, prilagodite položaja za ispis. Prilikom prilagodbe položaja za ispis odredite smjer koristeći „+” i „–” te udaljenost koristeći „mm“. Koristite „–” da biste položaj za ispis pomaknuli prema gore, a „+” da biste ga pomaknuli prema dolje (korekcija položaja po okomici). Koristite „–” da biste pomaknuli položaj za ispis ulijevo, a „+” da biste je pomaknuli udesno (korekcija položaja po horizontali).
|
Okomiti smjer (<Offset Y>)
|
Vodoravni smjer (<Offset X>)
|
U primjeru prikazanom u nastavku pomak položaja za ispis od 5 mm prema gore i 1,7 mm udesno definira se postavljanjem „-5,0 mm” u postavci <Offset Y> i „+1,70 mm” u postavci <Offset X>.
3. korak: Prilagodba položaja za ispis za svaki izvor papira
Nakon što ste potvrdili smjer i udaljenost prilagodbe, odredite prilagođen položaj za ispis. Položaj za ispis možete prilagoditi u rasponu od od -5,0 mm do +5,0 mm u koracima od 0,1 mm u oba smjera: okomito i vodoravno.
1
Postavite uređaj u izvanmrežni način rada.
Dok svijetli

(

), pritisnite

(

).
2
Pritisnite

(

).
3
Pomoću tipki

/

odaberite <User Maintenance>, a zatim pritisnite

.
4
Odaberite <Adj. Print Position>, a zatim pritisnite

.
5
Odaberite izvor papira, a zatim pritisnite

.
U odjeljku <Common> položaj za ispis prilagodite na prvoj stranici (prednjoj strani) u načinu rada za obostrani ispis neovisno o izvoru papira.
6
Odaberite smjer prilagodbe i pritisnite

.
Prilagodba položaja za ispis za obostrani ispis
<Offset Y (2-Sided)> i <Offset X (2-Sided)> omogućuju prilagodbu položaja na prvoj stranici (prednjoj strani). Položaj za ispis na drugoj stranici (stražnjoj strani) prilagodit će se na temelju vrijednosti postavljenih za svaki od izvora papira.
Primjer prilagodbe položaja za ispis
|
Prva stranica (prednja strana)
|
Vrijednost postavke <Offset Y (2-Sided)>
|
|
Druga stranica (stražnja strana)
|
Vrijednost postavke <Offset Y (MP Tray)>
|
7
Postavite vrijednost i pritisnite

.
Na temelju ispisa za prilagodbu položaja za ispis pomoću tipki

/

unesite vrijednost.
Za prilagodbu drugog položaja ili izvora papira ponovite korake od 5. do 7.
8
Pritisnite

(

).
Prikaz se vraća na glavni zaslon.
9
Ponovno pritisnite

(

).
Uređaj prelazi u mrežni način rada.
10
Provedite ispis za prilagodbu položaja za ispis i na njemu provjerite prilagođeni položaj za ispis.
1. korak: ispis trenutačnog položaja za ispis
|
Prilagodba svih položaja za ispis
|
Postavke <Offset Y> i <Offset X> na izborniku postavki na upravljačkoj ploči možete koristiti za prilagodbu položaja za ispis za sve vrste ispisa, neovisno o izvoru papira. Položaj za ispis možete prilagoditi u rasponu od od -50,0 mm do +50,0 mm u koracima od 0,5 mm u oba smjera: okomito i vodoravno. Offset Y/Offset X
|