Nastavitev mesta tiskanja
Če je dokument natisnjen tako, da ni poravnan na sredino, ali zunaj območja za tiskanje, nastavitev mesto tiskanja. Mesto tiskanja lahko nastavite za posamezen vir papirja.
1. korak: Tiskanje trenutnega položaja tiskanja
Z možnostjo »Printing Position Adjustment Print« (Prilagoditveni natis za položaj tiskanja) lahko preverite smer in razdaljo prilagoditve.
|
|
Če želite preveriti položaj tiskanja pri obojestranskem tiskanju, v meniju z nastavitvami na operacijski plošči vnaprej nastavite <2-Sided Printing> na <On>. 2-Sided Printing
|
1
Pritisnite

(

).
2
S tipko

/

izberite <Paper Source> in pritisnite

.
3
Izberite vir papirja, za katerega želite preveriti položaj tiskanja, in pritisnite

.
4
Pritisnite

(

).
Spet se prikaže glavni zaslon.
5
Pritisnite

(

).
6
Izberite <Printing Pos. Print> in pritisnite

.
7
Izberite <Yes> in pritisnite

.
Natisne se prilagoditveni izpis za položaj tiskanja.
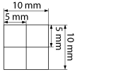
2. korak: Preverjanje smeri in razdalje za nastavitev
Če uporabite možnost »Printing Position Adjustment Print« (Prilagoditveni natis za položaj tiskanja), se natisnejo oznake položaja tiskanja

. Na osnovi teh oznak določite prilagoditveno smer in razdaljo. Če je položaj tiskanja normalen, so vse oznake natisnjene na mestu, ki je 5 mm oddaljeno od najbližjega roba papirja.
Preverjanje prilagoditvenih natisov za položaj tiskanja
Rob papirja, ki prvi pride iz tiskalnika, ko je cilj tiskanja papir, je vrh prilagoditvenega natisa za položaj tiskanja. Pri preverjanju položaja tiskanja preverite, kateri rob papirja je vrh papirja.
|
|
|
Velikost oznake  za preverjanje položaja tiskanja je takšna, kakršna je prikazana na spodnji sliki.
|
Če položaj tiskanja ni v sredini
Če so oznake za položaj tiskanja natisnjene stran od pravilnega položaja, prilagodite položaj tiskanja. Ko prilagajate položaj tiskanja, določite smer s tipkama »+« in »-«, razdaljo pa s tipko »mm«. S tipko »-« premaknete položaj tiskanja navzgor, s tipko »+« pa navzdol (popravljanje navpičnega položaja). S tipko »-« premaknete položaj tiskanja levo, s tipko »+« pa desno (popravljanje vodoravnega položaja).
|
Navpičen položaj (<Offset Y>)
|
Vodoraven položaj (<Offset X>)
|
V spodaj prikazanem primeru je za premik položaja tiskanja za 5 mm navzgor in za 1,7 mm desno nastavljeno »-5,0 mm« v možnosti <Offset Y> in »+1,70 mm« v možnosti <Offset X>.
3. korak: Prilagoditev položaja tiskanja za posamezen vir papirja
Ko potrdite smer in razdaljo za prilagoditev, določite prilagojen položaj tiskanja. Položaj tiskanja lahko prilagodite v razponu od -5,0 mm do +5,0 mm v korakih po 0,1 mm v obeh smereh – navpično in vodoravno.
1
Nastavite napravo brez internetne povezave.
Če je

(

) osvetljena, pritisnite

(

).
2
Pritisnite

(

).
3
S tipko

/

izberite <User Maintenance> in pritisnite

.
4
Izberite <Adj. Print Position> in pritisnite

.
5
Izberite vir papirja in pritisnite

.
Z možnostjo <Common> prilagodite položaj tiskanja na prvi strani (sprednja stran) v načinu obojestranskega tiskanja ne glede na vir papirja.
6
Izberite smer, ki jo želite prilagoditi, in pritisnite

.
Prilagoditev položaja tiskanja za obojestransko tiskanje
<Offset Y (2-Sided)> in <Offset X (2-Sided)> omogočata prilagoditev položaja tiskanja na prvi strani (sprednja stran). Položaj tiskanja na drugi strani (zadnja stran) bo prilagojen na osnovi vrednosti, nastavljenih za posamezni vir papirja.
Primer prilagoditve položaja tiskanja
|
Prva stran (sprednja stran)
|
Vrednost nastavitve <Offset Y (2-Sided)>
|
|
Druga stran (zadnja stran)
|
Vrednost nastavitve <Offset Y (MP Tray)>
|
7
Nastavite vrednost in pritisnite

.
Glede na natis, narejen s funkcijo »Printing Position Adjustment Print« (Prilagoditveni natis za položaj tiskanja), vnesite vrednost s tipkami

/

.
Če želite prilagoditi drug položaj ali vir papirja, ponovite 5. in 7. korak.
8
Pritisnite

(

).
Spet se prikaže glavni zaslon.
9
Znova pritisnite

(

).
Naprava vzpostavi spletno povezavo.
10
Izvedite dejanje s funkcijo »Printing Position Adjustment Print« (Prilagoditveni natis za položaj tiskanja) in na izpisu preverite prilagojeni položaj tiskanja.
1. korak: Tiskanje trenutnega položaja tiskanja
|
Prilagoditev vseh položajev tiskanja
|
Z možnostma <Offset Y> in <Offset X> lahko v meniju z nastavitvami na operacijski plošči prilagodite položaje tiskanja za vse vrste tiskanja ne glede na vir papirja. Položaj tiskanja lahko prilagodite v razponu od -50,0 mm do +50,0 mm v korakih po 0,5 mm v obeh smereh – navpično in vodoravno. Offset Y/Offset X
|