Ajust de la posició d'impressió
Si un document s'imprimeix descentrat o fora de l'espai d'impressió, ajusteu la posició d'impressió. Podeu ajustar la posició d'impressió per a cada origen del paper.
Pas 1: Imprimir la posició d'impressió actual
Podeu dur a terme l'"Impressió d'ajust de posició d'impressió" per verificar la direcció i la distància per ajustar.
|
|
Si voleu verificar la posició d'impressió per a la impressió a doble cara, establiu per endavant <2-Sided Printing> en <On> al menú d'opcions del tauler de control. 2-Sided Printing
|
1
Premeu

(

).
2
Utilitzeu

/

per seleccionar <Paper Source> i premeu

.
3
Seleccioneu la font de paper per a la qual voleu verificar la posició d'impressió i premeu

.
4
Premeu

(

).
La pantalla torna a la pantalla principal.
5
Premeu

(

).
6
Seleccioneu <Printing Pos. Print> i premeu

.
7
Seleccioneu <Yes> i premeu

.
S'imprimeix una impressió d'ajust de posició d'impressió.
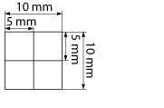
Pas 2: Comprovació de la direcció i la distància que vulgueu ajustar
Quan es realitza la impressió d'ajust de posició d'impressió, s'imprimeixen les marques de verificació de posició d'impressió

. Determineu la direcció i la distància per ajustar en funció d'aquestes marques. Quan la posició d'impressió és normal, totes les marques s'imprimeixen en una posició a 5 mm de la vora més propera del paper.
Com verificar les impressions d'ajust de posició d'impressió
La vora del paper que surt primer quan surt el paper és la part superior d'una impressió d'ajust de posició d'impressió. Quan verifiqueu la posició d'impressió, assegureu-vos de quina vora del paper és la superior.
|
|
|
La mida de la marca  per verificar la posició d'impressió és la qual es mostra a la següent il·lustració.
|
Quan la posició d'impressió està descentrada
Quan les marques de verificació de la posició d'impressió s'imprimeixen en la posició correcta, heu d'ajustar la posició d'impressió. Quan ajusteu la posició d'impressió, introduïu la direcció amb "+" i "-" i la distància amb "mm". Utilitzeu "-" per desplaçar la posició d'impressió cap amunt i "+" per desplaçar-la cap avall (correcció de posició vertical). Utilitzeu "-" per desplaçar la posició d'impressió cap a l'esquerra i "+" per desplaçar-la cap a la dreta (correcció de posició horitzontal).
|
Direcció vertical (<Offset Y>)
|
Direcció horitzontal (<Offset X>)
|
En l'exemple que es mostra a continuació, per canviar la posició d'impressió 5 mm cap amunt i 1,7 mm cap a la dreta, "-5,0 mm" s'estableix en <Offset Y> i "+1,70 mm" estableix en <Offset X>.
Pas 3: Ajustar la posició d'impressió per a cada origen del paper
Després de confirmar la direcció i la distància per ajustar, especifiqueu una posició d'impressió ajustada. Podeu ajustar la posició d'impressió en el rang de -5,0 mm a +5,0 mm en increments de 0,1 mm en qualsevol direcció: vertical i horitzontal.
1
Establiu l'equip sense línia.
Quan s'il·lumini

(

), premeu

(

).
2
Premeu

(

).
3
Utilitzeu

/

per seleccionar <User Maintenance> i premeu

.
4
Seleccioneu <Adj. Print Position> i premeu

.
5
Establiu l'origen de paper i premeu

.
Utilitzeu <Common> per ajustar la posició d'impressió a la primera pàgina (davantera) en la manera d'impressió a doble cara, independentment de l'origen del paper.
6
Seleccioneu la direcció per ajustar i premeu

.
Ajustament de la posició d'impressió per a la impressió a doble cara
<Offset Y (2-Sided)> i <Offset X (2-Sided)> permeten ajustar la posició d'impressió a la primera pàgina (anvers). La posició d'impressió a la segona pàgina (revers) s'ajustarà en funció dels valors establerts per a cada font de paper.
Un exemple d'ajust de posició d'impressió
|
Primera pàgina (anvers)
|
Establir el valor <Offset Y (2-Sided)>
|
|
Segona pàgina (revers)
|
Establir el valor <Offset Y (MP Tray)>
|
7
Establiu un valor i empreu

.
Segons la impressió realitzada per la impressió d'ajust de posició d'impressió, utilitzeu

i

per introduir un valor.
Per ajustar una altra posició o origen del paper, repetiu els passos 5 i 7.
8
Premeu

(

).
La pantalla torna a la pantalla principal.
9
Premeu

(

) de nou.
L'equip es posa en línia.
10
Porteu a terme la impressió d'ajust de posició d'impressió i verifiqueu la posició d'impressió ajustada a la impressió.
Pas 1: Imprimir la posició d'impressió actual
|
Ajust de totes les posicions d'impressió
|
Podeu utilitzar <Offset Y> i <Offset X> al menú d'opcions del tauler de control per ajustar la posició d'impressió per a tots els tipus d'impressió, independentment de l'origen del paper. Podeu ajustar la posició d'impressió en el rang de -50,0 mm a +50,0 mm en increments de 0,5 mm en qualsevol direcció: vertical i horitzontal. Offset Y/Offset X
|