调整打印位置
如果打印文档偏离中心或超出可打印范围,请调整打印位置。可调整各纸张来源的打印位置。
步骤 1:打印当前打印位置
可以执行“打印位置调整打印”,检查要调整的方向和距离。
|
当希望检查双面打印的打印位置时,提前在操作面板的设置菜单中将 <双面打印> 设置为 <打开>。 双面打印 |
1
按

(

)。
2
3
选择希望检查打印位置的纸张来源,然后按

。
4
按

(

)。
画面将返回主画面。
5
按

(

)。
6
选择 <打印位置调整打印>,然后按

。
7
选择 <是>,然后按

。
打印位置调整打印件为输出。
步骤 2:检查要调整的方向和距离
当执行打印位置调整打印时,将打印打印位置复选标记

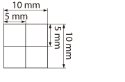
。基于这些标记确定要调整的方向和距离。当打印位置正常时,所有标记将在距纸张最近边的位置 5 mm 打印。
如何检查打印位置调整打印件
纸张首先输出的纸边是打印位置调整打印的顶部。当检查打印位置时,确保纸边为顶部。
| | 下图显示了检查打印位置的标记尺寸  。 |
当打印位置偏离中心时
当打印的打印位置复选标记偏离中心位置时,需要调整打印位置。当调整打印位置时,使用“+”和“-”指定方向并使用“mm”指定距离。使用“-”向上偏移打印位置,使用“+”向下偏移打印位置(垂直位置修正)。使用“-”向左偏移打印位置,使用“+”向右偏移打印位置(水平位置修正)。
在以下示例中,要向上 5 mm 和向右 1.7 mm 偏移打印位置,在 <纵向偏移> 中设置“-5.0 mm”并在 <横向偏移> 中设置“+1.70 mm”。
步骤 3:调整各纸张来源的打印位置
确认要调整的方向和距离后,指定调整的打印位置。可按 0.1 mm 的增量在 -5.0 mm 至 +5.0 mm 的范围纵向和横向调整打印位置。
1
将本机设置为离线。
2
按

(

)。
3
4
选择 <调整打印位置>,然后按

。
5
选择纸张来源,然后按下

。
使用 <常规> 在双面打印模式下调整第一页(正面)的打印位置,无论纸张来源。
6
选择要调整的方向,然后按下

。
双面打印的打印位置调整
<纵向偏移(双面)> 和 <横向偏移(双面)> 可用于调整第一页(正面)的打印位置。第二页(背面)的打印位置将根据各纸张来源的设置值进行调整。
打印位置调整示例第一页(正面) | <纵向偏移(双面)> 设置值 |
第二页(背面) | <纵向偏移(多功能托盘)> 设置值 |
7
设置值并按下

。
基于打印位置调整打印的打印件,使用

/

输入值。
若要调整另一个位置或纸张来源,请重复步骤 5 和 7。
8
按

(

)。
画面将返回主画面。
9
再次按下

(

)。
本机将在线。
10
执行打印位置调整打印,并检查打印件上调整后的打印位置。
步骤 1:打印当前打印位置调整所有打印位置 |
可以使用操作面板设置菜单中的 <纵向偏移> 和 <横向偏移> 调整所有打印类型的打印位置,无论纸张来源。可按 0.5 mm 的增量在 -50.0 mm 至 +50.0 mm 的范围在任一方向调整打印位置:垂直和水平。 纵向偏移/横向偏移 |