Réglage de la position d'impression
Si un document est imprimé décentré ou en dehors de la plage imprimable, réglez la position d'impression. Vous pouvez ajuster la position d'impression pour chaque alimentation papier.
Étape 1 : Impression de la position d'impression actuelle
Vous pouvez utiliser la fonction "Imprimer ajustement de la position d'impression" pour vérifier dans quelle direction et sur quelle distance faire l'ajustement.
|
Pour vérifier la position d'impression pour l'impression recto verso, réglez <Impres. recto verso> sur <Oui> dans le menu des réglages du panneau de commande à l'avance. Impres. recto verso |
1
Appuyez sur

(

).
2
Utilisez

/

pour sélectionner <Source papier> et appuyez sur

.
3
Sélectionnez l'alimentation papier pour laquelle vous souhaitez vérifier la position d'impression, et appuyez sur

.
4
Appuyez sur

(

).
L'écran revient à l'écran principal.
5
Appuyez sur

(

).
6
Sélectionnez <Impr position impr.> et appuyez sur

.
7
Sélectionnez <Oui> et appuyez sur

.
La position d'impression, après ajustement, est imprimée.
Étape 2 : Vérification de la direction et la distance d'ajustement
Avec la fonction Imprimer ajustement de la position d'impression, les repères de vérification de la position d'impression

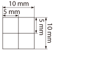
sont imprimés. Utilisez ces repères pour déterminer la direction et la distance pour ajuster la position d'impression. Lorsque la position d'impression est normale, tous les repères sont imprimés à 5 mm du bord le plus proche de la feuille de papier.
Comment vérifier l'impression de la position impression ajustée
Après l'impression, le haut de la feuille, et donc le haut de la position d'impression, sort de l'appareil en premier. Pour vérifier la position d'impression, veillez à bien repérer le haut de la feuille.
| | La taille du repère  de vérification de la position d'impression est indiquée dans le schéma ci-dessous. |
Si la position d'impression est décentrée
Si les repères de vérification de la position d'impression sont imprimés décalés par rapport à la position correcte, vous devez ajuster la position d'impression. Pour ce faire, spécifiez la direction en utilisant "+" et "-" et la distance en utilisant "mm". Utilisez "-" pour déplacer la position d'impression vers le haut et "+" pour la déplacer vers le bas (correction verticale de la position). Utilisez "-" pour déplacer la position d'impression vers la gauche et "+" pour la déplacer vers la droite (correction horizontale de la position).
Direction verticale (<Décalage Y>) | Direction horizontale (<Décalage X>) |
Dans l'exemple ci-dessous, pour déplacer la position d'impression de 5 mm vers le haut et de 1,7 mm vers la droite, on sélectionne "-5,0 mm" pour <Décalage Y> et "+1,70 mm" pour <Décalage X>.
Étape 3 : Ajustement de la position d'impression pour chaque alimentation papier
Après avoir vérifié la direction et la distance d'ajustement, spécifiez une position d'impression ajustée. Vous pouvez ajuster la position d'impression dans la plage allant de -5,0 mm à +5,0 mm par incréments de 0,1 mm dans chaque direction : verticale et horizontale.
1
Mettez l'appareil hors ligne.
Si la touche

(

) est allumée, appuyez sur

(

).
2
Appuyez sur

(

).
3
Utilisez

/

pour sélectionner <Maintenance utilis.> et appuyez sur

.
4
Sélectionnez <Ajus. position impr.> et appuyez sur

.
5
Sélectionnez l'alimentation papier et appuyez sur

.
Utilisez <Commun> pour ajuster la position d'impression sur la première page (recto) en mode d'impression recto verso indépendamment de l'alimentation papier utilisée.
6
Sélectionnez la direction dans laquelle faire l'ajustement, et appuyez sur

.
Réglage de la position d'impression en mode recto verso
<Décal Y (rect vers)> et <Décal X (rect vers)> permettent d'ajuster la position d'impression sur la première page (recto). La position d'impression sur la seconde page (verso) est ajustée en fonction des valeurs définies pour chaque alimentation papier.
Exemple de réglage de la position d'impressionPremière page (recto) | Valeur de réglage <Décal Y (rect vers)> |
Deuxième page (verso) | <Valeur de réglage <Décalage Y (bac MF)> |
7
Sélectionnez une valeur et appuyez sur

.
Sur la base de l'impression réalisée à l'aide de la fonction Imprimer ajustement de la position d'impression, utilisez

/

pour saisir une valeur.
Pour ajuster une autre position ou alimentation papier, répétez les étapes 5 et 7.
8
Appuyez sur

(

).
L'écran revient à l'écran principal.
9
Appuyez de nouveau sur

(

).
L'appareil se remet en ligne.
10
Exécutez la fonction Imprimer ajustement de la position d'impression, et vérifiez la position d'impression ajustée sur l'impression.
Étape 1 : Impression de la position d'impression actuelleAjustement de toutes les positions d'impression |
Vous pouvez utiliser <Décalage Y> et <Décalage X> dans le menu des réglages du panneau de commande pour ajuster les positions d'impression pour tous les types d'impression quelle que soit l'alimentation papier. Vous pouvez ajuster la position d'impression dans la plage allant de -50,0 mm à +50,0 mm par incréments de 0,5 mm dans chaque direction : verticale et horizontale. Décalage Y/Décalage X |