Druckposition anpassen
Wenn ein Dokument nicht in der Mitte oder außerhalb des bedruckbaren Bereichs gedruckt wird, passen Sie die Druckposition an. Sie können die Druckposition für jede Papierzufuhr anpassen.
Schritt 1: Drucken der aktuellen Druckposition
Sie können "Drucken der Druckpositionseinstellung" ausführen, um die einzustellende Richtung und den Abstand zu überprüfen.
|
Wenn Sie die Druckposition für den doppelseitigen Druck prüfen möchten, setzen Sie zuvor <Doppelseitiger Druck> auf <Ein> im Einstellungsmenü des Bedienfelds. Doppelseitiger Druck |
1
Drücken Sie

(

).
2
Wählen Sie mit

/

die Option <Papierzufuhr>, und drücken Sie

.
3
Wählen Sie die Papierzufuhr, für die Sie die Druckposition überprüfen möchten, und drücken Sie

.
4
Drücken Sie

(

).
Der Bildschirm kehrt zum Hauptbildschirm zurück.
5
Drücken Sie

(

).
6
Wählen Sie <Druckposition Druck>, und drücken Sie

.
7
Wählen Sie <Ja>, und drücken Sie

.
Eine Druckausgabe der Druckpositionseinstellung wird ausgegeben.
Schritt 2: Überprüfen der einzustellenden Richtung und des Abstands
Wenn der Druckvorgang der Druckpositionseinstellung ausgeführt wird, werden die Markierungen der Druckposition

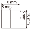
gedruckt. Bestimmen Sie die Richtung und den anzupassenden Abstand basierend auf diesen Markierungen. Wenn die Druckposition bestimmungsgemäß ist, werden sämtliche Markierungen in einer Position 5 mm ab dem nächstgelegenen Rand des Papiers gedruckt.
So prüfen Sie die Druckausgaben der Druckpositionseinstellung
Der Rand des Papiers, das bei der Ausgabe des Papiers zuerst erscheint, ist die Oberseite der Druckausgabe der Druckpositionseinstellung. Wenn Sie die Druckposition überprüfen, achten Sie darauf, welcher Rand des Papiers sich oben befindet.
| | Die Größe der Markierung  für die Überprüfung der Druckposition wird in der nachfolgenden Abbildung dargestellt. |
Wenn die Druckposition nicht in der Mitte ist
Wenn die Markierungen der Druckposition nicht in der korrekten Position gedruckt werden, müssen Sie die Druckposition anpassen. Wenn Sie die Druckposition anpassen, geben Sie die Richtung mit "+" und "-" und den Abstand mit "mm" an. Mit "-" verschieben Sie die Druckposition nach oben und mit "+" nach unten (vertikale Positionskorrektur). Mit "-" verschieben Sie die Druckposition nach links und mit "+" nach rechts (horizontale Positionskorrektur).
Vertikale Richtung (<Versatz Y>) | Horizontale Richtung (<Versatz X>) |
Im nachfolgenden Beispiel, um die Druckposition 5 mm nach oben und 1,7 mm nach rechts zu verschieben, wird "-5,0 mm" in <Versatz Y> gesetzt und "+1,70 mm" wird in <Versatz X> gesetzt.
Schritt 3: Einstellen der Druckposition für die jeweilige Papierzufuhr
Nachdem Sie die anzupassende Richtung und den Abstand bestätigt haben, geben Sie eine angepasste Druckposition an. Sie können die Druckposition im Bereich von -5,0 mm bis +5,0 mm in Schritten von 0,1 mm in jeder Richtung anpassen: vertikal und horizontal.
1
Schalten Sie das Gerät offline.
Wenn

(

) aufleuchtet, drücken Sie

(

).
2
Drücken Sie

(

).
3
Wählen Sie mit

/

die Option <Anwenderwartung>, und drücken Sie

.
4
Wählen Sie <Druckpos. justieren>, und drücken Sie

.
5
Wählen Sie die Papierzufuhr und drücken Sie

.
Verwenden Sie <Allgemein>, um die Druckposition auf der ersten Seite (Vorderseite) im doppelseitigen Druckmodus ungeachtet der Papierzufuhr anzupassen.
6
Wählen Sie die anzupassende Richtung und drücken Sie

.
Einstellen der Druckposition für doppelseitigen Druck
<Vers. Y (doppels.)> und <Vers. X (doppels.)> um die Druckposition auf der ersten Seite (Vorderseite) anzupassen. Die Druckposition auf der zweiten Seite (Rückseite) wird auf Basis der für die jeweilige Papierzufuhr eingestellten Werte angepasst.
Ein Beispiel der DruckpositionsanpassungErste Seite (Vorderseite) | <Vers. Y (doppels.)> Einstellwert |
Zweite Seite (Rückseite) | <Versatz Y (MZ-Fach)> Einstellwert |
7
Legen Sie einen Wert fest, und drücken Sie

.
Basierend auf der über die Funktion Druckausgabe der Druckpositionseinstellung ausgeführte Druckausgabe, geben Sie mit

/

einen Wert ein.
Um eine andere Position oder Papierzufuhr einzustellen, wiederholen sie die Schritte 5 und 7.
8
Drücken Sie

(

).
Der Bildschirm kehrt zum Hauptbildschirm zurück.
9
Drücken Sie

(

) erneut.
Das Gerät wird online geschaltet.
10
Führen Sie die Druckausgabe der Druckpositionseinstellung aus, und prüfen Sie die angepasste Druckposition auf der Druckausgabe.
Schritt 1: Drucken der aktuellen DruckpositionAnpassen aller Druckpositionen |
Sie können mit <Versatz Y> und <Versatz X> im Einstellungsmenü des Bedienfelds die Druckpositionen für alle Drucktypen ungeachtet der Papierzufuhr anpassen. Sie können die Druckposition im Bereich von -50,0 mm bis +50,0 mm in Schritten von 0,5 mm in jeder Richtung anpassen: vertikal und horizontal. Versatz Y/Versatz X |