Ajuste de la posición de impresión
So un documento se imprime descentrado o fuera de los márgenes de impresión, ajuste la posición de impresión. Puede ajustar la posición de impresión para cada origen de papel.
Paso 1: Imprimir en la posición de impresión actual
Puede utilizar "Impresión del ajuste de la posición de impresión" para comprobar la dirección y la distancia a ajustar.
|
Si desea comprobar la posición de la impresión a doble cara, primero configure <Impres. a doble cara> como <Activado> en el menú de configuración del panel de control. Impres. a doble cara |
1
Pulse

(

).
2
Utilice

/

para seleccionar <Origen del papel>, y pulse

.
3
Seleccione el origen de papel cuya posición de impresión desea comprobar y pulse

.
4
Pulse

(

).
Vuelve a verse la pantalla principal.
5
Pulse

(

).
6
Seleccione <Impr. de ajuste pos.>, y pulse

.
7
Seleccione <Sí>, y pulse

.
Se imprime un ajuste de la posición de impresión.
Paso 2: Comprobación de la dirección y distancia que debe ajustarse
Al realizar la impresión del ajuste de la posición de impresión, se imprimen las marcas de verificación de la posición de impresión

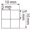
. Determine la dirección y la distancia para ajustar a partir de esas marcas. Si la posición de impresión es normal, todas las marcas se imprimen en una posición 5 mm del borde más cercano del papel.
Cómo verificar la impresión de ajuste de la posición de impresión
El borde del papel que sale primero al imprimirse es la parte superior de una impresión de ajuste de la posición de impresión. Al comprobar la posición de impresión, verifique qué borde del papel está en la parte superior.
| | El tamaño de la marca  para verificar la posición de impresión es como se indica en la ilustración siguiente. |
Si la posición de impresión está descentrada
Si las marcas de verificación de la posición de impresión están descentradas de la posición correcta, tendrá que ajustar la posición de impresión. Si ajusta la posición de impresión, especifique la dirección mediante "+" y "-" y la distancia en "mm". Utilice "-" para desplazar la posición de impresión hacia arriba y "+" para desplazarla hacia abajo (corrección de la posición vertical). Utilice "-" para desplazar la posición de impresión a la izquierda y "+" para desplazarla a la derecha (corrección de la posición horizontal).
Dirección vertical (<Desplazar Y>) | Dirección horizontal (<Desplazar X>) |
En el ejemplo que se muestra a continuación, para desplazar la posición de impresión 5 mm hacia arriba y 1,7 mm hacia la derecha, "-5,0 mm" está configurado en <Desplazar Y> y "+1,70 mm" está configurado en <Desplazar X>.
Paso 3: Ajustar la posición de impresión para cada origen de papel
Tras confirmar la dirección y la distancia para ajustar, especifique una posición de impresión ajustada. Puede ajustar la posición de impresión en el intervalo de de -5,0 mm a +5,0 mm en incrementos de 0,1 mm en cada dirección: vertical y horizontal.
1
Ponga el equipo fuera de línea.
Si

(

) está encendido, pulse

(

).
2
Pulse

(

).
3
Utilice

/

para seleccionar <Mantenim. de usuario>, y pulse

.
4
Seleccione <Ajus. pos. de impre.>, y pulse

.
5
Seleccione el origen del papel y pulse

.
Utilice <Común> para ajustar la posición de impresión en la primera página (anverso) en el modo de impresión a doble cara independientemente del origen del papel.
6
Seleccione la dirección para ajustar y pulse

.
Ajuste de la posición de impresión para impresión a doble cara
<Desp. Y (Doble cara)> y <Desp. X (Doble cara)> le permiten ajustar la posición de impresión en la primera página (anverso). La posición de impresión en la segunda página (reverso) se ajustará en función de los valores establecidos para cada origen del papel.
Un ejemplo de ajuste de la posición de impresiónPrimera página (anverso) | <Desp. Y (Doble cara)> valor de ajuste |
Segunda página (reverso) | <Desplaz. Y (Ban. MU)> valor de ajuste |
7
Configure un valor y pulse

.
A partir de la impresión de ajuste de la posición de impresión, utilice

/

para introducir un valor.
Para ajustar otra posición u origen del papel, repita los pasos 5 y 7.
8
Pulse

(

).
Vuelve a verse la pantalla principal.
9
Vuelva a pulsar

(

).
El equipo se conecta en línea.
10
Realice la impresión de ajuste de la posición de impresión y verifique la posición de impresión ajustada.
Paso 1: Imprimir en la posición de impresión actualAjustar todas las posiciones de impresión |
Puede utilizar <Desplazar Y> y <Desplazar X> en el menú de configuración del panel de control para ajustar las posiciones de impresión de todos los tipos de impresión con independencia del origen del papel. Puede ajustar la posición de impresión en el intervalo de de -50,0 mm a +50,0 mm en incrementos de 0,5 mm en cada dirección: vertical y horizontal. Desplazar Y/Desplazar X |