Ajustar a posição de impressão
Se um documento for impresso descentrado ou fora da área de impressão, ajuste a posição de impressão. Pode ajustar a posição de impressão para cada origem de papel.
Passo 1: Imprimir a posição de impressão atual
Pode efetuar a “Imprimir ajuste da posição de impressão” para verificar a direção e a distância para ajustar.
|
|
Quando quiser verificar a posição de impressão para a impressão de frente e verso, defina <Impressão em 2 Lados> para <Ativado> no menu de programação do painel de controlo antecipadamente. Impressão em 2 Lados
|
1
Prima

(

).
2
Use

/

para selecionar <Fonte de Papel> e prima

.
3
Selecione a origem de papel para a qual pretende ajustar a posição de impressão e prima

.
4
Prima

(

).
O ecrã regressa ao ecrã principal.
5
Prima

(

).
6
Selecione <Impr. Pos. Impressão> e prima

.
7
Selecione <Sim> e prima

.
É impresso o ajuste da posição de impressão.
Passo 2: Verificar a direção e a distância para ajustar
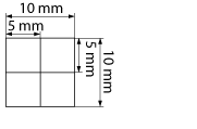
Quanto é impresso o Ajuste da posição de impressão, as marcas de verificação da posição de impressão

são impressas. Determine a direção e distância para o ajuste com base nessas marcas. Quando a posição de impressão está normal, todas as marcas são impressas numa posição de impressão de 5 mm da extremidade mais próxima do papel.
Como verificar as impressões do Ajuste da posição de impressão
A extremidade do papel que sai primeiro da impressora é a parte superior da Impressão do Ajuste da posição de impressão. Ao verificar a posição de impressão, certifique-se de que a extremidade do papel está no topo.
|
|
|
O tamanho da marca  para verificação da posição de impressão está conforme a imagem abaixo.
|
Quando a Posição de impressão está descentrada
Quando as marcas de verificação da posição de impressão não estão na posição correta, tem de ajustar a posição de impressão. Ao ajustar a posição de impressão, especifique a direção usando “+” e “-” e distância usando “mm”. Use “-” para mudar a posição de impressão para cima e “+” para a mudar para baixo (correção da posição vertical). Use “-” para mudar a posição de impressão para a esquerda e “+” para a mudar para a direita (correção da posição horizontal).
|
Direção vertical (<Deslocamento Y>)
|
Direção horizontal (<Deslocamento X>)
|
No exemplo abaixo, para mudar a posição de impressão 5 mm para cima em 1,7 mm para a direita, “-5,0 mm” é definido para <Deslocamento Y> e “+1,70 mm” é definido para <Deslocamento X>.
Passo 3: Ajustar a posição de impressão para cada origem de papel.
Depois de confirmar a direção e a distância a ajustar, especifique uma posição de Impressão ajustada. Pode ajustar a posição de impressão no intervalo de -5,0 mm a +5,0 mm em incrementos de 0,1 mm em qualquer direção: vertical e horizontal.
1
Coloque a máquina offline.
Quando

(

) estiver aceso, prima

(

).
2
Prima

(

).
3
Use

/

para selecionar <Manutenção Usuário>, e prima

.
4
Selecione <Ajust. Posição Impr.> e prima

.
5
Selecione a origem do papel e prima

.
Use <Comum> para ajustar a posição de impressão na primeira página (frente) no modo de impressão frente e verso, independentemente da origens do papel.
6
Selecione a direção a ajustar e prima

.
Ajuste da posição de impressão para a impressão de frente e verso
<Desloc. Y (2 Lados)> e <Desloc. X (2 Lados)> permitem ajustar a posição de impressão na primeira página (frente). A posição de impressão na segunda página (verso) será ajustada com base nos valores definidos para cada origens do papel.
Um exemplo do ajuste da posição de impressão
|
Primeira página (frente)
|
Valor da definição <Desloc. Y (2 Lados)>
|
|
Segunda página (verso)
|
Valor da definição <Desloc. Y (Band. MP)>
|
7
Defina um valor e prima

.
Com base na impressão do Ajuste da posição de impressão, use

/

para introduzir um valor.
Para ajustar outra posição ou origem do papel, repita os passos 5 e 7.
8
Prima

(

).
O ecrã regressa ao ecrã principal.
9
Prima

(

) novamente.
A máquina fica online.
10
Realize a impressão do Ajuste da posição de impressão e verifique a posição de impressão ajustada na impressão.
Passo 1: Imprimir a posição de impressão atual
|
Ajustar todas as posições de impressão
|
Pode utilizar <Deslocamento Y> e <Deslocamento X> no menu de programação do painel de controlo para ajustar as posições de impressão de todos os tipos de impressão, independentemente da origem do papel. Pode ajustar a posição de impressão no intervalo de -50,0 mm a +50,0 mm em incrementos de 0,5 mm em qualquer direção: vertical e horizontal. Deslocamento Y/Deslocamento X
|