Ρύθμιση θέσης εκτύπωσης
Αν ένα έγγραφο δεν εκτυπωθεί κεντραρισμένο ή εκτός του εύρους εκτύπωσης, ρυθμίστε τη θέση εκτύπωσης. Μπορείτε να ρυθμίσετε τη θέση εκτύπωσης για κάθε πηγή χαρτιού.
Βήμα 1: Εκτύπωση τρέχουσας θέσης εκτύπωσης
Μπορείτε να εκτελέσετε εκτύπωση προσαρμογή θέσης εκτύπωσης για να ελέγξετε την κατεύθυνση και την απόσταση προς ρύθμιση.
|
|
Όταν θέλετε να ελέγξετε τη θέση εκτύπωσης για εκτύπωση 2 όψεων, ορίστε εκ των προτέρων την επιλογή <2-Sided Printing> σε <On> στο μενού ρυθμίσεων του πίνακα λειτουργίας. 2-Sided Printing
|
1
Πατήστε

(

).
2
Χρησιμοποιήστε τα πλήκτρα

/

για να επιλέξετε <Paper Source> και πατήστε

.
3
Επιλέξτε την πηγή χαρτιού τη θέση εκτύπωσης της οποίας θέλετε να ελέγξετε και πατήστε

.
4
Πατήστε

(

).
Η οθόνη επανέρχεται στην κύρια οθόνη.
5
Πατήστε

(

).
6
Επιλέξτε <Printing Pos. Print> και πατήστε

.
7
Επιλέξτε <Yes> και πατήστε

.
Παράγεται μια εκτύπωση προσαρμογής θέσης εκτύπωσης.
Βήμα 2: Έλεγχος κατεύθυνσης και απόστασης προς ρύθμιση
Όταν εκτελείται εκτύπωση προσαρμογή θέσης εκτύπωσης, εκτυπώνονται τα σημάδια ελέγχου της θέσης εκτύπωσης

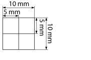
. Προσδιορίστε την κατεύθυνση και την απόσταση που πρέπει να προσαρμοστούν, με βάση αυτά τα σημάδια. Όταν η θέση εκτύπωσης είναι κανονική, όλα τα σημάδια εκτυπώνονται σε θέση 5 mm από το πλησιέστερο άκρο του χαρτιού.
Τρόπος ελέγχου των εκτυπώσεων προσαρμογής θέσης εκτύπωσης
Το άκρο του χαρτιού που βγαίνει πρώτο κατά την εκτύπωση είναι η επάνω πλευρά μιας εκτύπωσης προσαρμογής θέσης εκτύπωσης. Όταν ελέγχετε τη θέση εκτύπωσης, φροντίστε να καθορίσετε το επάνω άκρο του χαρτιού.
|
|
|
Το μέγεθος του σημαδιού  για τον έλεγχο της θέσης εκτύπωσης είναι όπως φαίνεται στην παρακάτω εικόνα.
|
Όταν η θέση εκτύπωσης δεν είναι κεντραρισμένη
Όταν τα σημάδια ελέγχου της θέσης εκτύπωσης δεν τυπώνονται στη σωστή θέση, πρέπει να προσαρμόσετε τη θέση εκτύπωσης. Όταν προσαρμόζετε τη θέση εκτύπωσης, καθορίστε την κατεύθυνση με «+» και «-», και την απόσταση με «mm». Χρησιμοποιήστε το «-» για να μετατοπίσετε τη θέση εκτύπωσης προς τα επάνω, και το «+» για να την μετατοπίσετε προς τα κάτω (διόρθωση κατακόρυφης θέσης). Χρησιμοποιήστε το «-» για να μετατοπίσετε τη θέση εκτύπωσης προς τα αριστερά, και το «+» για να την μετατοπίσετε προς τα δεξιά (διόρθωση οριζόντιας θέσης).
|
Κατακόρυφη κατεύθυνση (<Offset Y>)
|
Οριζόντια κατεύθυνση (<Offset X>)
|
Στο παράδειγμα που εμφανίζεται παρακάτω, για να μετατοπιστεί η θέση εκτύπωσης κατά 5 mm προς τα επάνω και κατά 1,7 mm προς τα δεξιά, καθορίζετε «-5,0 mm» στο <Offset Y> και «+1,70 mm» στο <Offset X>.
Βήμα 3: Προσαρμογή της θέσης εκτύπωσης για κάθε πηγή χαρτιού
Αφού επιβεβαιώσετε την κατεύθυνση και την απόσταση προς προσαρμογή, καθορίστε την προσαρμοσμένη θέση εκτύπωσης. Μπορείτε να προσαρμόσετε τη θέση εκτύπωσης εντός του εύρους -5,0 mm έως +5,0 mm με προσαυξήσεις της 0,1 mm προς κάθε κατεύθυνση: κατακόρυφη και οριζόντια.
1
Θέστε τη συσκευή εκτός σύνδεσης.
Όταν ανάψει η ένδειξη

(

), πατήστε

(

).
2
Πατήστε

(

).
3
Χρησιμοποιήστε τα πλήκτρα

/

για να επιλέξετε <User Maintenance>, και πατήστε

.
4
Επιλέξτε <Adj. Print Position> και πατήστε

.
5
Επιλέξτε την πηγή χαρτιού και πατήστε

.
Χρησιμοποιήστε την επιλογή <Common>, για να προσαρμόσετε τη θέση εκτύπωσης στην πρώτη σελίδα (εμπρός όψη) σε λειτουργία εκτύπωσης 2-όψεων, ανεξάρτητα από την πηγή χαρτιού.
6
Επιλέξτε την κατεύθυνση προς προσαρμογή και πατήστε

.
Προσαρμογή θέσης εκτύπωσης για εκτύπωση 2 όψεων
Οι επιλογές <Offset Y (2-Sided)> και <Offset X (2-Sided)> σας επιτρέπουν να προσαρμόσετε τη θέση εκτύπωσης στην πρώτη σελίδα (εμπρός όψη). Η θέση εκτύπωσης στη δεύτερη σελίδα (πίσω όψη) θα προσαρμοστούν με βάση τις τιμές που ορίζονται για κάθε πηγή χαρτιού.
Παράδειγμα προσαρμογής θέσης εκτύπωσης
|
Πρώτη σελίδα (εμπρός όψη)
|
Τιμή ρύθμισης <Offset Y (2-Sided)>
|
|
Δεύτερη σελίδα (πίσω όψη)
|
Τιμή ρύθμισης <Offset Y (MP Tray)>
|
7
Ορίστε μια τιμή και πατήστε

.
Έχοντας ως βάση την εκτύπωση προσαρμογής θέσης εκτύπωσης, χρησιμοποιήστε τα πλήκτρα

/

για να εισαγάγετε μια τιμή.
Για να προσαρμόσετε μια άλλη θέση ή πηγή χαρτιού, επαναλάβετε τα βήματα 5 έως 7.
8
Πατήστε

(

).
Η οθόνη επανέρχεται στην κύρια οθόνη.
9
Πατήστε

(

) ξανά.
Η συσκευή συνδέεται.
10
Εκτελέστε Εκτύπωση προσαρμογής θέσης εκτύπωσης και ελέγξτε την προσαρμοσμένη θέση εκτύπωσης στην εκτύπωση.
Βήμα 1: Εκτύπωση τρέχουσας θέσης εκτύπωσης
|
Προσαρμογή όλων των θέσεων εκτύπωσης
|
Μπορείτε να χρησιμοποιήσετε τις επιλογές <Offset Y> και <Offset X> στο μενού ρυθμίσεων του πίνακα λειτουργίας για να ρυθμίσετε τις θέσεις εκτύπωσης για όλους τους τύπους εκτύπωσης, ανεξάρτητα από την πηγή χαρτιού. Μπορείτε να προσαρμόσετε τη θέση εκτύπωσης εντός του εύρους -50,0 mm έως +50,0 mm με προσαυξήσεις της 0,5 mm προς κάθε κατεύθυνση: κατακόρυφη και οριζόντια. Offset Y/Offset X
|