Nastavení pozice tisku
Pokud se dokument tiskne mimo střed nebo mimo tisknutelnou oblast, upravte pozici tisku. Pozici tisku můžete upravit pro každý zdroj papíru.
Krok 1: Tisk aktuální pozice tisku
Můžete provést „Tisk úpravy pozice tisku“ pro kontrolu směru a vzdálenosti, které se mají upravit.
|
|
Pokud chcete zkontrolovat pozici tisku pro oboustranný tisk, nastavte předem možnost <2stranný tisk> na <Zap> v nabídce nastavení na ovládacím panelu. 2stranný tisk
|
1
Stiskněte tlačítko

(

).
2
Pomocí tlačítek

/

vyberte možnost <Zdroj papíru> a stiskněte tlačítko

.
3
Vyberte zdroj papíru, pro který chcete zkontrolovat pozici tisku, a stiskněte

.
4
Stiskněte tlačítko

(

).
Obrazovka se vrátí na hlavní obrazovku.
5
Stiskněte tlačítko

(

).
6
Vyberte možnost <Tisk nast. pol.tisku> a stiskněte tlačítko

.
7
Vyberte možnost <Ano> a stiskněte tlačítko

.
Výtisk upravení pozice tisku je proveden.
Krok 2: Kontrola směru a vzdálenosti nastavení, které se mají upravit
Pokud provádíte tisk úpravy pozice tisku, vytisknou se kontrolní značky polohy tisku

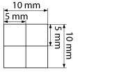
. Určete směr a vzdálenost, které se mají upravit, na základě těchto značek. Když je pozice tisku normální, všechny značky se vytisknou v pozici 5 mm od nejbližšího okraje papíru.
Jak kontrolovat výtisky upravení pozice tisku
Okraj papíru, který vyjde jako první, když papír vystupuje, je horní část tisku úpravy pozice tisku. Když pozici tisku kontrolujete, dávejte pozor na to, který okraj papíru je nahoře.
|
|
|
Velikost značky  pro kontrolu pozice tisku odpovídá obrázku níže.
|
Když je pozice tisku mimo střed
Když se kontrolní značky pozice tisku vytisknou mimo středovou pozici, musíte pozici tisku upravit. Když pozici tisku upravíte, zadejte směr pomocí „+“ a „-“ a vzdálenost pomocí „mm“. Pomocí „-“ posunete pozici tisku nahoru a pomocí „+“ ji posunete dolů (korekce svislé pozice). Pomocí „-“ posunete pozici tisku doleva a pomocí „+“ ji posunete doprava (korekce vodorovné pozice).
|
Svislý směr (<Přesah Y>)
|
Vodorovný směr (<Přesah X>)
|
V příkladu uvedeném níže je pro posun pozice tisku 5 mm nahoru a 1,7 mm doprava nastavena možnost „-5,0 mm“ v <Přesah Y> a možnost „+1,70 mm“ je nastavena v <Přesah X>.
Krok 3: Upravení pozice tisku pro každý zdroj papíru
Po potvrzení směru a vzdálenosti, které se mají upravit, zadejte upravenou pozici tisku. Pozici tisku můžete upravit v rozsahu -5,0 mm až +5,0 mm v krocích 0,1 mm v obou směrech: svislém i vodorovném.
1
Nastavte zařízení na offline.
Pokud svítí

(

), stiskněte

(

).
2
Stiskněte tlačítko

(

).
3
Pomocí tlačítek

/

vyberte možnost <Uživatelská údržba> a stiskněte tlačítko

.
4
Vyberte možnost <Uprav. polohu tisku> a stiskněte tlačítko

.
5
Vyberte zdroj papíru a stiskněte

.
Použijte <Běžná> k upravení polohy tisku na první straně (přední strana) v režimu oboustranného tisku bez ohledu na zdroj papíru.
6
Vyberte směr, který chcete upravit, a stiskněte

.
Úprava polohy tisku pro oboustranný tisk
<Přesah Y (2stranný)> a <Přesah X (2stranný)> vám umožní upravit polohu tisku na první straně (přední straně). Poloha tisku na druhé straně (zadní straně) bude upravena podle hodnot nastavených pro každý zdroj papíru.
Příklad úpravy polohy tisku
|
První strana (přední strana)
|
<Přesah Y (2stranný)> nastavení hodnoty
|
|
Druhá strana (zadní strana)
|
<Přesah Y (Víceú.př.)> nastavení hodnoty
|
7
Nastavte hodnotu a stiskněte tlačítko

.
Na základě výtisku podle funkce tisk úpravy pozice tisku použijte

/

k zadání hodnoty.
Pro upravení jiné pozice nebo zdroje papíru opakujte kroky 5 a 7.
8
Stiskněte tlačítko

(

).
Obrazovka se vrátí na hlavní obrazovku.
9
Znovu stiskněte tlačítko

(

).
Zařízení přejde do režimu online.
10
Proveďte tisk úpravy pozice tisku a zkontrolujte upravenou pozici tisku na výtisku.
Krok 1: Tisk aktuální pozice tisku
|
Úprava všech tiskových pozic
|
K úpravě polohy tisku u všech typů tisku bez ohledu na zdroj papíru můžete použít možnost <Přesah Y> a <Přesah X> v nabídce nastavení na ovládacím panelu. Polohu tisku můžete upravit v rozsahu -50,0 mm až +50,0 mm v krocích po 0,5 mm v obou směrech: ve svislém i vodorovném směru. Přesah Y/Přesah X
|