Drukāšanas pozīcijas pielāgošana
Ja dokuments tiek drukāts ar nobīdi no centra vai ārpus apdrukājamā diapazona, pielāgojiet drukāšanas pozīciju. Varat pielāgot drukāšanas vietu katram papīra avotam.
1. darbība. Pašreizējās drukas vietas drukāšana
Veiciet darbību “Drukas vietas pielāgošanas izdruka”, lai pārbaudītu pielāgojamo virzienu un attālumu.
|
|
Ja vēlaties pārbaudīt drukas vietu abpusējai drukāšanai, darbības paneļa iestatījumu izvēlnē izvēlieties iespējas <2-Sided Printing> iestatījumu <On>. 2-Sided Printing
|
1
Nospiediet

(

).
2
Izmantojiet

/

, lai izvēlētos <Paper Source>, un nospiediet

.
3
Izvēlieties papīra avotu, kuram vēlaties pārbaudīt drukas vietu, un nospiediet

.
4
Nospiediet

(

).
Displejs pārslēdzas atpakaļ uz galveno ekrānu.
5
Nospiediet

(

).
6
Izvēlieties <Printing Pos. Print> un nospiediet

.
7
Izvēlieties <Yes> un nospiediet

.
Tiek izvadīta drukas vietas pielāgojuma izdruka.
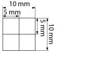
2. darbība. Pielāgojamā virziena un attāluma pārbaude
Kad tiek veikta drukas vietas pielāgojuma izdruka, tiks izdrukātas drukas vietas pārbaudes atzīmes

. Nosakiet virzienu un attālumu, kas jāpielāgo, pamatojoties uz šīm atzīmēm. Kad drukas vieta ir tāda, kā paredzēts, visas atzīmes tiks izdrukātas 5 mm attālumā no papīra tuvākās malas.
Kā pārbaudīt drukas vietas pielāgošanas izdrukas
Papīra mala, kas, izvadot papīru, parādās vispirms, ir drukas vietas pielāgošanas izdrukas augšdaļa. Kad pārbaudāt drukas vietu, nosakiet, kura no papīra malām ir augšdaļa.
|
|
|
Atzīmes  lielums drukas vietas pārbaudei ir tāds, kā redzams ilustrācijā zemāk.
|
Ja drukas vieta nav vidusdaļā
Ja drukas vietas pārbaudes atzīmes tiek izdrukātas nepareizā vietā, jāpielāgo drukas vieta. Pielāgojot drukas vietu, norādiet virzienu ar “+” un “-” un attālumu norādiet ar “mm” Izmantojiet “-”, lai pārvietotu drukas vietu uz augšu un “+”, lai pārvietotu drukas vietu uz leju (vertikālā vietas korekcija). Izmantojiet “-”, lai pārvietotu drukas vietu pa kreisi un “+”, lai pārvietotu drukas vietu pa labi (horizontālā vietas korekcija).
|
Vertikālais virziens (<Offset Y>)
|
Horizontālais virziens (<Offset X>)
|
Zemāk piemērā: lai pārvietotu drukas vietu 5 mm uz augšu un 1,7 mm pa labi, sadaļā <Offset Y> tiek iestatīta vērtība “-5,0 mm” un sadaļā <Offset X> tiek iestatīta vērtība “+1,70 mm”.
3. darbība. Drukas vietas pielāgošana katram papīra avotam
Pēc pielāgojamā virziena un attāluma apstiprināšanas norādiet pielāgoto drukas vietu. Pielāgojiet drukas vietu no -5,0 mm līdz +5,0 mm diapazonā ar 0,1 mm pieauguma soļiem jebkurā virzienā: vertikāli un horizontāli.
1
Pārslēdziet iekārtu bezsaistes režīmā.
Kad iedegas

(

), nospiediet

(

).
2
Nospiediet

(

).
3
Izmantojiet

/

, lai izvēlētos <User Maintenance>, un nospiediet

.
4
Izvēlieties <Adj. Print Position> un nospiediet

.
5
Izvēlieties papīra avotu un nospiediet

.
Izmantojiet iespēju <Common>, lai pielāgotu drukas vietu pirmajai lapai (priekšpuse) abpusējā drukāšanas režīmā neatkarīgi no papīra avota.
6
Izvēlieties pielāgojamo virzienu un nospiediet

.
Drukas vietas pielāgošana abpusējai drukāšanai
Iespēja <Offset Y (2-Sided)> un <Offset X (2-Sided)> ļauj pielāgot drukas vietu uz pirmās lapas (priekšpuse). Drukas vieta uz nākamās lapas (mugurpuse) tiks pielāgota, pamatojoties uz vērtībām, kas iestatītas katram papīra avotam.
Drukas vietas pielāgošanas piemērs
|
Pirmā lapa (priekšpuse)
|
<Offset Y (2-Sided)> iestatījuma vērtība
|
|
Nākamā lapa
|
<Offset Y (MP Tray)> iestatījuma vērtība
|
7
Iestatiet vērtību un nospiediet

.
Pamatojoties uz izdruku, kas tika veikta ar drukas vietas pielāgošanas drukāšanas funkciju, izmantojiet

/

, lai ievadītu vērtību.
Lai pielāgotu citu vietu vai papīra avotu, atkārtojiet 5. un 7. darbību.
8
Nospiediet

(

).
Displejs pārslēdzas atpakaļ uz galveno ekrānu.
9
Vēlreiz nospiediet

(

).
Iekārta pārslēdzas tiešsaistes režīmā.
10
Veiciet drukas vietas pielāgošanas izdruku un izdrukā pārbaudiet pielāgoto drukas vietu.
1. darbība. Pašreizējās drukas vietas drukāšana
|
Visu drukas vietu pielāgošana
|
Darbības paneļa iestatījumu izvēlnē varat izmantot iespēju <Offset Y> un <Offset X>, lai pielāgotu drukas vietu visiem drukāšanas darbiem neatkarīgi no papīra avota. Pielāgojiet drukas vietu no -50,0 mm līdz +50,0 mm diapazonā ar 0,5 mm pieauguma soļiem jebkurā virzienā: vertikāli un horizontāli. Offset Y/Offset X
|