Printimiskoha reguleerimine
Kui dokument prinditakse paberi keskmest või printimisvahemikust väljapoole, reguleerige printimiskohta. Printimiskohta saab reguleerida iga paberiallika puhul eraldi.
1. etapp: praeguse printimiskohaga printimine
Reguleeritava suuna ja kauguse kontrollimiseks saate kasutada printimiskoha reguleerimise väljaprindi funktsiooni.
|
Kui soovite kontrollida printimiskohta kahepoolsel printimisel, valige eelnevalt juhtpaneeli seadistusmenüüs sätte <2-Sided Printing> olekuks <On>. 2-Sided Printing |
1
Vajutage

(

).
2
Valige klahvidega

/

<Paper Source>, seejärel vajutage

.
3
Valige paberiallikas, mille printimiskohta soovite vaadata, ja vajutage

.
4
Vajutage

(

).
Ekraanile ilmub uuesti põhikuva.
5
Vajutage

(

).
6
Valige <Printing Pos. Print> ja vajutage

.
7
Valige <Yes> ja vajutage

.
Väljastatakse reguleeritud printimiskohaga väljaprint.
2. etapp: reguleeritava suuna ja kauguse kontrollimine
Printimiskoha reguleerimise väljaprindi tegemisel prinditakse printimiskoha märgistus

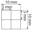
. Määrake nende märkide põhjal reguleerimise suund ja kaugus. Tavalise printimiskoha korral prinditakse kõik märgid 5 mm kaugusele paberi lähimast servast.
Kuidas vaadata printimiskoha reguleerimise väljaprinte
Paberi väljastamisel esimesena ilmuv paberi serv on printimiskoha reguleerimise väljaprindi ülaosas. Printimiskoha kontrollimisel jälgige, milline paberi serv on ülemine.
| | Printimiskoha kontrollimiseks mõeldud märgi  suurus on näidatud alloleval joonisel. |
Kui printimiskoht on keskjoone suhtes nihkunud
Kui printimiskoha märgid on prinditud valesse kohta, tuleb printimiskohta reguleerida. Printimiskohta reguleerides määrake pluss- ja miinusmärgi („+“ ja „–“) abil suund ning „mm“ abil kaugus. Printimiskohta saate ülespoole nihutada miinusmärgiga ja allapoole plussmärgiga (vertikaalne korrigeerimine). Printimiskohta saate vasakule nihutada miinusmärgiga ja paremale plussmärgiga (horisontaalne korrigeerimine).
Vertikaalsuund (<Offset Y>) | Horisontaalsuund (<Offset X>) |
Alltoodud näites määratakse printimiskoha nihutamiseks 5 mm võrra ülespoole ja 1,7 mm võrra paremale -5,0 mm jaotises <Offset Y> ja +1,70 mm jaotises <Offset X>.
3. etapp: printimiskoha reguleerimine erinevate paberiallikate puhul
Pärast reguleeritava suuna ja kauguse kinnitamist määrake reguleeritud printimiskoht. Printimiskohta saab reguleerida vahemikus -5,0 mm kuni +5,0 mm 0,1 mm sammuga mõlemas suunas: vertikaalselt ja horisontaalselt.
1
Lülitage seade võrguühenduseta režiimile.
Kui süttib

(

), vajutage

(

).
2
Vajutage

(

).
3
Valige klahvidega

/

<User Maintenance>, seejärel vajutage

.
4
Valige <Adj. Print Position> ja vajutage

.
5
Valige paberiallikas ja vajutage

.
Klahviga <Common> saate reguleerida printimiskohta esimesel leheküljel (esikülg) kahepoolse printimise režiimis, olenemata paberiallikast.
6
Valige suund, mida soovite reguleerida, ja vajutage

.
Printimiskoha reguleerimine kahepoolsel printimisel
<Offset Y (2-Sided)> ja <Offset X (2-Sided)> võimaldavad reguleerida printimiskohta esimesel leheküljel (esiküljel). Teise lehekülje (tagakülg) printimiskohta reguleeritakse iga paberiallika jaoks määratud väärtuste alusel.
Printimiskoha reguleerimise näideEsimene lehekülg (esikülg) | Sätte <Offset Y (2-Sided)> väärtus |
Teine lehekülg (tagakülg) | Sätte <Offset Y (MP Tray)> väärtus |
7
Määrake väärtus ja vajutage

.
Lähtudes printimiskoha reguleerimise väljaprindist, sisestage väärtus klahvidega

/

.
Teise asukoha või paberiallika reguleerimiseks korrake toiminguid 5 ja 7.
8
Vajutage

(

).
Ekraanile ilmub uuesti põhikuva.
9
Vajutage uuesti

(

).
Seade ühendatakse võrku.
10
Tehke printimiskoha reguleerimise väljaprint ja vaadake väljaprindilt reguleeritud printimiskohta.
1. etapp: praeguse printimiskohaga printimineKõikide printimiskohtade reguleerimine |
Printimiskoha reguleerimiseks kõigi prinditüüpide puhul olenemata paberiallikast kasutage juhtpaneeli seadistusmenüü sätteid <Offset Y> ja <Offset X>. Printimiskohta saab reguleerida vahemikus -50,0 mm kuni +50,0 mm 0,5 mm sammuga mõlemas suunas: vertikaalselt ja horisontaalselt. Offset Y/Offset X |