Настройване на позицията на отпечатване
Ако документите се разпечатват с отместване от центъра или извън печатното поле, настройте позицията на отпечатване. Можете да настроите позицията на отпечатване поотделно за всеки източник на хартия.
Стъпка 1: Отпечатване на текущата позиция на печат
Можете да изпълните „Регулиране на позицията на печата“, за да проверите посоката и разстоянието за корекция.
|
Когато искате да проверите позицията на печата за 2-странен печат, задайте предварително <2-Sided Printing> на <On> в менюто с настройки на работния панел. 2-Sided Printing |
1
Натиснете

(

).
2
Използвайте

/

, за да изберете <Paper Source>, и натиснете

.
3
Изберете източника на хартия, за който искате да проверите позицията на печата, след което натиснете

.
4
Натиснете

(

).
Дисплеят се връща към главния екран.
5
Натиснете

(

).
6
Изберете <Printing Pos. Print> и натиснете

.
7
Изберете <Yes> и натиснете

.
Извежда се разпечатка за настройка на позицията на печата.
Стъпка 2: Проверка на посоката и разстоянието за корекция
Когато се извършва корекция на позицията на печата, отметките за позицията на печата

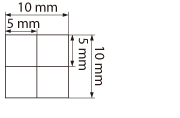
се отпечатват. Определете посоката и разстоянието, които да се коригират, въз основа на тези отметки. Когато позицията на печата е нормална, всички отметки се отпечатват на позиция 5 мм от най-близкия край на хартията.
Как да проверите разпечатка за настройка на позицията на печата
Ръбът на хартията, който излиза първи, когато хартията се извежда, е горната част на разпечатка за настройка на позицията на печата. Когато проверявате позицията на печата, проверете кой ръб на хартията e горната част.
| | Размерът на отметката  за проверка на позицията на печата е както е показано на илюстрацията по-долу. |
Когато позицията на печата е с отместване от центъра
Когато отметките за позицията на печата са отпечатани с разминаване от правилната позиция, трябва да регулирате позицията на печата. Когато регулирате позицията на печата, посочете посоката, като използвате „+“ и „-“ и разстоянието в „мм“. Използвайте „-“, за да преместите позицията на печата нагоре, и „+“, за да преместите надолу (корекция на вертикалната позиция). Използвайте „-“, за да преместите позицията на печата наляво, и „+“, за да я преместите наляво (корекция на хоризонталната позиция).
Вертикална посока (<Offset Y>) | Хоризонтална посока (<Offset X>) |
В показания по-долу пример, за да преместите позицията на печата 5 мм нагоре и 1,7 мм надясно, „-5,0 мм“ е зададено като <Offset Y> и „+1,70 мм“ е зададено като <Offset X>.
Стъпка 3: Регулиране на позицията на печата поотделно за всеки източник на хартия
След като потвърдите посоката и разстояние за регулиране, задайте регулирана позиция на печат. Можете да регулирате позицията на печата в обхвата от -5,0 мм до +5,0 мм в деления от по 0,1 мм и в двете посоки: вертикална или хоризонтална.
1
Задайте офлайн режим на устройството.
Когато

(

) свети, натиснете

(

).
2
Натиснете

(

).
3
Използвайте

/

, за да изберете <User Maintenance>, след което натиснете

.
4
Изберете <Adj. Print Position> и натиснете

.
5
Изберете източника на хартия, след което натиснете

.
Използвайте <Common>, за да регулирате позицията на печата на първата страница (предна страна) в режим на 2-странен печат без значение от източника на хартия.
6
Изберете посоката за регулиране, след което натиснете

.
Регулиране на позицията на печата за 2-странен печат
<Offset Y (2-Sided)>и <Offset X (2-Sided)> ви позволяват да регулирате позицията на печата на първата страница (предна страна). Позицията на печата на втората страница (задна страна) ще се регулира въз основа на стойностите, зададени за всеки източник на хартия.
Пример на регулиране на позицията на печатаПърва страница (предна страна) | Стойност на настройка <Offset Y (2-Sided)> |
Втора страница (задна страна) | Стойност на настройка <Offset Y (MP Tray)> |
7
Задайте стойност, след което натиснете

.
Въз основа на разпечатките, направени от регулирането на позицията на печата, използвайте

/

, за да въведете стойност.
За да регулирате друга позиция или източник на хартия, повторете стъпки 5 и 7.
8
Натиснете

(

).
Дисплеят се връща към главния екран.
9
Натиснете

(

) отново.
Устройството навлиза в онлайн режим.
10
Извършете регулиране на позицията на печата и проверете регулирането на позицията на печата на разпечатката.
Стъпка 1: Отпечатване на текущата позиция на печатРегулиране на всички позиции за печат |
Можете да използвате <Offset Y> и <Offset X> в менюто с настройки на работния панел, за да регулирате позицията на печата за всички типове независимо от източника на хартия. Можете да регулирате позицията на печата в обхвата от -50,0 мм до +50,0 мм в деления от по 0,5 мм и в двете посоки: вертикална или хоризонтална. Offset Y/Offset X |