Nastavenie polohy tlače
Ak je dokument tlačený mimo stredu alebo mimo tlačiteľného rozsahu, nastavte polohu tlače. Polohu tlače môžete nastaviť pre každý zdroj papiera.
Krok 1: Tlač aktuálnej polohy tlače
Ak chcete skontrolovať smer a vzdialenosť, ktorú chcete nastaviť, môžete vykonať „tlač s nastavením polohy tlače“.
|
|
Ak chcete skontrolovať polohu tlače pri 2-stranovej tlači, vopred nastavte položku <2-Sided Printing> na položku <On> v ponuke nastavení na ovládacom paneli. 2-Sided Printing
|
1
Stlačte tlačidlo

(

).
2
Použitím tlačidiel

/

vyberte <Paper Source> a stlačte tlačidlo

.
3
Vyberte zdroj papiera, pre ktorý chcte skontrolovať polohu tlače, a stlačte tlačidlo

.
4
Stlačte tlačidlo

(

).
Obrazovka sa vráti na hlavnú obrazovku.
5
Stlačte tlačidlo

(

).
6
Vyberte položku <Printing Pos. Print> a stlačte tlačidlo

.
7
Vyberte položku <Yes> a stlačte tlačidlo

.
Na výstup sa vytlačí výpis nastavenia polohy tlače.
Krok 2: Kontrola smeru a vzdialenosti, ktoré chcete nastaviť
Keď sa vykonáva tlač s nastavením polohy tlače, vytlačia sa kontrolné značky polohy tlače

. Na základe týchto značiek určte smer a vzdialenosť, ktoré chcete nastaviť. Ak je poloha tlače normálna, všetky značky sa vytlačia v polohe 5 mm od najbližšieho okraja papiera.
Ako môžete skontrolovať výtlačky s nastavením polohy tlače
Okraj papiera, ktorý vychádza ako prvý, keď je papier na výstupe, je horná časť tlače pre nastavenia polohy tlače. Pri kontrole polohy tlače sa uistite, ktorý okraj papiera je horný.
|
|
|
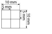
Veľkosť značky  pre kontrolu polohy tlače je uvedená na obrázku nižšie.
|
Keď je poloha tlače mimo stredu
Ak sú kontrolné značky polohy tlače vytlačené mimo správnej polohy, musíte polohu tlače nastaviť. Pri nastavení polohy tlače určte smer pomocou „+“ a „-“ a vzdialenosť pomocou „mm“. Tlačidlom „-“ posuniete polohu tlače nahor a tlačidlom „+“ posuniete nadol (korekcia zvislej polohy). Tlačidlom „-“ posuniete polohu tlače doľava a tlačidlom „+“ posuniete doprava (korekcia vodorovnej polohy).
|
Zvislý smer (<Offset Y>)
|
Vodorovný smer (<Offset X>)
|
V nižšie uvedenom príklade sa posunie poloha tlače o 5 mm nahor a o 1,7 mm doprava, „-5,0 mm“ sa nastaví v položke <Offset Y> a „+1,70 mm“ sa nastaví v položke <Offset X>.
Krok 3: Nastavenie polohy tlače pre každý zdroj papiera
Po potvrdení smeru a vzdialenosti, ktoré chcete nastaviť, zadajte nastavenú polohu tlače. Polohu tlače môžete nastaviť v rozsahu od -5,0 mm až +5,0 mm v krokoch 0,1 mm ; zvisle aj vodorovne.
1
Nastavte zariadenie do režimu offline.
Keď sa rozsvieti

(

), stlačte tlačidlo

(

).
2
Stlačte tlačidlo

(

).
3
Použitím tlačidiel

/

vyberte položku <User Maintenance> a stlačte tlačidlo

.
4
Vyberte položku <Adj. Print Position> a stlačte tlačidlo

.
5
Vyberte zdroj papiera a stlačte tlačidlo

.
Použite položku <Common> a nastavte polohu tlače na prvej strane (predná strana) v režime 2-stranovej tlače bez ohľadu na zdroj papiera.
6
Vyberte smer, ktorý chcete nastaviť, a stlačte a tlačidlo

.
Nastavenie polohy tlače pri 2-stranovej tlači
Položka <Offset Y (2-Sided)> a <Offset X (2-Sided)> umožňujú nastaviť polohu tlače na prvej strane (predná strana). Poloha tlače na druhej strane (zadná strana) sa nastaví na základe hodnôt nastavených pre každý zdroj papiera.
Príklad nastavenia polohy tlače
|
Prvá strana (predná strana)
|
Hodnota nastavenia <Offset Y (2-Sided)>
|
|
Druhá strana (Zadná strana)
|
Hodnota nastavenia <Offset Y (MP Tray)>
|
7
Nastavte hodnotu a stlačte tlačidlo

.
Na základe výtlačku vykonaného pomocou funkcie tlače s nastavením polohy tlače použite tlačidlá

/

na zadanie hodnoty.
Ak chcete nastaviť inú polohu alebo zdroj papiera, zopakujte kroky 5 a 7.
8
Stlačte tlačidlo

(

).
Obrazovka sa vráti na hlavnú obrazovku.
9
Znovu stlačte tlačidlo

(

).
Zariadenie zostane v režime online.
10
Vykonajte tlač s nastavením polohy tlače a skontrolujte nastavenú polohu tlače na výtlačku.
Krok 1: Tlač aktuálnej polohy tlače
|
Nastavenie všetkých polôh tlače
|
Použite položku <Offset Y> a <Offset X> v ponuke nastavení na ovládacom paneli môžete nastaviť polohy tlače pre všetky typy tlače bez ohľadu na zdroj papiera. Polohu tlače môžete nastaviť v rozsahu od -50,0 mm až +50,0 mm v krokoch 0,5 mm ; zvisle aj vodorovne. Offset Y/Offset X
|