Yazdırma Konumunun Ayarlanması
Eğer bir belge, kaçık merkezli veya yazdırılabilir alan dışına yazdırılmışsa, yazdırma konumunu ayarlayın. Her bir kağıt kaynağı için yazdırma konumunu ayarlayabilirsiniz.
1. Adım: Geçerli Yazdırma Konumunun Yazdırılması
Ayarlanacak yönü ve konumu denetlemek için, "Yazdırma Konumu Ayarlama Yazdırması" yapabilirsiniz.
|
|
2 taraflı yazdırma için yazdırma konumunu denetlemek istediğinizde, <2 Taraflı Yazdırma> öğesini işletim panelin ayar menüsünde önceden <Açık> olarak ayarlayın. 2 Taraflı Yazdırma
|
1

(

) öğesine basın.
2

/

tuşlarını kullanarak <Kağıt Kaynağı> seçeneğini belirleyin ve

tuşuna basın.
3
Yazdırma konumunu denetlemek istediğiniz kağıt kaynağını seçin ve

öğesine basın.
4

(

) öğesine basın.
Ekran sayfası, ana ekrana geri döner.
5

(

) öğesine basın.
6
<Yazd. Konumu Baskısı> seçeneğini belirleyin ve

tuşuna basın.
7
<Evet> seçeneğini belirleyin ve

tuşuna basın.
Bir yazdırma konumunu ayarlama yazılı çıktısı üretilir.
2. Adım: Ayarlanacak Yönün ve Uzaklığın Denetlenmesi
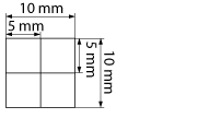
Yazdırma Konumu Ayarlama Yazdırması yapıldığında, yazdırma konumu denetleme işaretleri

yazdırılır. Ayarlanacak yönü ve uzaklığı, bu işaretleri temel alarak belirleyin. Yazdırma konumu normal olduğunda, tüm işaretler kağıdın en yakın kenarından itibaren bir konumda 5 mm yazdırılır.
Yazdırma Konumu Ayarlama Yazılı Çıktıları Nasıl Denetlenir
Kağıt çıktığında kağıdın ilk dışarı çıkan kenarı, bir Yazdırma Konumu Ayarlama Yazdırmasının üst kısmıdır. Yazdırma konumunu denetlediğinizde, kağıdın hangi kenarının üst kısım olduğundan emin olun.
|
|
|
Yazdırma konumunu denetlemek için olan işaretin  boyutu, aşağıdaki illüstrasyonda gösterildiği gibidir.
|
Yazdırma Konumunu Kaçık Merkezli Olduğunda
Yazdırma konumu denetleme işaretleri kaçık merkezli konumda yazdırıldığında, yazdırma konumunu ayarlamanız gerekir. Yazdırma konumunu ayarlarken, yönü, "+" ve "-" kullanarak belirtin ve uzaklığı "mm" öğesini kullanarak belirtin. Yazdırma konumunu yukarı doğru kaydırmak için "-" ve aşağı doğru kaydırmak için "+" kullanın (dikey konum düzeltmesi). Sola doğru kaydırmak için "-" ve sağa doğru kaydırmak için "+" kullanın (yatay konum düzeltmesi).
|
Dikey yön (<Ofset Y>)
|
Yatay yön (<Ofset X>)
|
Aşağıda sunulan örnekte, yazdırma konumunu 5 mm yukarı doğru ve 1,7 mm sağa doğru kaydırmak için, "-5,0 mm" öğesi <Ofset Y> olarak ve "+1,70 mm" ve öğesi <Ofset X> olarak ayarlanmıştır.
3. Adım: Yazdırma Konumunun Her Bir Kağıt Kaynağı için Ayarlanması
Ayarlanacak yönü ve konumu ayarlamanızın ardından, ayarlanmış bir yazdırma konumu belirtin. Yazdırma konumunu -5,0 mm - +5,0 mm aralığında 0,1 mm büyüklüğünde kademelerle dikey yönde ya da yatay yönde ayarlayabilirsiniz.
1
Makineyi çevrimiçi olacak biçimde ayarlayın.

(

) öğesi yandığında,

(

) öğesine basın.
2

(

) öğesine basın.
3

/

tuşlarını kullanarak <Kullanıcı Bakımı> seçeneğini belirleyin ve

tuşuna basın.
4
<Baskı Knmnu Ayarla> seçeneğini belirleyin ve

tuşuna basın.
5
Kağıt kaynağını seçin ve

tuşuna basın.
2 taraflı yazdırma modunda, kağıt kaynağına bakmaksızın, ilk sayfanın (ön tarafın) yazdırma konumunu ayarlamak için <Genel> ayarını kullanın.
6
Ayarlanacak yönü seçin ve

tuşuna basın.
2 taraflı yazdırma için yazdırma konumunu ayarlayın
<Ofset Y (2 Taraflı)> ve <Ofset X (2 Taraflı)> ilk sayfada (ön tarafta) yazdırma konumunu ayarlamanıza olanak sağlar. İkinci sayfada (arka tarafta) yazdırma konumunun ayarı, her kağıt kaynağının ayarlanmış değerlerine göre belirlenir.
Yazdırma konumu ayarına bir örnek
|
İlk sayfa (ön taraf)
|
<Ofset Y (2 Taraflı)> ayarlama değeri
|
|
İkinci sayfa (arka taraf)
|
<Ofset Y (ÇA Tepsi)> ayarlama değeri
|
7
Bir değer ayarlayın ve

öğesine basın.
Yazdırma Konumu Ayarlama Yazdırması tarafından üretilmiş yazılı çıktıyı temel alarak, bir değer girmek için

/

öğesini kullanın.
Başka bir konum veya kağıt kaynağı ayarlamak için, 5. ve 7. adımları tekrarlayın.
8

(

) öğesine basın.
Ekran sayfası, ana ekrana geri döner.
9

(

) öğesine tekrar basın.
Makine çevrimiçi duruma gelir.
10
Yazdırma Konumu Ayarlama Yazdırması yapın ve ayarlanmış yazdırma konumunu yazılı çıktı üzerinde denetleyin.
1. Adım: Geçerli Yazdırma Konumunun Yazdırılması
|
Tüm yazdırma konumlarının ayarlanması
|
Tüm yazdırma işleri için yazdırma konumlarını kağıt kaynağından bağımsız olarak ayarlamak için, işletim panelindeki ayar menüsünde <Ofset Y> ve <Ofset X> öğelerini kullanabilirsiniz. Yazdırma konumunu -50,0 mm - +50,0 mm aralığında 0,5 mm değerinde kademelerle her iki yönde de ayarlayabilirsiniz: Dikey ve yatay. Ofset Y/Ofset X
|