Настроювання позиції друку
Якщо документ друкується не в центрі або за межами діапазону друку, налаштуйте позицію друку. Позицію друку можна налаштувати для кожного джерела паперу.
Крок 1. Друк поточної позиції друку
Ви можете виконати «Друк із налаштуванням позиції друку», щоб перевірити напрямок і відстань для налаштування.
|
Якщо ви хочете перевірити позицію друку для двостороннього друку, установіть для параметра <2-Sided Printing> значення <On> у меню налаштувань на панелі керування. 2-Sided Printing |
1
Натисніть клавішу

(

).
2
За допомогою клавіш

/

виберіть <Paper Source> і натисніть

.
3
Виберіть джерело паперу, для якого потрібно перевірити позицію друку, і натисніть

.
4
Натисніть клавішу

(

).
Ви повернетеся на головний екран.
5
Натисніть клавішу

(

).
6
Виберіть елемент <Printing Pos. Print> і натисніть клавішу

.
7
Виберіть елемент <Yes> і натисніть клавішу

.
Буде виведено роздруківку налаштування позиції друку.
Крок 2. Перевірка напрямку й відстані для налаштування
Коли виконується друк налаштування позиції друку, друкуються мітки позиції друку

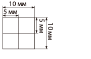
. Визначте напрямок і відстань для налаштування на основі цих міток. Коли позиція друку нормальна, усі мітки друкуються на відстані 5 мм від найближчого краю паперу.
Як перевірити роздруківки для налаштування позиції друку
Коли виводиться папір, першим виходить верхній край роздруківки для налаштування позиції друку. Коли ви перевіряєте позицію друку, визначте, який край паперу верхній.
| | Розмір мітки  для перевірки позиції друку показано на малюнку нижче. |
Коли позиція друку не в центрі
Коли мітки позиції друку друкуються в неправильному положенні, необхідно налаштувати позицію друку. Укажіть напрямок за допомогою знаків «+» і «–» і відстань у «мм». Використовуйте «–», щоб змістити позицію друку вгору, і «+», щоб змістити її вниз (корекція позиції по вертикалі). Використовуйте «–», щоб змістити позицію друку вліво, і «+», щоб змістити її вправо (корекція позиції по горизонталі).
Вертикальний напрямок (<Offset Y>) | Горизонтальний напрямок (<Offset X>) |
У наведеному нижче прикладі, щоб змістити позицію друку на 5 мм вгору й на 1,7 мм вправо, значення «-5,0 мм» вказується в полі <Offset Y>, а значення «+1,70 мм» — у полі <Offset X>.
Крок 3. Налаштування позиції друку для кожного джерела друку
Після того як ви підтвердите напрямок і відстань, укажіть нову позицію друку. Позицію друку можна налаштувати в діапазоні від від -5,0 мм до +5,0 мм із кроком 0,1 мм у будь-якому напрямку: вертикальному й горизонтальному.
1
Відключіть апарат від мережі.
Коли горить

(

), натисніть

(

).
2
Натисніть клавішу

(

).
3
За допомогою клавіш

/

виберіть <User Maintenance> і натисніть

.
4
Виберіть елемент <Adj. Print Position> і натисніть клавішу

.
5
Виберіть джерело паперу й натисніть

.
Використовуйте <Common>, щоб налаштувати позицію друку на першій сторінці (лицьовій стороні) у режимі двостороннього друку незалежно від джерела паперу.
6
Виберіть напрямок, який потрібно налаштувати, і натисніть

.
Налаштування позиції друку для двостороннього друку
Параметри <Offset Y (2-Sided)> і <Offset X (2-Sided)> дають змогу налаштувати позицію друку на першій сторінці (лицьовій стороні). Позицію друку на другій сторінці (зворотній стороні) буде налаштовано на основі значень, встановлених для кожного джерела паперу.
Приклад налаштування позиції друкуПерша сторінка (лицьова сторона) | Значення параметра <Offset Y (2-Sided)> |
Друга сторінка (зворотна сторона) | Значення параметра <Offset Y (MP Tray)> |
7
Установіть значення й натисніть

.
На основі роздруківки для налаштування позиції друку використовуйте

/

, щоб ввести значення.
Щоб налаштувати іншу позицію або джерело паперу, повторіть кроки 5 і 7.
8
Натисніть клавішу

(

).
Ви повернетеся на головний екран.
9
Натисніть

(

) ще раз.
Апарат буде підключено до мережі.
10
Виконайте друк для налаштування позиції друку й перевірте налаштовану позицію друку на роздруківці.
Крок 1. Друк поточної позиції друкуНалаштування всіх позицій друку |
Ви можете використовувати параметри <Offset Y> і <Offset X> у меню налаштувань на панелі керування, щоб налаштувати позицію друку для всіх типів друку незалежно від джерела паперу. Позицію друку можна налаштувати в діапазоні від від -50,0 мм до +50,0 мм із кроком 0,5 мм у будь-якому напрямку: вертикальному й горизонтальному. Offset Y/Offset X |