Inprimatzeko kokapena doitzea
Dokumentu bat erdian inprimatzen ez bada, edo inprimatze-eremutik kanpo inprimatzen bada, doitu inprimatzeko kokapena. Inprimatzeko kokapena paper-iturri bakoitzean doitu dezakezu.
1. urratsa: Uneko inprimatzeko kokapena inprimatzea
"Inprimatzeko kokapenaren doikuntza-inprimatzea" burutu dezakezu doitu beharreko noranzkoa eta distantzia begiratzeko.
|
|
Bi aldeetatik inprimatzea funtzioaren inprimatzeko kokapena begiratu nahi duzunean, aldez aurretik, ezarri <2-Sided Printing> hona: <On> eragiketa-paneleko ezarpen-menuan. 2-Sided Printing
|
1
Sakatu

(

).
2
Erabili

/

<Paper Source> hautatzeko, eta sakatu

.
3
Hautatu paper-iturria, zeinarentzat inprimatzeko kokapena begiratu nahi duzun, eta sakatu

.
4
Sakatu

(

).
Pantaila pantaila nagusira itzuliko da.
5
Sakatu

(

).
6
Hautatu <Printing Pos. Print>, eta sakatu

.
7
Hautatu <Yes>, eta sakatu

.
Inprimatzeko kokapenaren doikuntzarako inprimatze-orri bat aterako da.
2. urratsa: Doitu beharreko noranzkoa eta distantzia begiratzea
Inprimatzeko kokapenaren doikuntzarako inprimatzea burutzen denean, inprimatzeko kokapenaren markak

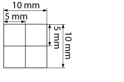
inprimatuko dira. Zehaztu doitu beharreko noranzkoa eta distantzia marka horietan oinarrituta. Inprimatzeko kokapena normala denean, marka guztiak gertuen dagoen paperaren ertzetik distantzia honetara inprimatuko dira: 5 mm
Inprimatzeko kokapenaren doikuntzarako inprimatutako orriak begiratzeko modua
Papera irteten denean, lehen ateratzen den paperaren ertza inprimatzeko kokapena doitzeko inprimatze baten goiko aldea da. Inprimatzeko kokapena begiratu nahi duzunean, ziurtatu paperaren zein ertz dagoen goiko aldean.
|
|
|
Inprimatzeko kokapena begiratzeko  markaren tamaina azpiko ilustrazioan agertzen dena da.
|
Inprimatzeko kokapena erdigunean ez dagoenean
Inprimatzeko kokapena begiratzeko markak zuzeneko kokapenean inprimatu ez badira, inprimatzeko kokapena doitu behar duzu. Inprimatze kokapena doitzen duzunean, zehaztu norantza "+" eta "-" erabiliz, eta distantzia "mm" erabiliz. Erabili "-" inprimatzeko kokapena gorantz mugitzeko eta "+" beherantz mugitzeko (kokapen bertikala zuzentzea). Erabili "-" inprimatzeko kokapena ezkerrerantz mugitzeko eta "+" eskuinerantz mugitzeko (kokapen horizontala zuzentzea).
|
Norantza bertikala (<Offset Y>)
|
Norantza horizontala (<Offset X>)
|
Azpian aurkeztutako adibidean, inprimatzeko kokapena 5 mm gorantz eta 1,7 mm eskuinerantz mugitzeko, "-5,0 mm" hona ezarrita dago: <Offset Y> eta "+1,70 mm" hona ezarrita dago: <Offset X>.
3. urratsa: Inprimatzeko kokapena paper-iturri bakoitzean doitzea
Behin doitu beharreko norantza eta distantzia berresten duzunean, zehaztu doitutako inprimatzeko kokapena. Inprimatzeko kokapena tarte honetan doitu dezakezu: -5,0 mm - +5,0 mm gehikuntza hauekin: 0,1 mm bi norantzetan: bertikala eta horizontala.
1
Deskonektatu makina.

(

) pizten denean, sakatu

(

).
2
Sakatu

(

).
3
Erabili

/

<User Maintenance> hautatzeko, eta sakatu

.
4
Hautatu <Adj. Print Position>, eta sakatu

.
5
Hautatu paper-iturria, eta sakatu

.
Erabili <Common> ezarpena lehenengo orrian (aurreko aldea) bi aldeetatik inprimatzeko moduan inprimatzeko kokapena doitzeko, paper-iturria edozein dela ere.
6
Hautatu doitu beharreko norantza, eta sakatu

.
Inprimatzeko kokapena doitzea bi aldeetatik inprimatzeko moduan
<Offset Y (2-Sided)> eta <Offset X (2-Sided)> lehen orrialdeko (aurrealdea) inprimatzeko kokapena doitzeko aukera ematen dizute. Bigarren orriko (atzeko aldea) inprimatzeko kokapena paper-iturri bakoitzarentzat ezarritako balioen arabera doituko da.
Inprimatzeko kokapena doitzearen adibidea
|
Lehen orrialdea (aurreko aldea)
|
<Offset Y (2-Sided)> ezarpen balioa
|
|
Bigarren orrialdea (atzeko aldea)
|
<Offset Y (MP Tray)> ezarpen balioa
|
7
Ezarri balio bat, eta sakatu

.
Inprimatzeko kokapena doitzeko inprimatzeak egindako inprimatutako orria oinarri gisa hartuta, erabili

/

balio bat sartzeko.
Beste kokapen edo paper-iturri bat doitzeko, errepikatu 5. eta 7. urratsak.
8
Sakatu

(

).
Pantaila pantaila nagusira itzuliko da.
9
Sakatu

(

) berriro.
Makina konektatuko da.
10
Gauzatu inprimatzeko kokapena doitzeko inprimatzea, eta begiratu doitutako inprimatzeko kokapena inprimatutako orrian.
1. urratsa: Uneko inprimatzeko kokapena inprimatzea
|
Inprimatzeko kokapen guztiak doitzea
|
Eragiketa-paneleko ezarpenen menuko <Offset Y> eta <Offset X> ezarpenak erabili ditzakezu inprimatze-mota guztien inprimatzeko kokapena doitzeko, paper-iturria edozein izanda ere. Inprimatzeko kokapena tarte honetan doitu dezakezu: -50,0 mm - +50,0 mm gehikuntza hauekin: 0,5 mm bi norantzetan: bertikala eta horizontala. Offset Y/Offset X
|