
|
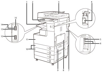
1.
|
输出托盘
打印件和复印件输出至此托盘。
|
|
2.
|
操作面板
包括操作本机所需的按键、触摸面板显示屏幕和指示灯。(请参阅“操作面板部件及其功能”)
|
|
3.
|
输稿器(可选)
放入输稿器中的原稿将逐页送至稿台玻璃处进行扫描。
|
|
4.
|
主电源开关
将开关按到“I”侧可以打开电源。(请参阅“主电源键和节能键”)
|
|
5.
|
局域网端口(Ethernet端口)
使用Ethernet电缆将本机连接到网络。 |
|
6.
|
USB端口
使用USB端口将外置硬盘和其他设备连接到本机。也可以使用USB电缆将本机连接到网络。 |
|
7.
|
主机的右盖板
清除主机内部卡纸时打开该盖板。(请参阅“清除卡纸”)
|
|
8.
|
多功能托盘
使用多功能托盘手动送纸,并用其添加非标准纸张材料(如信封)。(请参阅“将纸张添加到多功能托盘中”)
|
|
9.
|
纸盒的右上盖板
清除“纸盒1”和“纸盒2”中的卡纸时打开该盖板。(请参阅“清除卡纸”)
|
|
10.
|
纸盒1/纸盒2
最多可以容纳550张纸(80 g/m2)。
|
|
11.
|
主机的前盖板
更换废粉收集容器时打开此盖板。
|
|
12.
|
线路1
使用此端口将传真线路连接到本机。
|
|
13.
|
线路2
使用此端口将“双路Super G3传真组件”连接到本机。
|
|
14.
|
线路3
使用此端口将“3/4路Super G3传真组件”连接到本机。
|
|
15.
|
线路4
使用此端口将“3/4路Super G3传真组件”连接到本机。
|
|
注释
|
|
“3/4路Super G3传真组件”和“双路Super G3传真组件”为可选产品。有关详细信息,请参阅“系统配置”。
有关使用该传真功能时所需的可选产品的信息,请参阅“每项功能所需的可选产品”。
|

|
1.
|
稿台玻璃
扫描书本、厚原稿、薄原稿和透明胶片等时,使用稿台玻璃。
|
|
2.
|
定影组件的上盖板
打开此盖板可以清除定影组件中的卡纸。(请参阅“清除卡纸”)
|
|
3.
|
废粉收集容器
此处收集废墨粉。(请参阅“更换废粉收集容器”)
|
|
4.
|
墨粉盒更换盖板
打开此盖板可以更换墨粉盒。
|
|
5.
|
墨粉盒
墨粉用完后,拉出墨粉盒,并更换新的墨粉盒。
|

|
1.
|
节能键
按下可以设置或取消“睡眠”模式。本机进入“睡眠”模式时,该指示灯亮起。有关“自动睡眠”模式的详细信息,请参阅“主电源键和节能键”。
|
|
2.
|
USB端口
使用USB端口可以通过USB将存储介质连接到本机。
|
|
3.
|
设置/注册键
按下可以指定设置/注册。
|
|
4.
|
检查计数器键
按下可以在触摸面板显示屏幕上显示复印和打印总计数。
|
|
5.
|
清除键
按下可以清除输入的数值或字符。
|
|
6.
|
停止键
按下可以停止正在进行的作业。
|
|
7.
|
编辑笔
操作触摸面板显示屏幕时使用,比如输入字符。
|
|
8.
|
启动键
按下可以启动一项操作。
|
|
9.
|
主电源指示灯
打开主电源后变亮。
|
|
10.
|
错误指示灯
本机出错时闪烁或变亮。
|
|
11.
|
正在处理/数据指示灯
本机执行操作时闪烁或闪亮为绿色,而在存储器中有传真数据时持续亮起绿色。
|
|
12.
|
复位键
按下可以恢复本机的标准设置。
|
|
13.
|
ID(登录/注销)键
设置了登录服务时按下可以登录/注销本机。
|
|
14.
|
数字键
按下可以输入数字值。
|
|
15.
|
触摸面板显示屏幕
该显示屏幕显示每项功能的设置屏幕。
默认显示八个功能键。 |
|
16.
|
亮度调整转盘
用于调节触摸面板显示屏幕的亮度。
|
|
17.
|
音量设置键
按下可以调整传真发送/接收警报音量、发送音量和其他设置。
|
|
18.
|
状态确认/取消键
按下可以检查作业的状态或者取消打印作业。此外,可以检查本机的状态,如供纸器中剩余的纸张数量。
|
|
19.
|
自定义菜单键
按下可以显示“自定义菜单”中注册的功能。
|
|
20.
|
主菜单键
按下可以显示“主菜单”屏幕。
通过从“主菜单”屏幕中选择可以使用各功能。 |
|
注释
|
|
有关可以安装到本机的可选产品的详细信息,请参阅“可选产品/软件”。
|