Precaucions d'instal·lació

Eviteu instal·lar l'equip a les ubicacions següents

Eviteu les ubicacions sotmeses a nivells extrems (molt alts o molt baixos) de temperatura i humitat.

Per exemple, eviteu instal·lar l'equip prop d'aixetes, calderes, humidificadors, aparells d'aire condicionat, escalfadors i estufes.

Allà on rebi llum directa del sol.

Si això és inevitable, pengeu unes cortines per protegir l'equip. Assegureu-vos que les cortines no bloquegen les ranures de ventilació de l'equip o interfereixen amb el cable elèctric o l'endoll.

Eviteu les ubicacions poc ventilades.

Aquest equip genera una petita quantitat d'ozó, etc. durant el seu ús normal. Tot i que la sensibilitat a l'ozó, etc. és variable, aquesta quantitat no és perjudicial. És possible que es percebi l'ozó, etc. quan es fa servir l'equip durant un espai de temps prolongat, especialment a llocs poc ventilats. A les zones de funcionament de l'equip es recomana ventilar adequadament l'habitació, prou com per mantenir un ambient de treball agradable. A més, no instal·leu l'equip en un lloc on les ranures de ventilació estiguin orientades directament cap alguna persona.

Eviteu ubicacions brutes o amb pols.

Eviteu ubicacions sotmeses a vapors d'amoníac.

Eviteu ubicacions properes a substàncies inflamables com l'alcohol o dissolvents de pintura.

Eviteu ubicacions sotmeses a vibracions.

Per exemple, sobre superfícies no anivellades i inestables.

Eviteu exposar l'equip a canvis bruscos de temperatura.

Si l'habitació on està instal·lat l'equip s'escalfa ràpidament quan està freda, és possible que es formin gotes d'aigua (condensació) a l'interior de l'equip. Això pot provocar un deteriorament de la qualitat de la imatge copiada, la impossibilitat de llegir els originals o que no aparegui cap imatge impresa en les còpies.

Eviteu instal·lar l'equip prop d'ordinadors o altres equips electrònics de precisió.

Les interferències elèctriques i les vibracions generades per l'equip durant el procés d'impressió poden afectar negativament el funcionament dels equips esmentats.

Eviteu instal·lar l'equip prop d'aparells de televisió, ràdio o altres equips electrònics semblants.

L'equip pot produir interferències en la recepció del so o del senyal d'imatge, etc. Connecteu la clavilla d'alimentació a una presa elèctrica i mantingueu la màxima separació possible entre l'equip i qualsevol altre dispositiu electrònic.

No traieu les potes d'anivellació de l'equip.

No traieu les potes d'anivellació de l'equip un cop estigui instal·lat.
Si col·loqueu pes a la part davantera de l'equip, quan traieu els calaixos de l'equip, és possible que aquest caigui cap endavant. Per evitar-ho, assegureu-vos que estan posades les potes d'anivellació de l'equip.

Eviteu instal·lar l'equip en ubicacions a gran alçada, d'uns 3.000 metres per damunt del nivell del mar o més.

Pot ser que les màquines amb disc dur no funcionin correctament quan s'utilitzin en ubicacions a gran alçada, d'uns 3.000 metres per damunt del nivell del mar o més.

Selecció d'un endoll segur

Aquest equip té dos cables d'alimentació. Connecteu cada endoll de l'equip a la presa independent de 220 a 240 V CA 13 A o superior.

Assegureu-vos que l'alimentació elèctrica és segura i que té una tensió sense fluctuacions.

No connecteu cap altre dispositiu elèctric a l'endoll utilitzat per aquest equip.

No connecteu el cable d'alimentació a un lladre amb diversos endolls perquè això pot provocar un incendi o descàrrega elèctrica.

El cable d’alimentació es pot deteriorar si es trepitja, si es fixa amb grapes o si s’hi col·loquen objectes pesats al damunt. L'ús continuat d'un cable d'alimentació deteriorat pot produir un incendi o una descàrrega elèctrica.

El cable d'alimentació no ha d'estar tirant, ja que això pot fer que la connexió no sigui segura i que es produeixi un sobreescalfament que produeixi un incendi.

Si s'aplica massa tensió a la part de la connexió del cable d'alimentació, és possible que el cable d'alimentació es danyi o que els cables de l'interior de l'equip es desconnectin. Com a conseqüència, podria produir-se un incendi. Eviteu les situacions següents:

Connectar i desconnectar amb freqüència el cable d'alimentació.
Trepitjar el cable d'alimentació.
El cable d'alimentació està doblat prop de la part de la connexió i s'aplica una tensió contínua a la presa elèctrica o a la part de la connexió.
Aplicar massa força a la clavilla d'alimentació.

Trasllat de l'equip

Si voleu traslladar l'equip, encara que sigui a una ubicació de la mateixa planta del vostre edifici, truqueu prèviament al distribuïdor local Canon. No intenteu moure l'equip pel vostre compte.

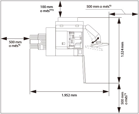
Proporcioneu prou espai d'instal·lació

Deixeu prou espai a totes dues bandes de l'equip per poder fer-lo servir sense limitacions.

Quan la Safata de sortida R2, la Duplex Color Image Reader Unit-K1 i el Tauler de Control Vertical G1 estan instal·lats:
*1 A la part posterior de l'equip, assegureu-vos de deixar com a mínim 100 mm d'espai per poder fer-lo servir sense restriccions. No us oblideu de proporcionar, com a mínim, 200 mm d'espai si instal·leu la Safata d'alimentació-C2 i la Safata de paper llarg-B1.
*2 A la part posterior de l'equip, assegureu-vos de deixar com a mínim 100 mm d'espai per poder fer-lo servir sense restriccions. Assegureu-vos de deixar com a mínim 800 mm d'espai si instal·leu una de les opcions del sistema de lliurament/recollida que es mostren tot seguit com a conjunt complet de la unitat.
*3 Assegureu-vos de deixar com a mínim 500 mm d'espai per a les tasques de servei. A més, assegureu-vos de deixar com a mínim 1000 mm d'espai si instal·leu una de les opcions del sistema de lliurament/recollida que es mostren tot seguit com a conjunt complet de la unitat.
Quan estan instal·lats la Two-Knife Booklet Trimmer-A1, la Booklet Trimmer-F1, la Unitat d'Acabat de Quaderns W1 PRO, la Paper Folding Unit-J1, laHigh Capacity Stacker-H1, la Perfect Binder-E1, la Multi Function Professional Puncher-A1, la Unitat d'inserció de documents-N1, la Duplex Color Image Reader Unit-K1, el Tauler de Control Vertical G1 i el Dipòsit de paper multicalaix-C1.
*4 A la part posterior de l'equip, assegureu-vos de deixar com a mínim 800 mm d'espai per poder fer-lo servir sense restriccions. Assegureu-vos de deixar com a mínim 100 mm d'espai si no instal·leu cap de les opcions del sistema de lliurament/recollida indicades que es mostren a la il·lustració anterior
.
*5 Assegureu-vos de deixar com a mínim 1000 mm d'espai per a les tasques de servei. A més, assegureu-vos de deixar com a mínim 500 mm d'espai si no instal·leu cap de les opcions del sistema de lliurament/recollida indicades que es mostren a la il·lustració anterior.
18SJ-002